AC/heater blower suddenly went to full power and would not shut off

Tiny
DTDODD1422
  • MEMBER
  • 2010 NISSAN SENTRA
  • 2.0L
  • 4 CYL
  • 2WD
  • AUTOMATIC
  • 90,000 MILES
I have a question regarding the blower. I was sitting in my car with the A/C on and the blower blowing on medium. All of a sudden the fan speed went full throttle and would not turn off. I found online that it may be the resistor and I have replaced this but now it still blows on high. Any thoughts on what else it could be?
Sunday, June 21st, 2020 AT 2:47 PM

7 Replies

Tiny
STEVE W.
  • MECHANIC
  • 15,615 POSTS
If you unplug the blower control module (resistor) does the fan stay on high? The control module is supposed to cycle the ground to the blower on and off rapidly to control the blower speed. However for it to work properly it uses a feed from the blower motor to verify the speed. That signal goes to the front air control head in the dash. If that control were to fail it could turn the fan onto high as it wouldn't be a pulsed signal. Testing it without a scan tool however is not easily possible.
Was this
answer
helpful?
Yes
No
Sunday, June 21st, 2020 AT 4:26 PM
Tiny
DTDODD1422
  • MEMBER
  • 18 POSTS
When the resister is unplugged the blower does not work. So this sounds like it may be the control in the dash?
Was this
answer
helpful?
Yes
No
Sunday, June 21st, 2020 AT 5:44 PM
Tiny
STEVE W.
  • MECHANIC
  • 15,615 POSTS
In that case, yes, it sounds like the controller is stuck at 100% for the fan control.
Was this
answer
helpful?
Yes
No
Sunday, June 21st, 2020 AT 8:11 PM
Tiny
DTDODD1422
  • MEMBER
  • 18 POSTS
So we changed the control module and still have the same issue. We replaced the resistor and still full blast on blower. Could it be the blower motor is bad and not sending a signal back to the control module?
Was this
answer
helpful?
Yes
No
Saturday, August 15th, 2020 AT 2:18 PM
Tiny
STEVE W.
  • MECHANIC
  • 15,615 POSTS
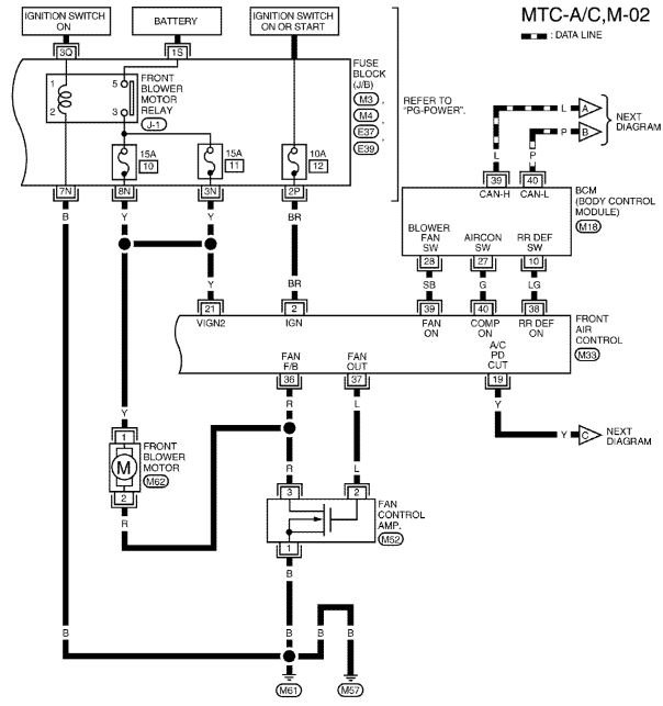
The motor doesn't send a signal back to the control head per say, the head sends out a pulsed ground and reads the amount of amperage to determine if the fan is responding. The blower motor really can't stick on high as it doesn't have that ability, It is just the two wires that powers the motor. The power feed comes through the fan relay and it is on all the time if the key is on. The ground goes to 2 places, one of them is staying on full time which causes the fan to run only on high. Those are the main control head and the fan control amplifier.
The amplifier is the item in the second picture tagged as 2 with the red line pointer and the third image. If that is the part you changed, and with it unplugged the fan still runs only on high the issue is something in the control head in the dash. Either the ground wire to the motor has a short which would make it stay on high or the controller in the dash has a problem. To look for a shorted wire isn't hard, unplug the connector to the control amplifier, then the one that goes to the front air conditioning control in the dash. If you turn the key on and the blower comes on, the wire is shorted, however yo mentioned that with the control amplifier unplugged the blower didn't work so it shouldn't be a short.
Was this
answer
helpful?
Yes
No
Saturday, August 15th, 2020 AT 3:21 PM
Tiny
DTDODD1422
  • MEMBER
  • 18 POSTS
The marked item and the third picture was replaced. When that is unplugged the fan does nothing. He took it to the dealer and they mentioned replacing this part which we have done then their second guess was the blower noted itself. So it sounds like it has to be the control in the dash. We bought one off of eBay but when we plugged that one in we still have the same issue. Is it possible we just received another bad control?
Was this
answer
helpful?
Yes
No
Saturday, August 15th, 2020 AT 5:36 PM
Tiny
STEVE W.
  • MECHANIC
  • 15,615 POSTS
Possibly. Hard to know without testing it. To see if it's the blower you could put a simple lamp in place of it. Something like a headlight would work. If you turn the fan speed down and the light gets dim or almost goes out then it could be the blower, however if you adjust the fan speeds and the lamp stays bright it isn't the motor.
Was this
answer
helpful?
Yes
No
Saturday, August 15th, 2020 AT 6:31 PM

Please login or register to post a reply.