Wednesday, June 7th, 2023 AT 5:37 AM
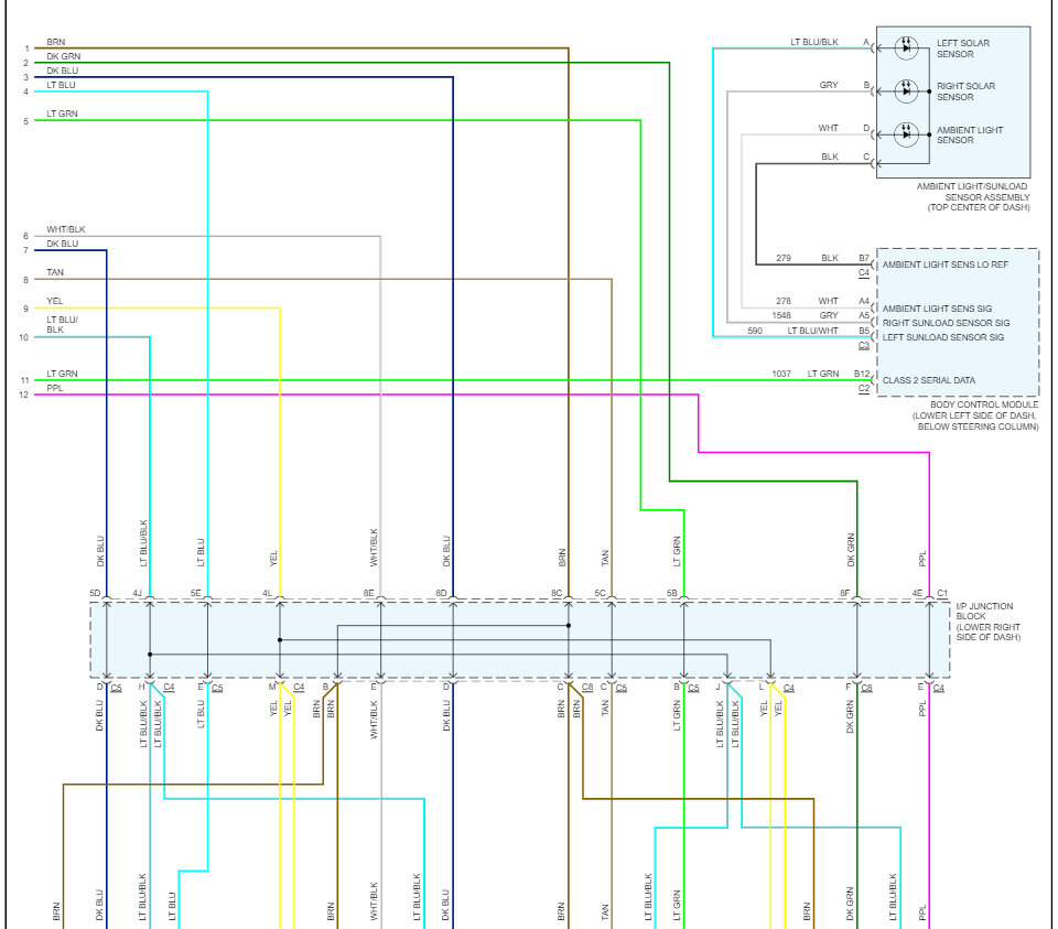
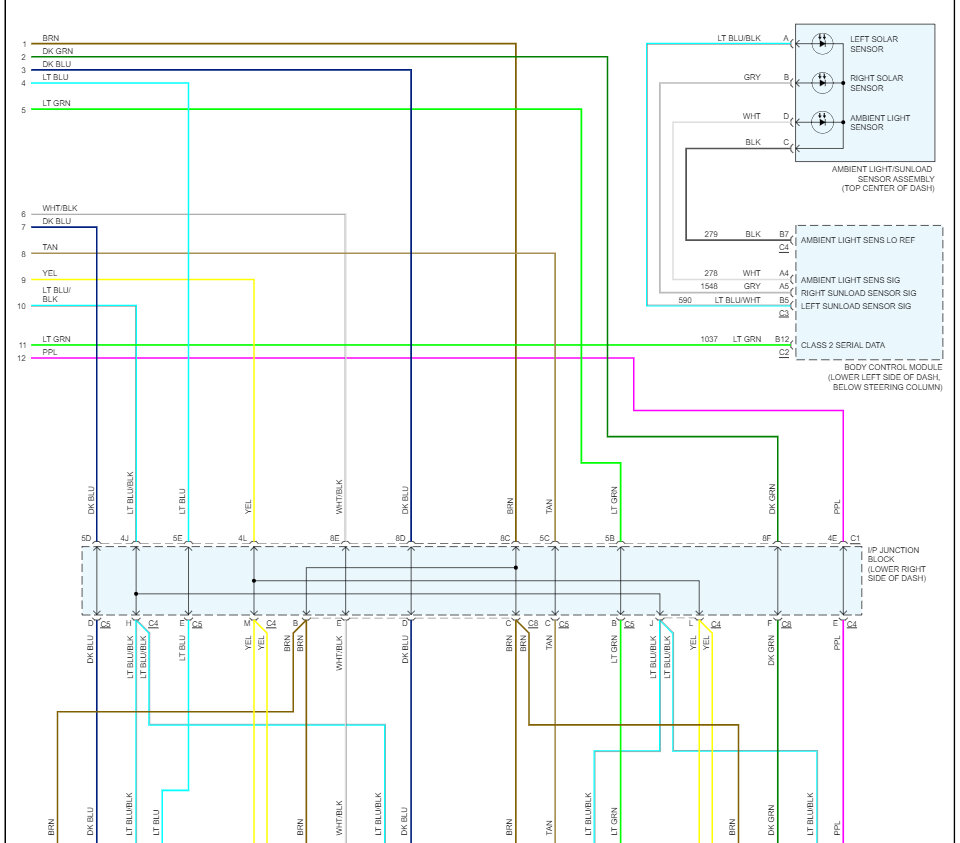
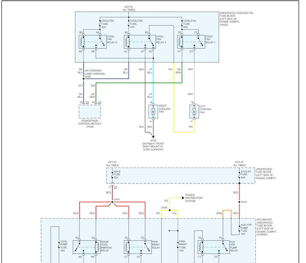
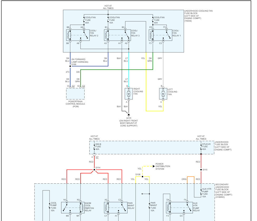
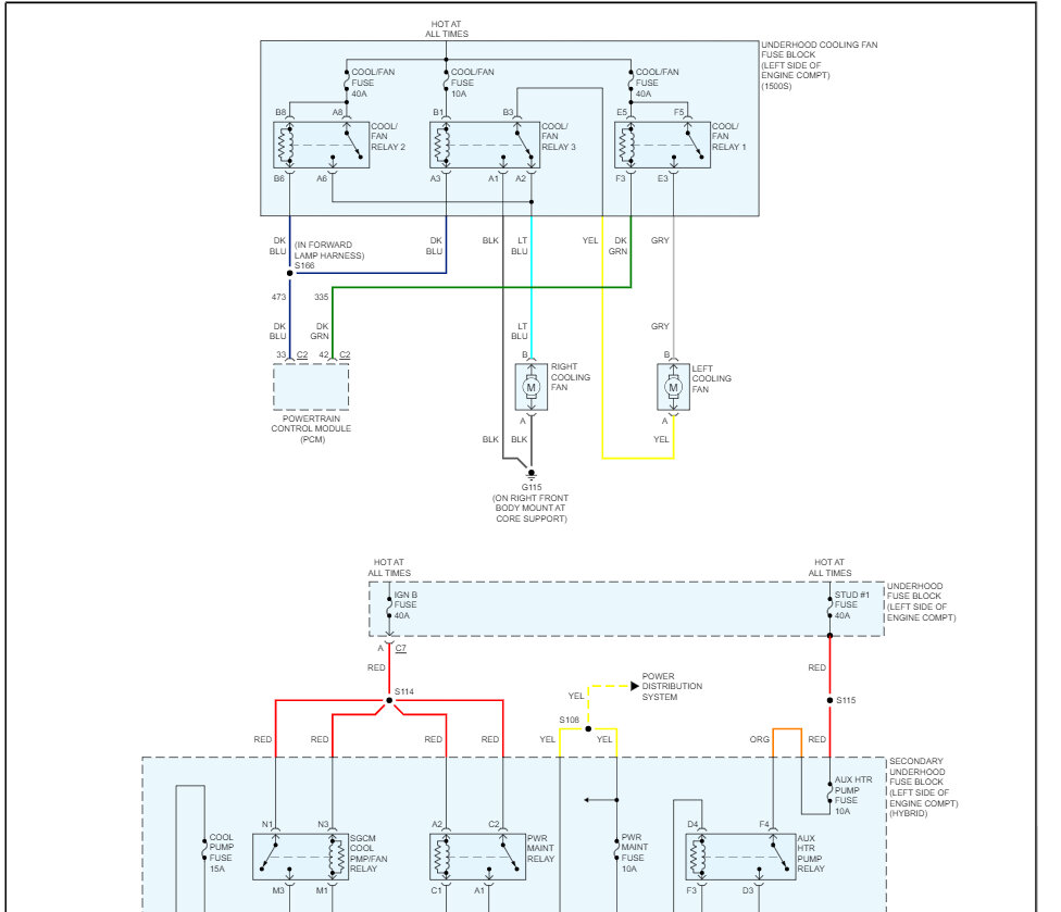
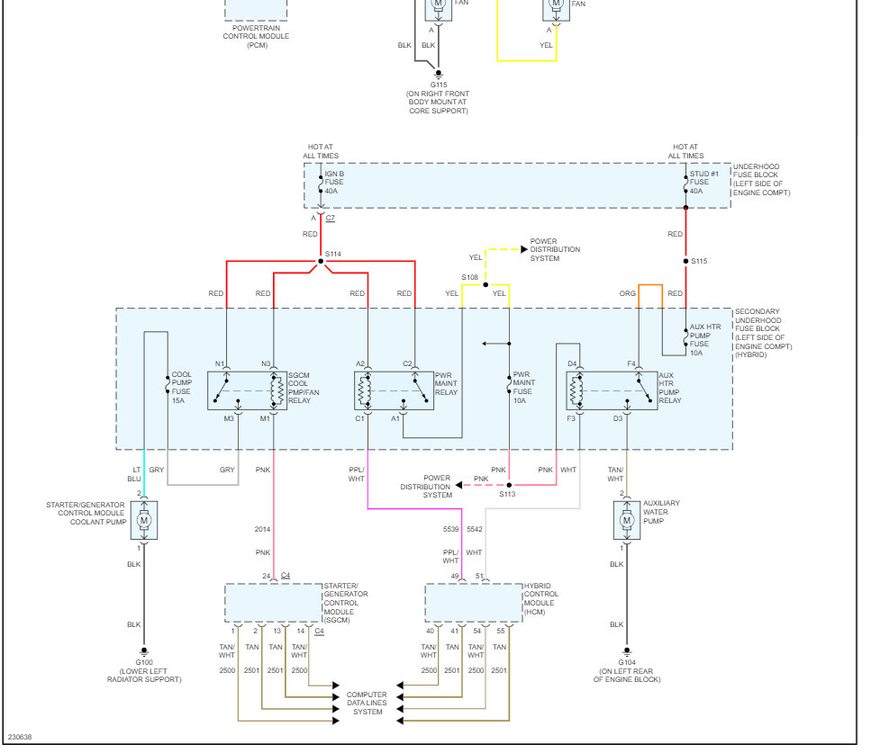
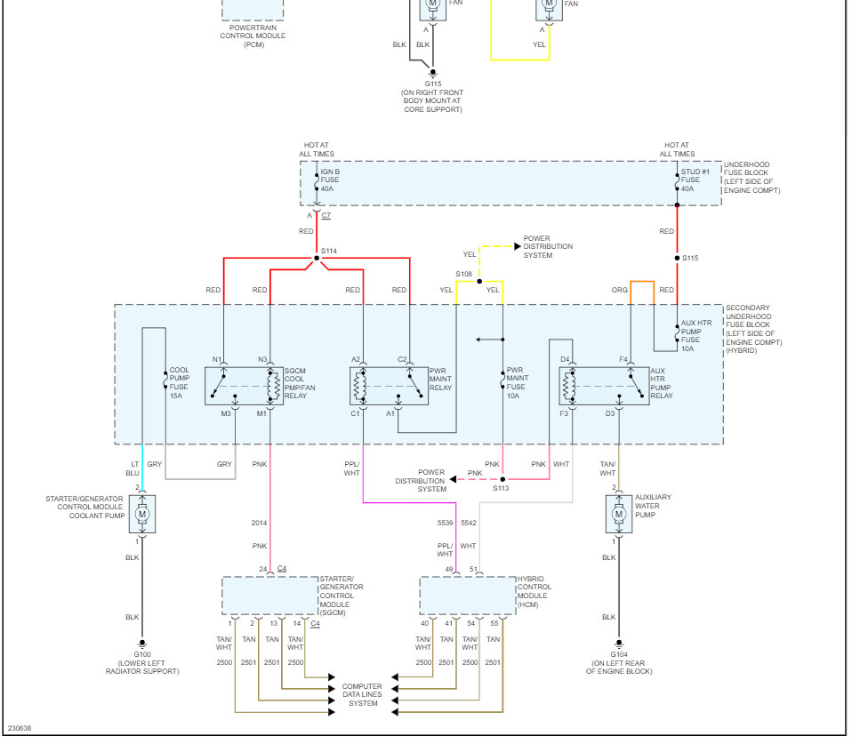
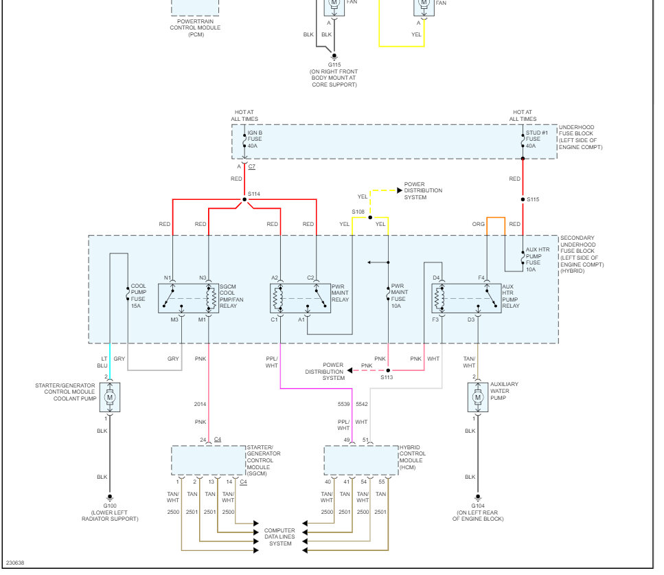
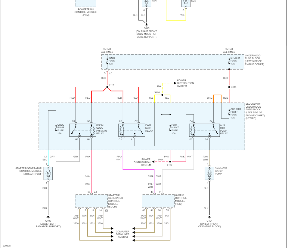
As the title states, they work intermittently. They either both work or they both don’t work. When they aren’t working, the fans won’t even come on to cool the radiator. High pressure switch has been replaced; low pressure switch has been jumped with no change as well as probed to verify the 5v reference. Relay has been swapped with other working relays from the truck. If I jump pin 30 to pin 87 for the compressor relay, the compressor will run. I have looked for issues with wiring from the fuse/relay blocks to the PCM and haven’t found anything yet. I’ve tried to see what wiring diagrams I could find online to see if there is a common ground or something that would make sense if the issue and the fans and compressor either working or not and pairing them up like this. For what it’s worth - this started when temperatures started rising this summer/spring. When temperatures were mild/warm, it was fine. When things really started heating up and the A/C was relied on more is when this started showing its head. Another note that may be irrelevant - I’ve had this truck for 7 years, a handful of times, the A/C compressor would kick out, stop running and I’d have to restart the truck to get it running again. Both then and now, A/C charge is good, both high and low side. I’m getting ready to try a new PCM and see if that solves any of my problems. Thanks!









