I ordered replacement parts including two different /AC control modules but my A/C clutch will not engage and therefore only have warm air coming out of my vents. All other functions of the A/C control module appear to work. Prior to the theft the A/C worked.
Superfluous Information, possibly:
-Truck has been used several times without the A/C control module or stereos installed.
-The dash trim was destroyed and bin in front of the center console where the cup holders was pulled out during the theft.
-Plugs for modules were likely roughly removed but appear to be in good shape.
Replacements electronic parts I have tried include:
-GM AC control module PN 25936132 (Used off Ebay).
-GM AC control module PN 25936131 (Used off Ebay).
-Alpine iLX-407 stereo with Maestro RR Control module.
-Original 2007 truck Stereo.
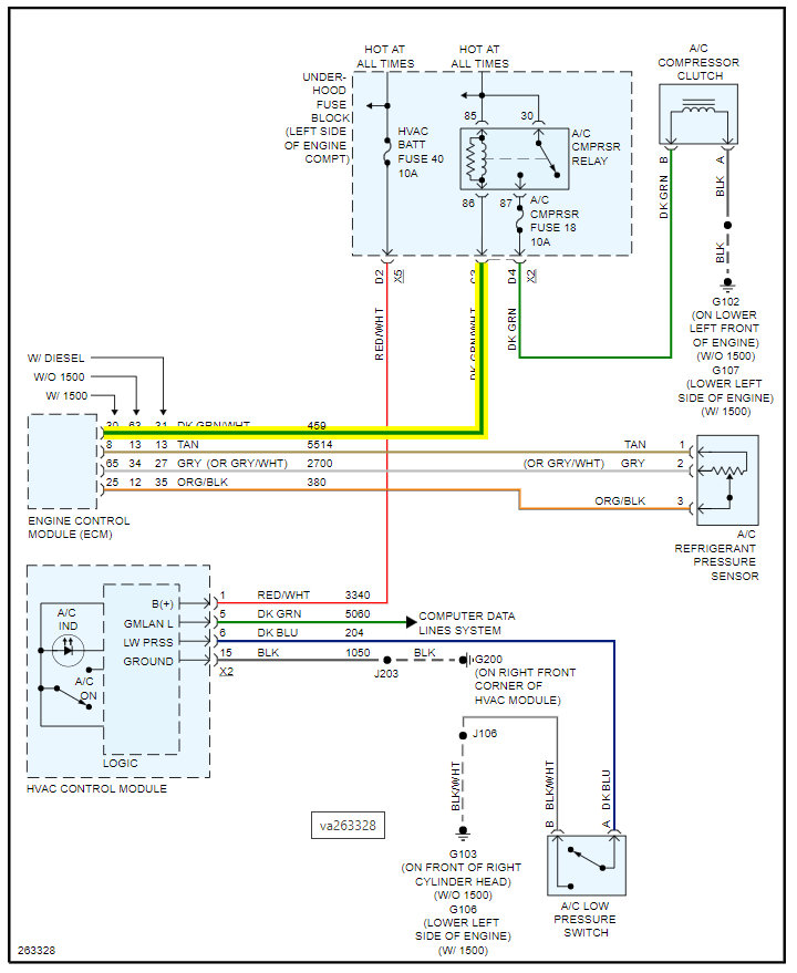
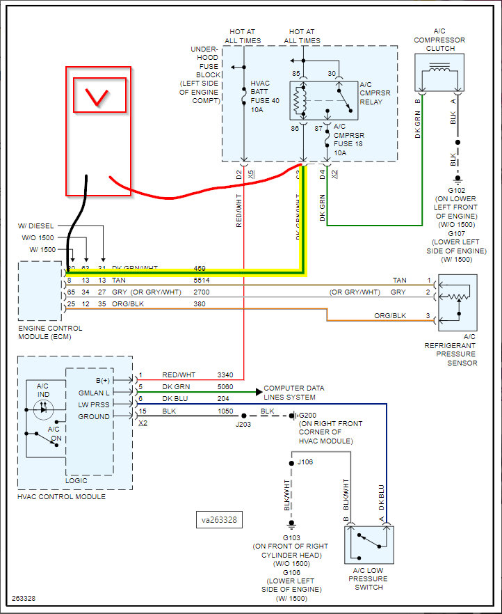
I found where Joe had posted wiring diagrams for a 2008 on this site at: https://www.2carpros.com/questions/a-c-compressor-not-engaging-57604804
and have tried to trouble shoot with no luck.
Trouble shooting:
1) I have tried both A/C modules with the new Alpine ILX-407 stereo, the original 2007 stereo and with no stereo installed with similar results.
2) I jumped out the A/C clutch relay from pins 30 to 87 and the clutch engages and AC begins to blow cold. I also swapped the fuel pump and fog light relays with the AC clutch relay, without success.
2.1) I have 14V on pins 30 & 85 of the AC clutch relay
2.2) I have continuity from pin 87 to ground
2.3) I do not have continuity from from pin 86 to ground with the A/C running. (problem, right?)
3) I checked the low pressure switch. It is closed (continuity through terminals) I also attempted to ground the dark blue wire directly to the battery with a jumper with no change.
4) I stupidly touched my jumper from the dark blue wire on the low pressure switch to the positive terminal and got a small spark. (Don't ask why I did that, I don't know SMH) Everything still works as it did/didn't before that, and I did not find any blown fuses.
5) With the low pressure switch connected, I confirmed I had continuity to ground at pin #6 on the A/C control module plug.
6) Checked for codes with my cheap Amazon BT code reader. Only had one that was a high voltage on the A/C compressor relay. I attributed this to my probing around with a jumper wire or #4 stupidity listed above. I reset it and haven't had it pop back up.
Questions:
1) Is the low pressure switch supposed to be closed when you have sufficient pressure?(See trouble shooting item #3)
2) What trouble shooting can I do on the high pressure switch?
3) I saw on the link I posted above that for actuators repairs on other model years a reset is required. Any reason I would need to do that?
4)Is the only communication between the A/C control module and ECM through GMLAN L (Pin 5, dark green wire)? If so is it safe to assume this is working correctly since my fan controls and actuators are working correctly?
5) Are Part numbers 25936132 and 25936131 interchangeable? Will they both work on my 2007.5? I have seen conflicting information.
6) Is is likely I got (1 or 2) bad used A/C control module that don't activate the A/C compressor?
I appreciate any help and have been impressed with previous support I have seen on this site.
Thanks,
Scott
Friday, September 17th, 2021 AT 5:50 AM





