A/C clutch not engaging

Tiny
FRO250
  • MEMBER
  • 52 POSTS
I could be wrong if the high pressures switch and low pressure switch are analog inputs.
Was this
answer
helpful?
Yes
No
Saturday, November 7th, 2020 AT 3:50 PM
Tiny
ASEMASTER6371
  • MECHANIC
  • 52,796 POSTS
Okay, does not change the results.

Roy
Was this
answer
helpful?
Yes
No
Saturday, November 7th, 2020 AT 3:56 PM
Tiny
FRO250
  • MEMBER
  • 52 POSTS
I bought a scanner. There wasn't any faults. A/C system passed. The low and high pressure switches passed. I even unplugged them to see if they would fail, and they did. I was able to force the compressor clutch on with the scanner, that also worked. How can I test the Computer Climate Control(HVAC control Module)? Please show me a Pin out for the Computer Climate Control. What else could hold out the A/C? Is there any inputs to the Computer Climate Control? Please provide diagram. Is there a wire connections, other than ones on the back of the PCM and the Computer Climate Control module that I could un plug and test from? The last picture shows the A/C Relay forced on.
Was this
answer
helpful?
Yes
No
Monday, November 16th, 2020 AT 12:49 PM
Tiny
ASEMASTER6371
  • MECHANIC
  • 52,796 POSTS
I posted the HVAC module pin for the pressure sensor back on the second page. That is the only control for the compressor. The module has nothing to do with the compressor coming on. The relay and the ECM are the controls.

We have already come back to the ECM 3 times now and the fact that you can ground it through the scan tool tells me the ECM refuses to do it on its own. This means again that it needs an ECM.

Roy
Was this
answer
helpful?
Yes
No
Monday, November 16th, 2020 AT 1:14 PM
Tiny
FRO250
  • MEMBER
  • 52 POSTS
We haven't ruled out everything that could be causing the problem. For instance if the outside ambient temperature is too low something doesn’t all the AC clutch to be activated. The scan tool didn't find anything wrong with the PCM, BUT it did indicate there wasn’t an AC request. I’m not going to replace the PCM before confirming everything else is operating correctly. Isn’t there a temperature sensor on the evaporator?
I didn’t ask you what Pin ID on the back of the PCM. I want a schematic of the computer climate control (it is the HVAC control interface in the dash) so I can see all connected equipment. While we are at it, I want a list of all the Pin IDs on that terminate at the PCM. Both connectors.

Here is the email I get form 2CarPros.com:

-Hi Fro250,

-Your car question has a new answer.

-Please visit the following link to view and reply to the answer:

-https://www.2carpros.com/questions/ac-clutch-not-engaging-full-charge-of-freon-relay-and/page/4/r/991709606

-Don't hesitate to ask additional questions or provide us with more information. We look forward to your response.

-Please note that the only way to reply back to us, is to use the link above.

-Best Regards,
-2CarPros.com

I didn’t ask you what Pin ID on the back of the PCM. I want a schematic of the computer climate control (it is the HVAC control interface in the dash). I want to be able to see all connected equipment. While we are at it, I want a list of all the Pin IDs that terminate at the PCM. Both connectors. Red and blue.

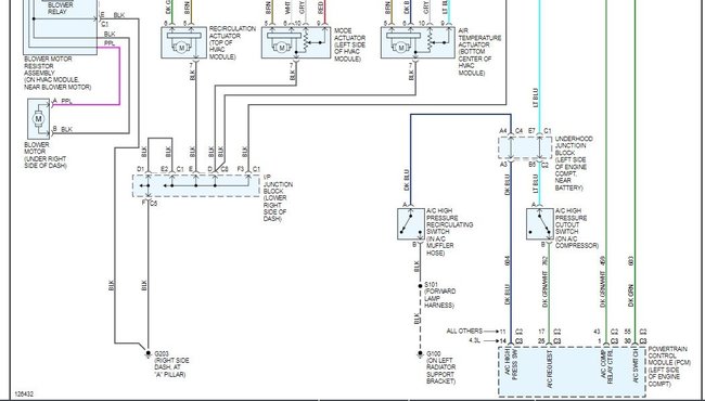
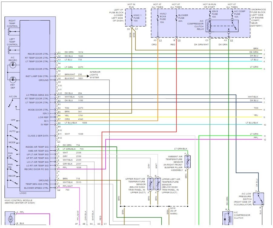
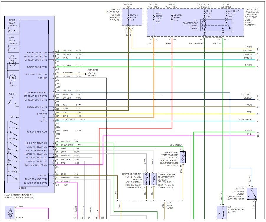
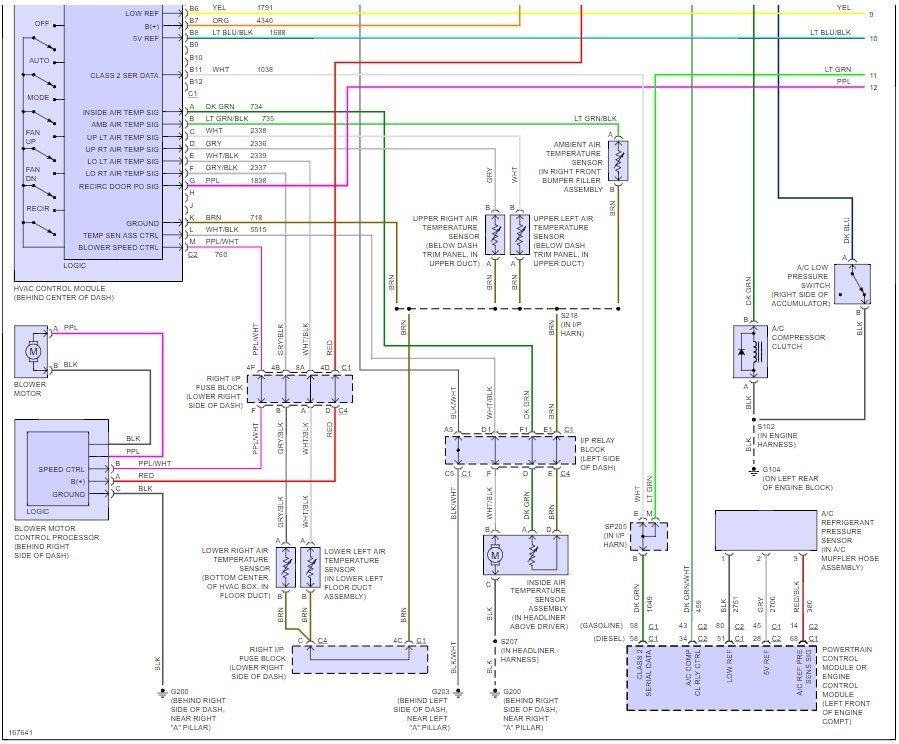
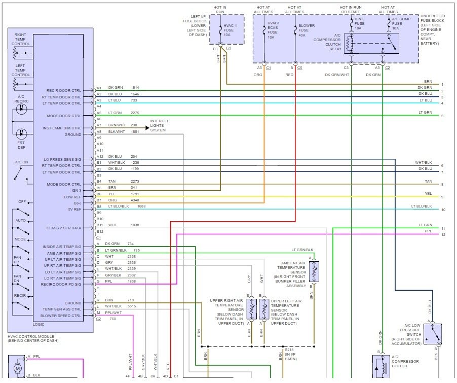
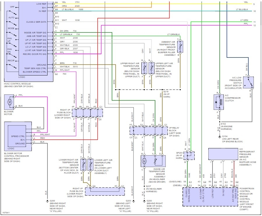
I have attached 2 images of examples of the schematic I'm looking for. Together they show the computer climate control and connected devices. Unfortunately these are not for my vehicle.
Was this
answer
helpful?
Yes
No
Tuesday, November 17th, 2020 AT 11:57 AM
Tiny
ASEMASTER6371
  • MECHANIC
  • 52,796 POSTS
Do you have automatic climate control?

Roy
Was this
answer
helpful?
Yes
No
Tuesday, November 17th, 2020 AT 12:23 PM
Tiny
FRO250
  • MEMBER
  • 52 POSTS
I'm not 109% sure but I think so. Here is a picture. There is a small vent in the head liner that I think is for sampling air temperature. I can give the last 8 digits of the VIN if that would help.
Was this
answer
helpful?
Yes
No
Wednesday, November 18th, 2020 AT 5:21 AM
Tiny
ASEMASTER6371
  • MECHANIC
  • 52,796 POSTS
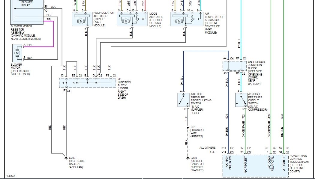
Okay, I attached the one for automatic climate control for you to view.

Roy
Was this
answer
helpful?
Yes
No
Wednesday, November 18th, 2020 AT 9:23 AM
Tiny
FRO250
  • MEMBER
  • 52 POSTS
Those 2 diagrams are mismatched or there is one in the middle that is missing.
Was this
answer
helpful?
Yes
No
Wednesday, November 18th, 2020 AT 11:41 AM
Tiny
ASEMASTER6371
  • MECHANIC
  • 52,796 POSTS
I attached the small missing portion of the diagram.

Roy
Was this
answer
helpful?
Yes
No
Wednesday, November 18th, 2020 AT 11:57 AM
Tiny
FRO250
  • MEMBER
  • 52 POSTS
It doesn't look like that diagram is for the computer climate control I have. Mine has 2 Auto settings, 14 position fan speed control.
Was this
answer
helpful?
Yes
No
Thursday, November 19th, 2020 AT 7:48 AM
Tiny
FRO250
  • MEMBER
  • 52 POSTS
I also have another temperature sensor in my headliner. The plastic escutcheon grill, which is round and about the size of a half dollar and located just above the driver to the left, is the interior ambient temperature sensor. The sensor is used in conjunction with the automatic HVAC (C68).
Was this
answer
helpful?
Yes
No
Thursday, November 19th, 2020 AT 7:57 AM
Tiny
FRO250
  • MEMBER
  • 52 POSTS
What is this sensor clipped onto the AC line downstream of the orifice? It is circled in red in both attached images. You can see the Low Pressure Switch to the right which is unplugged.
Was this
answer
helpful?
Yes
No
Thursday, November 19th, 2020 AT 8:49 AM
Tiny
ASEMASTER6371
  • MECHANIC
  • 52,796 POSTS
Yes, I see the switch.

What color wires are on the sensor attached to the high side line?

Roy
Was this
answer
helpful?
Yes
No
Thursday, November 19th, 2020 AT 9:31 AM
Tiny
FRO250
  • MEMBER
  • 52 POSTS
Brown and black.
Was this
answer
helpful?
Yes
No
Thursday, November 19th, 2020 AT 10:40 AM
Tiny
ASEMASTER6371
  • MECHANIC
  • 52,796 POSTS
Okay, I just went over the A/C diagram again and there is nothing in the system that has a brown and black wire attached to something.

Whatever it is, it has nothing to do with the A/C system which is what we are concerned about.

Roy
Was this
answer
helpful?
Yes
No
Thursday, November 19th, 2020 AT 12:45 PM
Tiny
FRO250
  • MEMBER
  • 52 POSTS
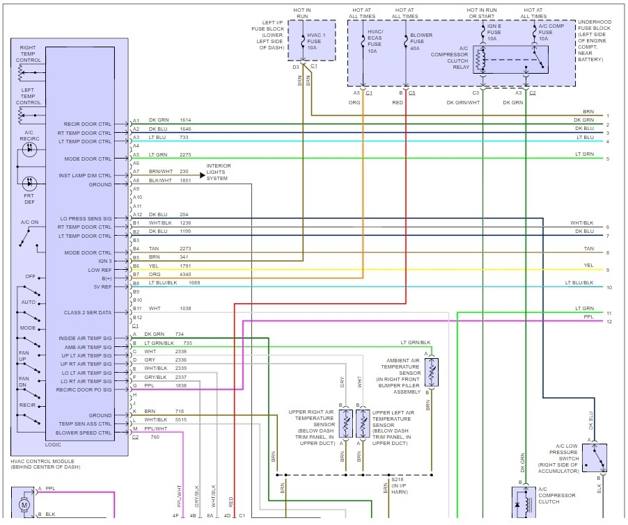
I don't think that diagram is the correct one for my vehicle. That at HVAC control module isn't the same as mine. The AC System makes up just on part of the HVAC system. It works together. Do you have access to provide proper diagrams? This latest diagram doesn't show the temperature that's in my headliner and the HVAC Control Module is different that mine.
Was this
answer
helpful?
Yes
No
Thursday, November 19th, 2020 AT 2:30 PM
Tiny
ASEMASTER6371
  • MECHANIC
  • 52,796 POSTS
What is your VIN number?

Roy
Was this
answer
helpful?
Yes
No
Thursday, November 19th, 2020 AT 2:45 PM
Tiny
FRO250
  • MEMBER
  • 52 POSTS
According to all the diagrams you have provided the A/C request comes from the HVAC control module, Through the A/C High Pressure Cut Out switch, to the PCM Pin 17. My scanner didn't find any trouble code. The scanner was able to toggle the AC relay proving that portion worked. The scanner reported a fault for the pressure switches when they were disconnected; it even said which switch was disconnected. The scanner also reported a low pressure fault code to the high pressure switch when I forced on the AC relay for too long during cold weather. The scanner indicates it's not getting the AC request. This makes me think it's not the PCM. I don't see anything in any of the info that indicates a faulty PCM. What is the reason you are saying it is the PCM? My thinking is the computer control module isn't putting out an ac request.

What I need to know is how the computer climate control module works, and connected devices effect it's function and the devices are connected to the computer climate control module. There could be a HVAC input device causing the module not to put the ac request or maybe the computer climate control module is faulty or maybe it is the PCM, but until I know for sure before I replace something or get a PCM programed by the dealer.
Was this
answer
helpful?
Yes
No
Thursday, November 19th, 2020 AT 2:54 PM
Tiny
ASEMASTER6371
  • MECHANIC
  • 52,796 POSTS
I put up another diagram of the AC request. That light blue wire from the control head goes to the high-pressure switch.

You stated way back you had power there. The wire changes color to dark green/white as you see. Is there power at 17 with the connector disconnected? Look for power on the harness, not the ECM.

Roy
Was this
answer
helpful?
Yes
No
Thursday, November 19th, 2020 AT 4:14 PM

Please login or register to post a reply.