AC blows hot

Tiny
RAVENMICHELLE
  • MEMBER
  • 2002 BUICK CENTURY
  • 6 CYL
  • AUTOMATIC
  • 150,000 MILES
My AC will not turn on. It came on blowing cold for a mintue then went back to hot. The button you push to turn AC on and off doesn't light up the rear defrost does not either. I don't know what to look for.
Wednesday, May 8th, 2019 AT 10:18 PM

1 Reply

Tiny
SCGRANTURISMO
  • MECHANIC
  • 4,897 POSTS
Hello,

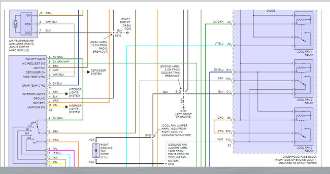
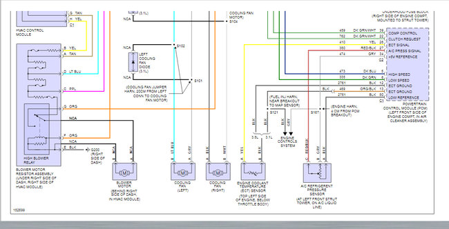
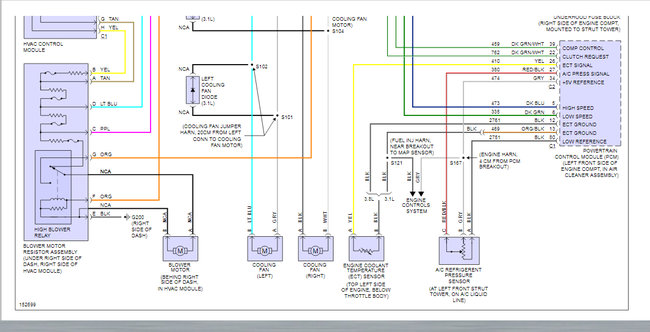
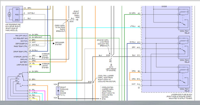
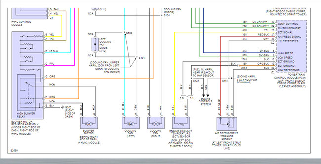
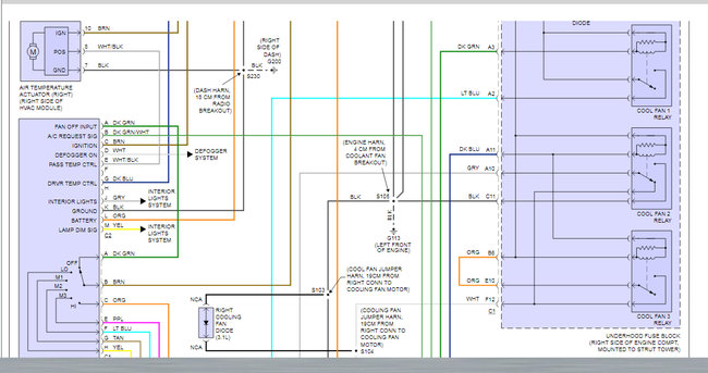
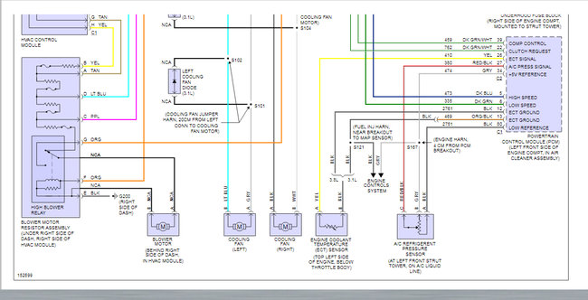
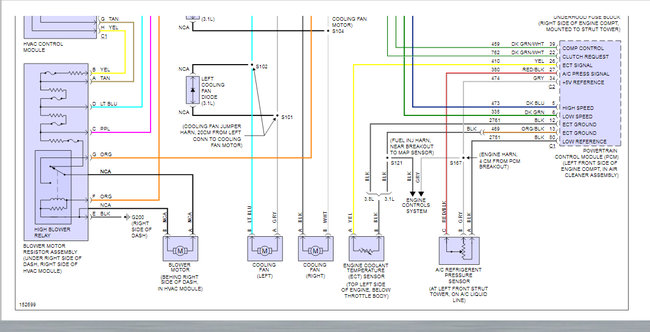
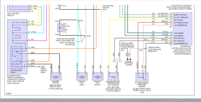
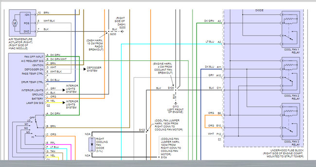
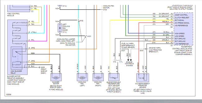
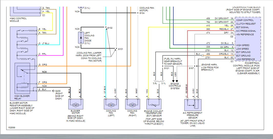
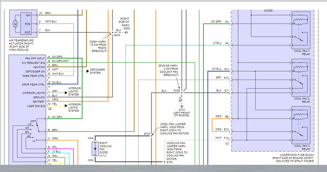
This could be a problem with your vehicle's Heating Ventilation and Air Conditioning (HVAC) fuse. It is a 10A fuse located in the instrument panel fuse block on the right hand side of the instrument panel. I have included in the diagrams down below a wiring diagram of your vehicle's A/C circuits, and the location and fuse diagram for the instrument panel fuse block. I have also included a link for you to go to below:

https://www.2carpros.com/articles/how-to-check-a-car-fuse

Please go through these guides and get back to us with what you are able to find out.

Thanks,
Alex
2CarPros
Was this
answer
helpful?
Yes
No
Wednesday, May 8th, 2019 AT 11:09 PM

Please login or register to post a reply.