A/C blowing hot air

Tiny
LOOKINGFOR
  • MEMBER
  • 2003 HONDA ACCORD
  • 1.4L
  • 3 CYL
  • 2WD
  • AUTOMATIC
  • 270,000 MILES
Having problem with my A/C blowing hot air. I don’t know what to do next.

• The compressor clutch is engaging.
• Changed the ac compressor relay, that didn’t work.
• Ac is charged with refrigerant.
• Both fans are working.

Would love your advise on what could be the issue and what to do next.

Thanks in advance.
Friday, May 24th, 2019 AT 8:04 AM

1 Reply

Tiny
ASEMASTER6371
  • MECHANIC
  • 52,796 POSTS
Good morning,

Can you give me the high and low pressures of the system while the AC is on? You can rent a set of gauges from a parts store if you do not have one.

https://www.2carpros.com/articles/car-air-conditioner-not-working-or-is-weak

The other possibility is the blend door. that is common but needs to be confirmed.

Roy

Mode Control Motor Replacement

4-door

1. Open the glove box. Remove the damper from the glove box, then let the glove box hang down.

imageOpen In New TabZoom/Print

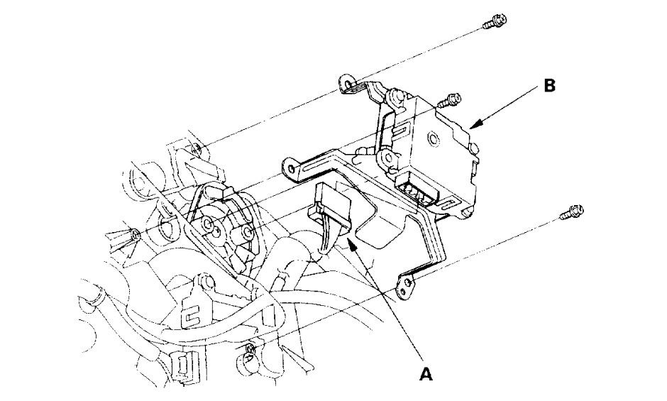
2. Disconnect the 7P connector (A) from the mode control motor (B). Remove the self-tapping screws and the mode control motor from the heater unit.
3. Install the motor in the reverse order of removal. After installation, make sure the motor runs smoothly.

2-door

1. Open the glove box. Remove the damper from the glove box, then let the glove box hang down.

imageOpen In New TabZoom/Print

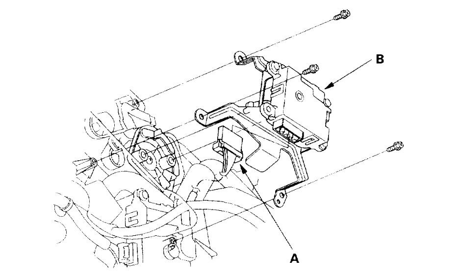
2. Disconnect the 10P connector (A) from the mode control motor (B). Remove the self-tapping screws and the mode control motor from the heater unit.
3. Install the motor in the reverse order of removal. After installation, make sure the motor runs smoothly.
Was this
answer
helpful?
Yes
No
Friday, May 24th, 2019 AT 8:24 AM

Please login or register to post a reply.