A/C blowing hot?

Tiny
SARNOLD
  • MEMBER
  • 2010 GMC ACADIA
  • 144,056 MILES
Replaced blend door actuator but still blowing hot. What else can I try?
Saturday, January 4th, 2020 AT 10:36 AM

7 Replies

Tiny
KASEKENNY
  • MECHANIC
  • 18,907 POSTS
Do we know that the AC system is fully charged? I would suggest we start with testing AC pressure with a gauge set. This will tell us what the issue could be.

Let me know what you find with the pressure and we can go from there. Thanks

https://www.2carpros.com/articles/re-charge-an-air-conditioner-system
Was this
answer
helpful?
Yes
No
Saturday, January 4th, 2020 AT 8:13 PM
Tiny
SARNOLD
  • MEMBER
  • 2 POSTS
AC and heat works perfectly in every other part of the car. Passenger side worked fine until car battery died couple months ago. Charged battery back up, but this side never started working right again.
Was this
answer
helpful?
Yes
No
+3
Saturday, January 4th, 2020 AT 8:45 PM
Tiny
KASEKENNY
  • MECHANIC
  • 18,907 POSTS
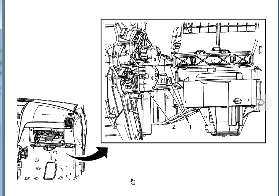
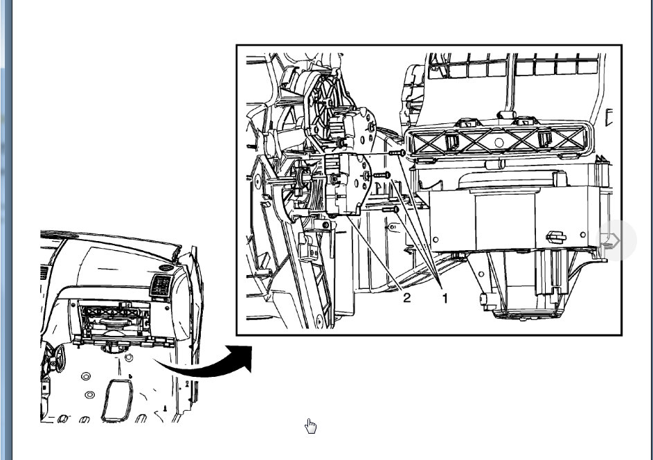
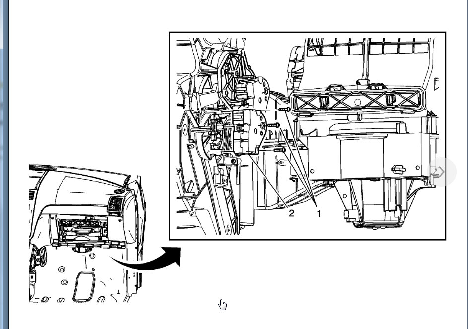
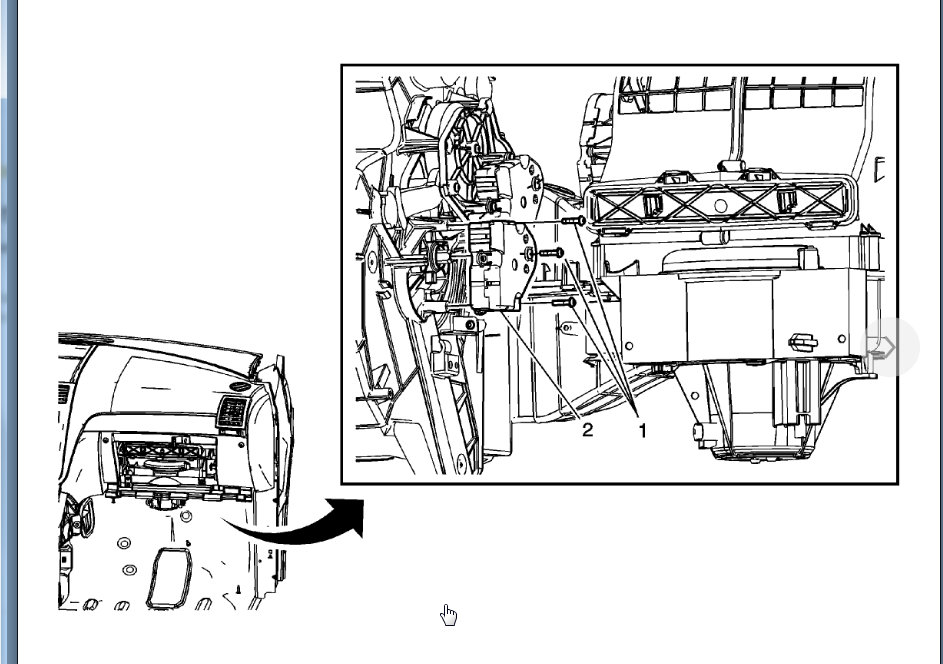
If the passenger side is the only one not working then the blend door is what would be causing it. You said you changed it but take a look at the diagrams and see if this is the one that you replaced. You have one on each side of the vehicle so I suspect this one didn't get replaced, isn't working or the door is the issue.

When you have it off, start the vehicle and run the AC, then move the door with your fingers and see if you can get hot and cold air out of the vents. If you can then the actuator is the issue. If not, then there is an issue further in the air box.
Was this
answer
helpful?
Yes
No
+1
Sunday, January 5th, 2020 AT 4:46 PM
Tiny
EDMOND MAIORINO
  • MEMBER
  • 1 POST
Hi kasekenny1. I’m having the same issue as Sarnold. My driver side blowing hot air, passenger side cold. (I want cold)

I’ve replaced the blend door actuator under the drivers side, per this diagram. This worked and cold air successfully blew out on the drivers side, however, it caused the right side to now blow hot air.

I figured this would be calibration, so I popped the HVAC b fuse for 2 mins. Ran battery for 2 mins to calibrate, then started the Chevy. My drivers side (with the new actuator) is blowing warm still. My passenger side (original actuator) is nice an cold.

What’s going on here?
Was this
answer
helpful?
Yes
No
+8
Wednesday, March 31st, 2021 AT 7:15 PM
Tiny
KASEKENNY
  • MECHANIC
  • 18,907 POSTS
Just want to make sure I understand that you had hot air on the drivers side when it was set to cold and the passenger side worked. Now you have the opposite after replacing the driver side actuator?
Was this
answer
helpful?
Yes
No
Thursday, April 1st, 2021 AT 6:55 PM
Tiny
MARIOGB
  • MEMBER
  • 32 POSTS
Hi kasekenny, is there a proper way of calibrating the blend door actuator once replaced? Im asking because iv had the same issue where driver side has warm air and passenger has cold so im hoping to replace the actuator and it fixes the problem, but want to make sure to properly calibrate it after install.
Was this
answer
helpful?
Yes
No
Thursday, July 3rd, 2025 AT 10:38 PM
Tiny
KEN L
  • MASTER CERTIFIED MECHANIC
  • 55,488 POSTS
Sure, here is the way to calibrate the blend door actuator. Check out the images (below). Let us know if you need anything else.
Was this
answer
helpful?
Yes
No
+1
Sunday, July 6th, 2025 AT 10:10 AM

Please login or register to post a reply.