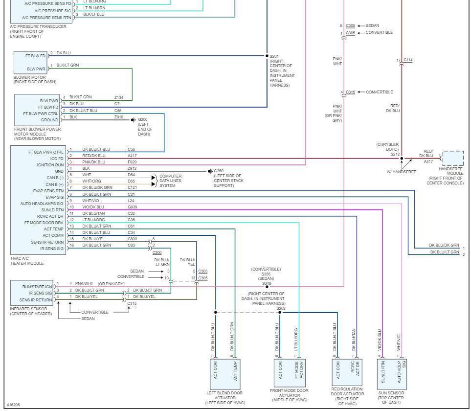
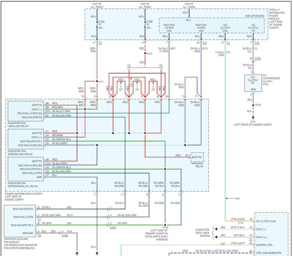
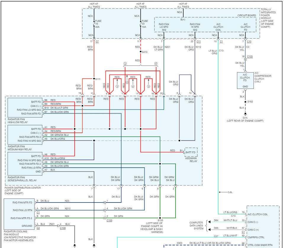
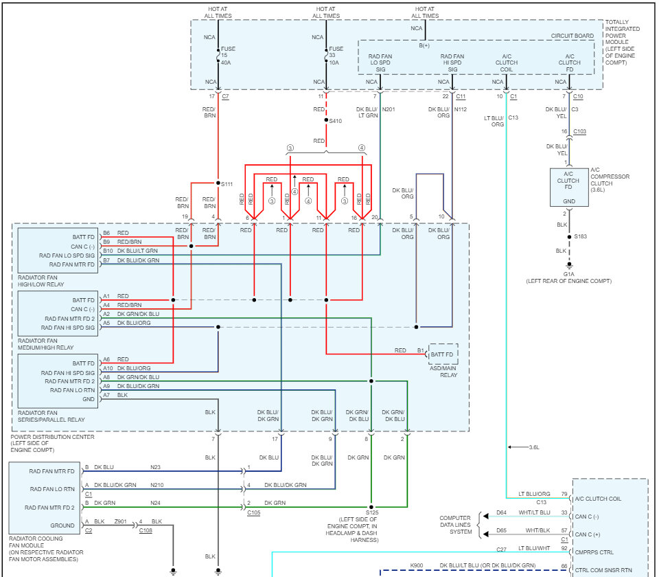
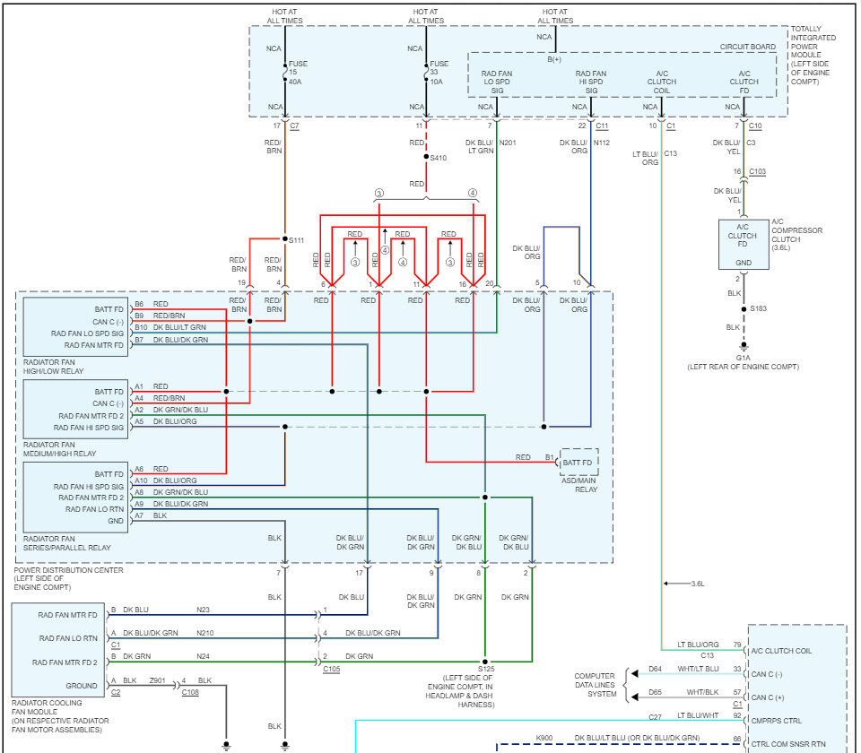
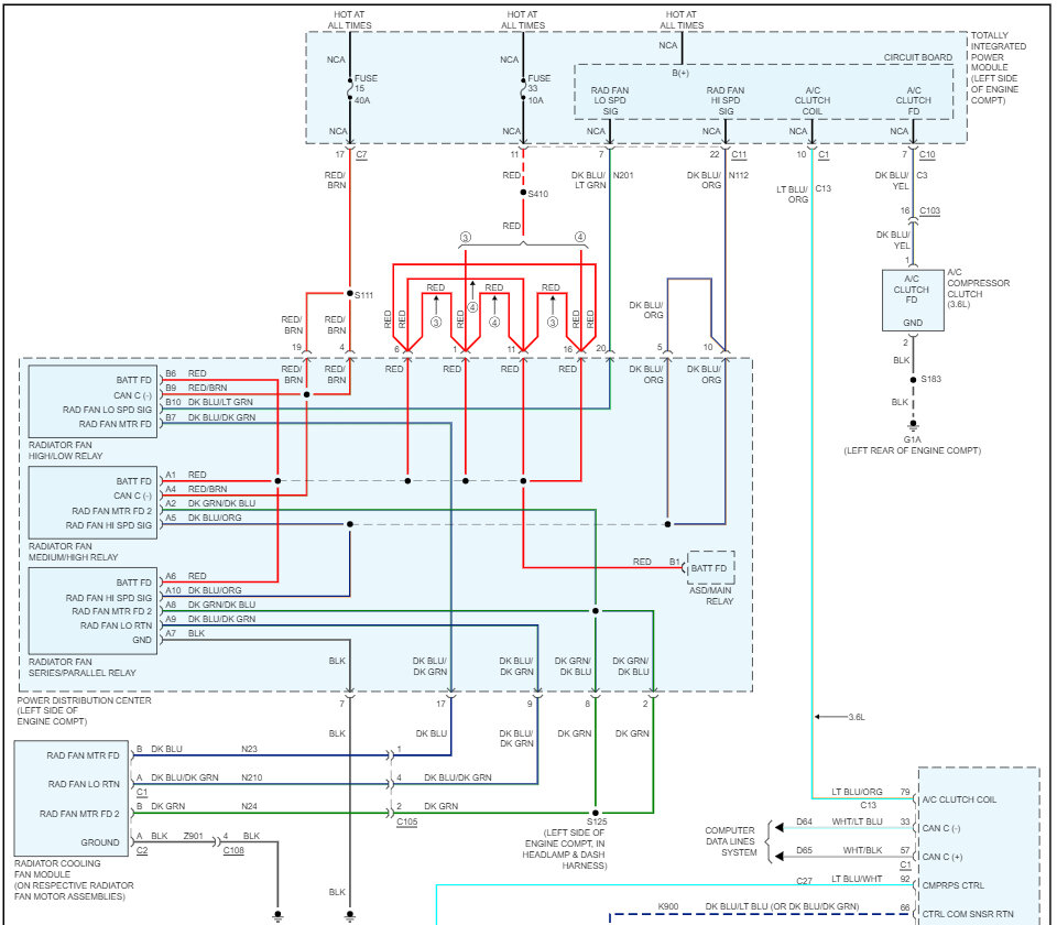
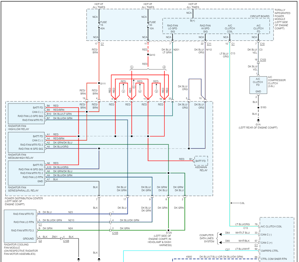
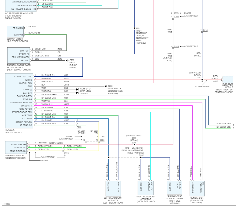
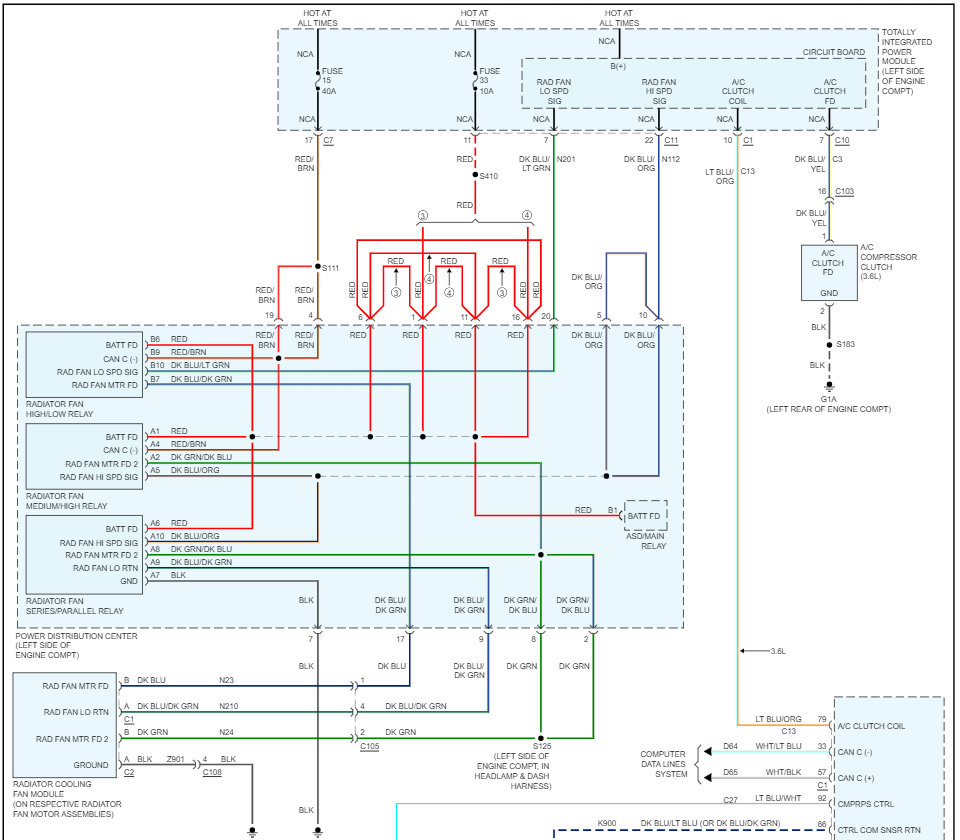
I live in AZ where it gets to be 120 degrees hot and I had my A/C go out, all at once with a light smell when it happened. I thought I blew the compressor. I took it to a mechanic; he told me that it was just the A/C blower resister. I went and grabbed the part and watched a video to R and R it. It seemed simple enough. I forgot one main thing though, I did not remove positive battery cable prior to removing old resister, and when I touched the screw that holds the resister in place it sparked. I then went and undid the cable and finished removing the old one and then put the new resister in. It does not blow. I know I must have shorted out something out when it sparked, but the fuses under the hood look fine. I can kind of hear/feel ac compressor wanting to work, but it does not blow at any fan speed, Including when it's just on vent. I used a Duralast JA549 Resistor as the replacement. What am I missing? Can you help me? I am a female wth a little knowledge, but not in this area at all. Thanks in advance for your time.
Thursday, June 15th, 2023 AT 10:11 AM










