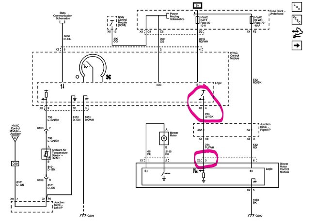
Wednesday, March 8th, 2023 AT 8:34 PM
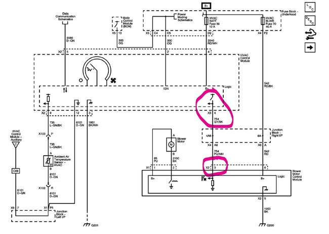
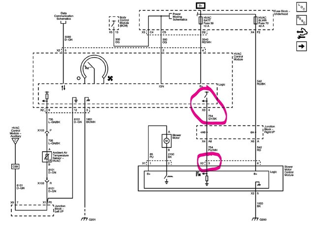
I went to Auto Zone and got another Fan Control Relay, and it is still doing the same thing. Both the Fan Motor and Resistor have been replaced by Firestone, however, the Fan keeps running. I was told that I might have to take it to an electrical shop to see what is going on.





