HVAC no air coming at any blower speed?

Tiny
BHAMDOC1973
  • MEMBER
  • 2008 VOLVO S80
  • 6 CYL
  • 2WD
  • AUTOMATIC
  • 152,000 MILES
How can I tell if it's the resistor or the blower itself?
Monday, May 22nd, 2023 AT 12:36 PM

4 Replies

Tiny
KEN L
  • MASTER CERTIFIED MECHANIC
  • 55,322 POSTS
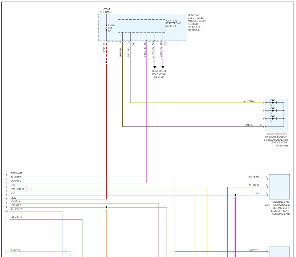
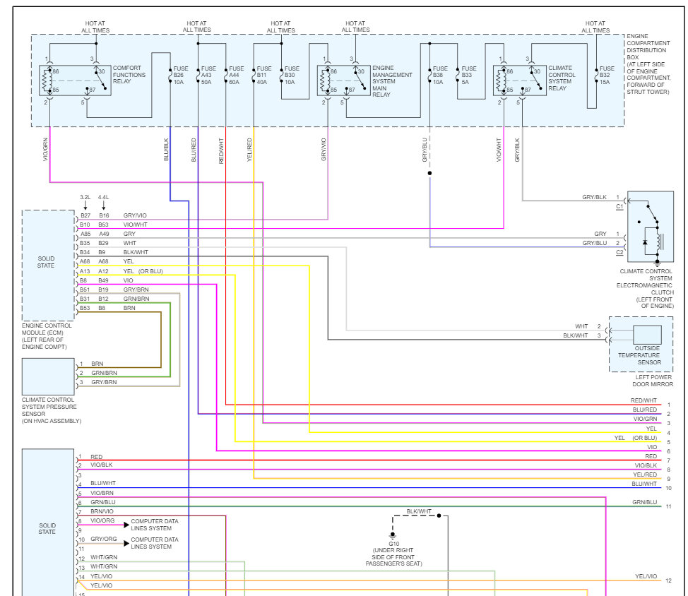
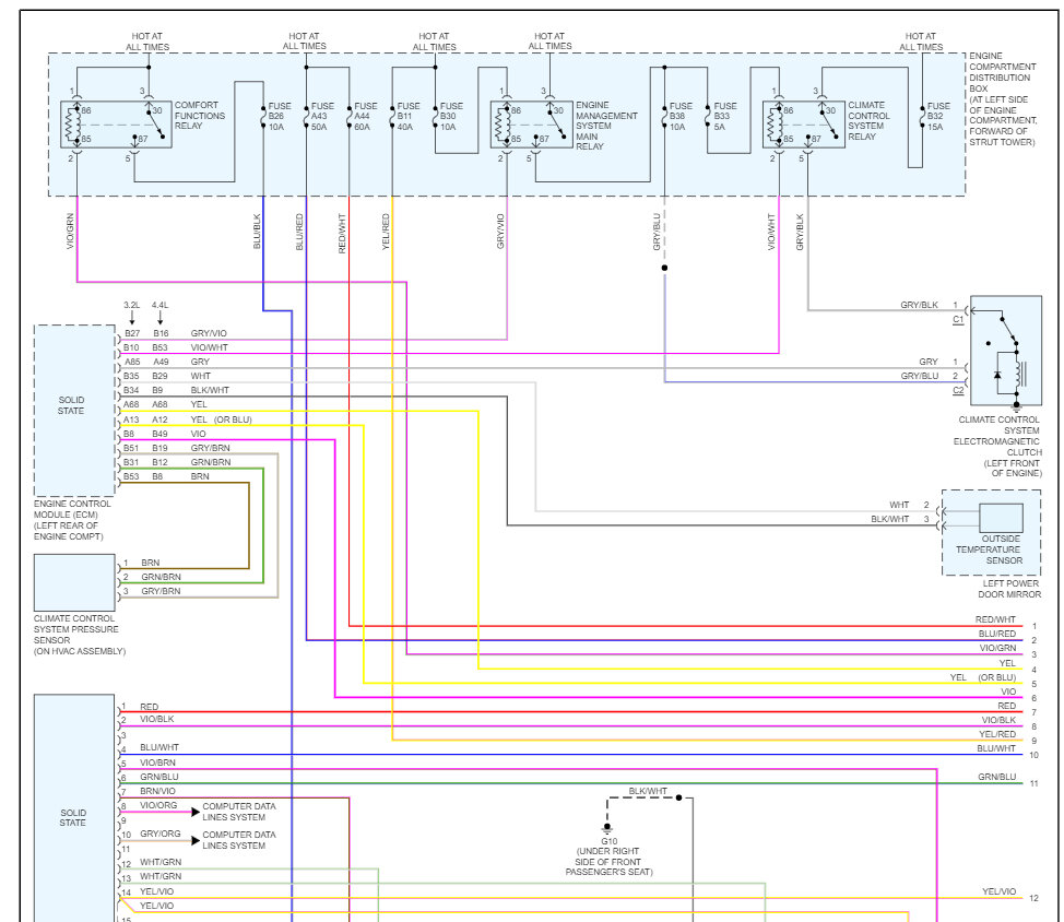
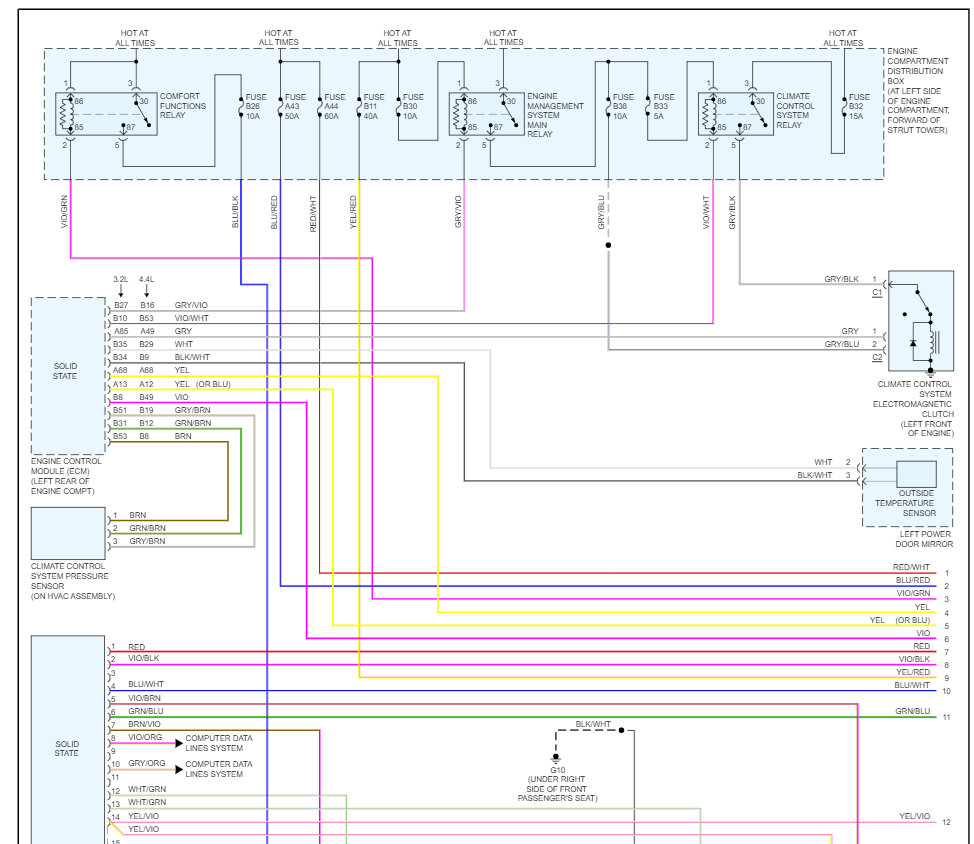
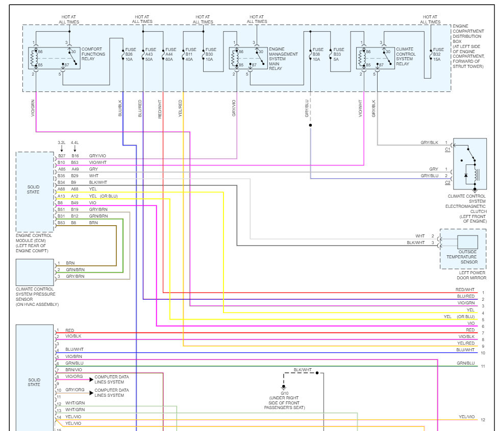
It looks like the fan resistor is on the backside of the HVAC housing. Here is a guide that will help you check the power and ground of the blower motor. I have included the wiring diagrams so you can see how the system works and the location of the blower motor and resistor so you can check them out.

https://www.2carpros.com/articles/blower-fan-motor-works-on-high-speed-only

Check out the images (below). Let us know what happens and please upload pictures or videos of the problem so we can see what's going on.
Was this
answer
helpful?
Yes
No
Monday, May 22nd, 2023 AT 6:20 PM
Tiny
BHAMDOC1973
  • MEMBER
  • 2,018 POSTS
Got it out and installed new one, tried it and it works. Now the damper case unit was damaged, pins cane off and broken. Am having hard time finding it. What is it called and if you can find me the part number for it?
It looks like this, has the flaps inside with pins and stuff
Was this
answer
helpful?
Yes
No
Thursday, May 25th, 2023 AT 8:52 AM
Tiny
BHAMDOC1973
  • MEMBER
  • 2,018 POSTS
Got it repaired and all is good.
Was this
answer
helpful?
Yes
No
Thursday, May 25th, 2023 AT 3:35 PM
Tiny
JACOBANDNICKOLAS
  • MECHANIC
  • 110,192 POSTS
Hi,

Thank you for the update. I'm glad to know it has been repaired.

Feel free to come back anytime in the future.

Take care,

Joe
Was this
answer
helpful?
Yes
No
Sunday, May 28th, 2023 AT 7:33 PM

Please login or register to post a reply.