Tuesday, August 7th, 2018 AT 5:28 PM
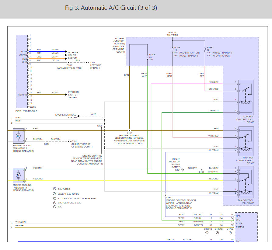
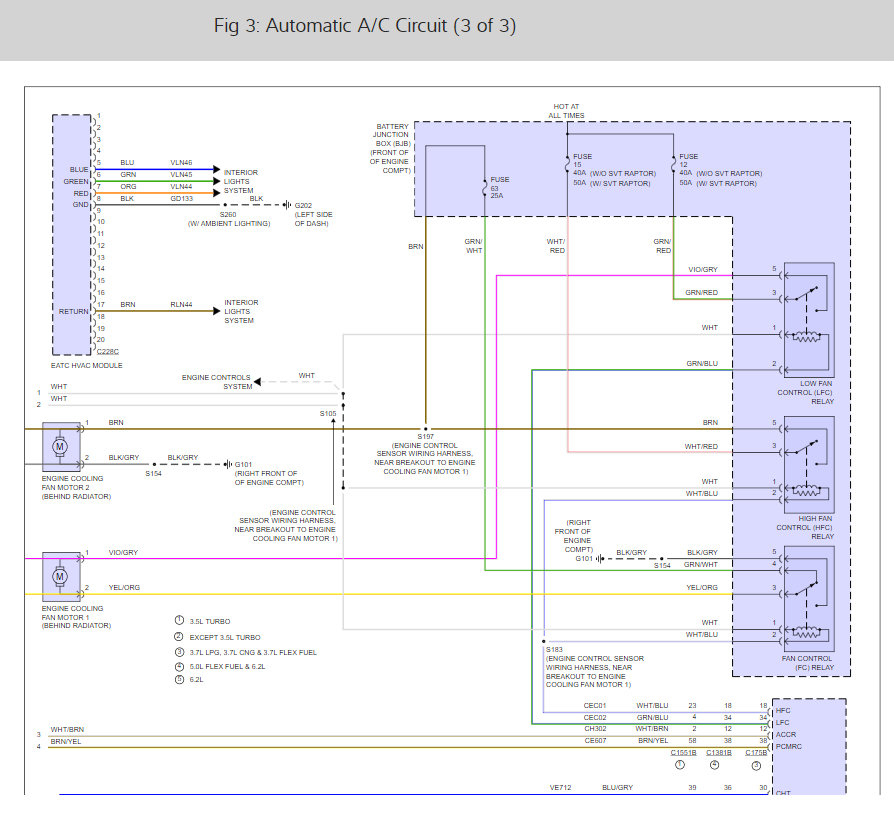
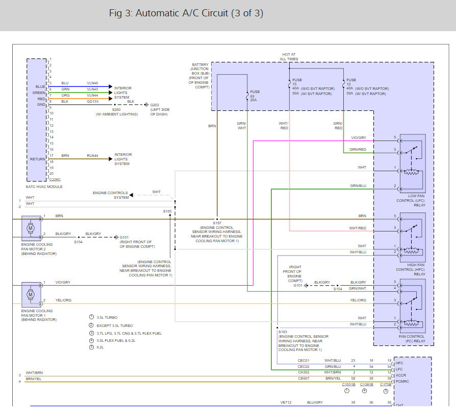
AC blower does not work on max speed. New resistor, motor and cable. Works on all other speeds. When max speed is selected, it blows for a moment and shuts off until a lower speed is selected. Old resistor had signs of overcurrent on one of the pins. That is why I replaced all components. System used to shut off at all speeds. Now, just highest setting fails.






