A/C wiring diagram

Tiny
GEORGE NYIRENDA
  • MEMBER
  • 2000 TOYOTA 4RUNNER
  • 3.0L
  • TURBO
  • 180,000 MILES
Hi, the A/C in my car is not working. When I push the A/C button the light comes on but compressor is not powered. Kindly help me with the circuit diagram for the said A/C amplifier above.

Regards,
George
Friday, October 18th, 2019 AT 4:00 AM

1 Reply

Tiny
KEN L
  • MASTER CERTIFIED MECHANIC
  • 55,322 POSTS
Hello,

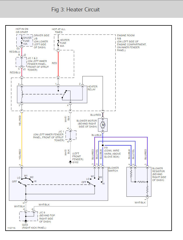
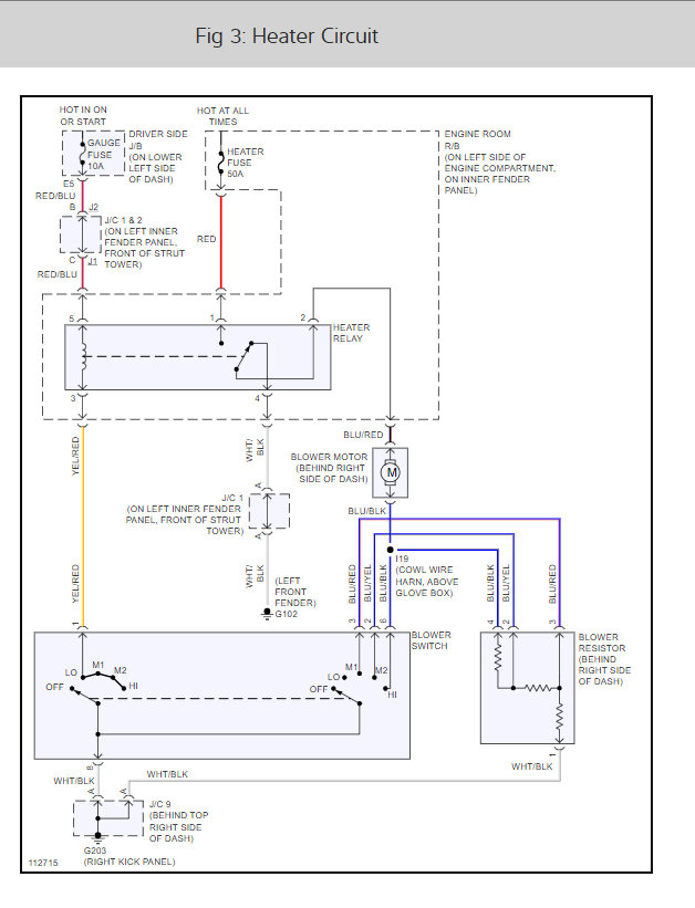
Here is a guide to help you with the testing and the air conditioner wiring diagrams below:

https://www.2carpros.com/articles/how-to-check-wiring

Check out the diagrams (below). Please let us know what you find.
Was this
answer
helpful?
Yes
No
Saturday, October 19th, 2019 AT 1:05 PM

Please login or register to post a reply.