XTooltipElement
Service Information
2001 Chevrolet Chevy K Silverado - 4WD | Sierra, Silverado, Suburban, Tahoe, Yukon (VIN C/K) Service Manual | Brakes | Antilock Brake System | Repair Instructions | Document ID: 720110
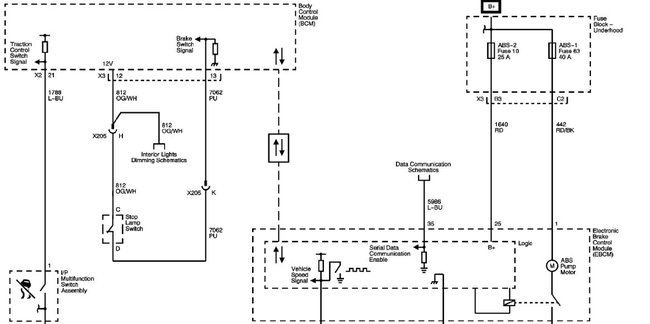
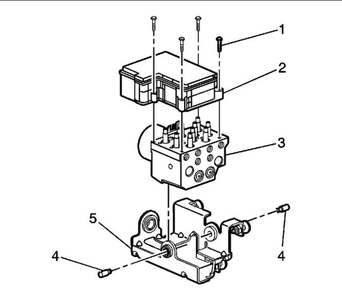
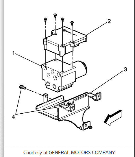
Electronic Brake Control Module Replacement
Removal Procedure
Important: After installation, calibrate the new EBCM to the tire size that is appropriate to the vehicle.
Caution: Unless directed otherwise, the ignition and start switch must be in the OFF or LOCK position, and all electrical loads must be OFF before servicing any electrical component. Disconnect the negative battery cable to prevent an electrical spark should a tool or equipment come in contact with an exposed electrical terminal. Failure to follow these precautions may result in personal injury and/or damage to the vehicle or its components.
Disconnect the negative battery cable.
Raise and suitably support the vehicle. Refer to Lifting and Jacking the Vehicle in General Information.
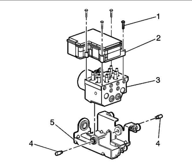
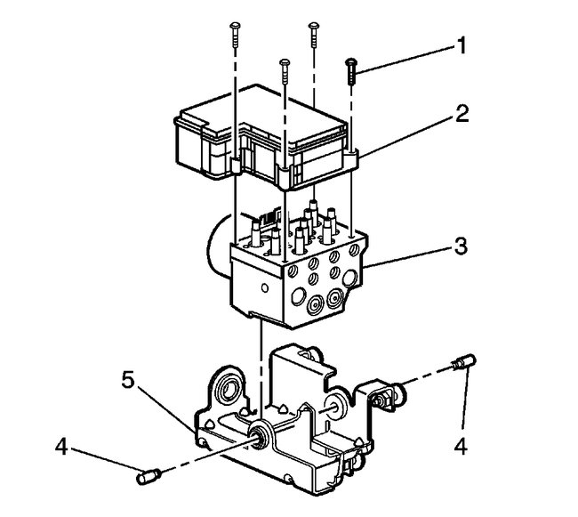
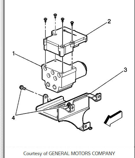
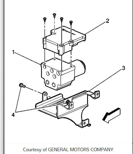
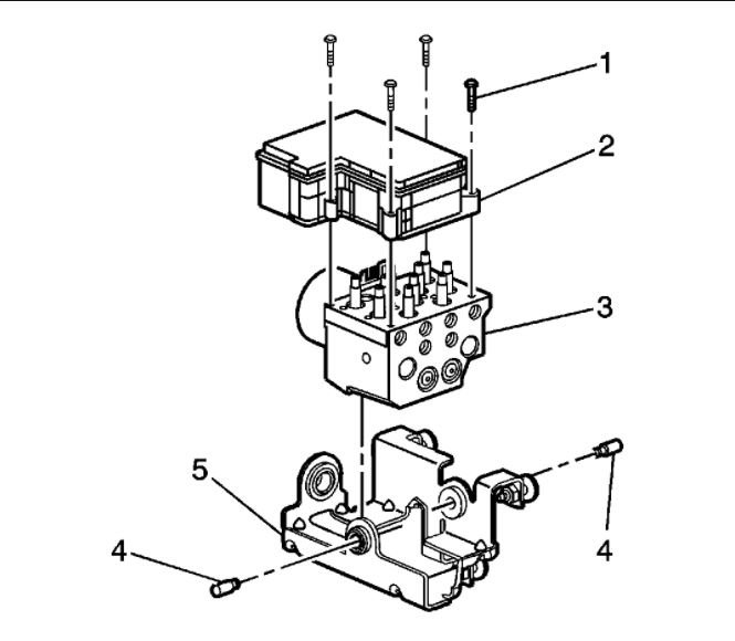
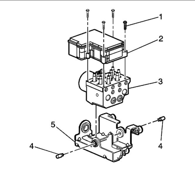
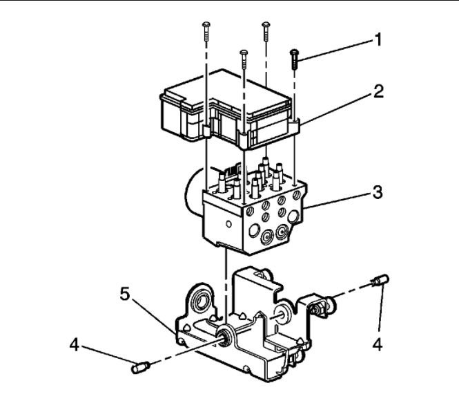
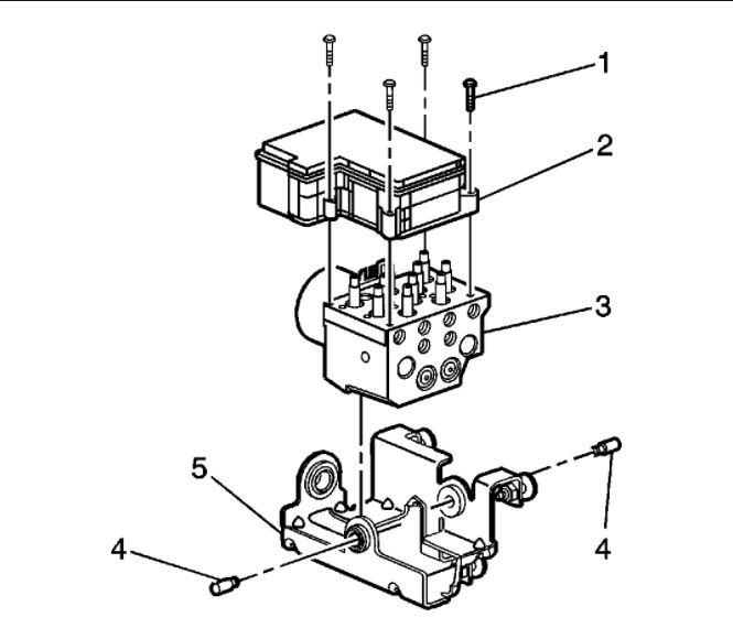
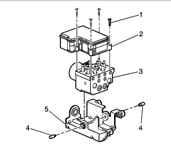
Important: The area around the EHCU MUST be free from loose dirt to prevent contamination of disassembled ABS components.
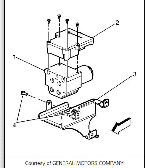
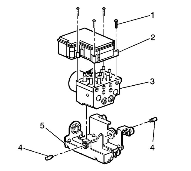
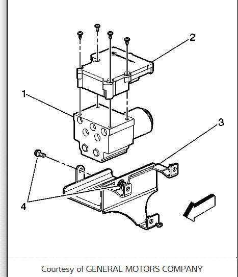
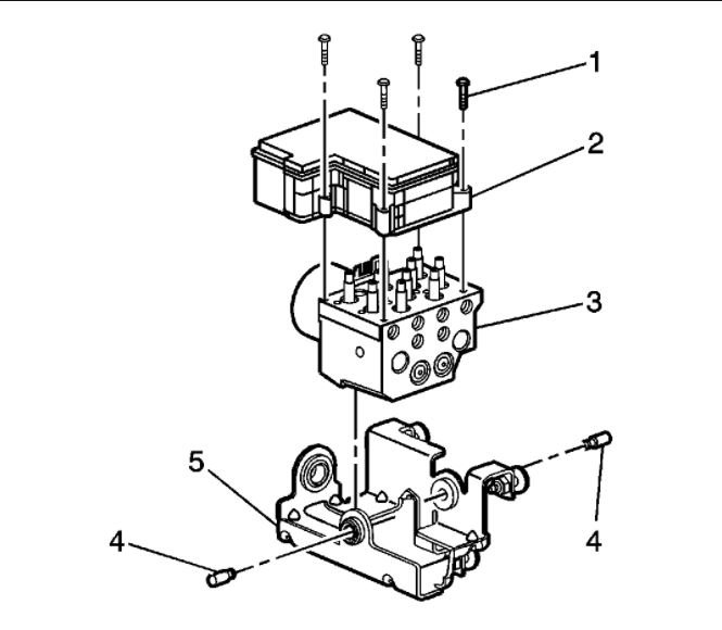
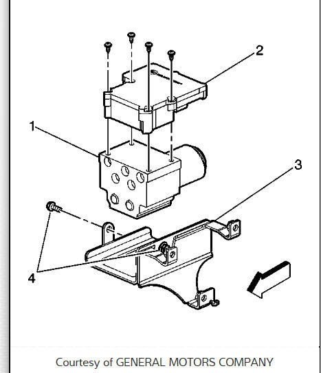
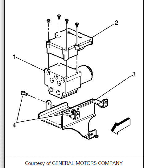
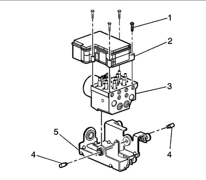
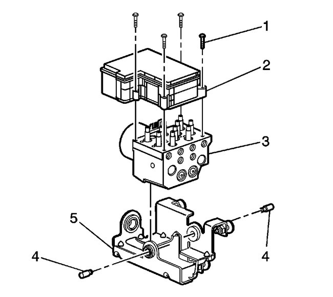
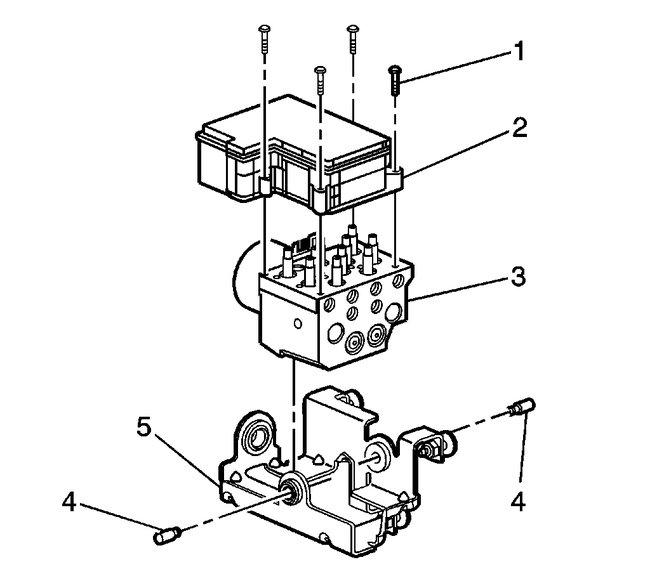
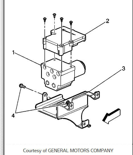
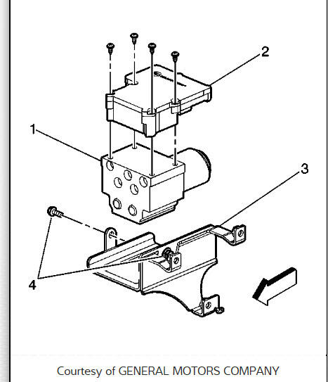
Thoroughly wash all contaminants from around the EHCU (1).
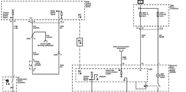
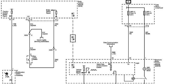
Disconnect the electrical connectors from the EBCM.
Loosen or remove the bolts (4) securing the EHCU mounting bracket (3) to the frame rail (5).
Gently move the EHCU down enough to remove the mounting screws that fasten the EBCM (2) to the BPMV (1).
Remove the EBCM (2) from the BPMV (1). Removal may require a light amount of force.
Important: Do not use a tool to pry the EBCM or the BPMV. Excessive force will damage the EBCM.
Clean the BPMV to EBCM mounting surfaces with a clean cloth.
Installation Procedure
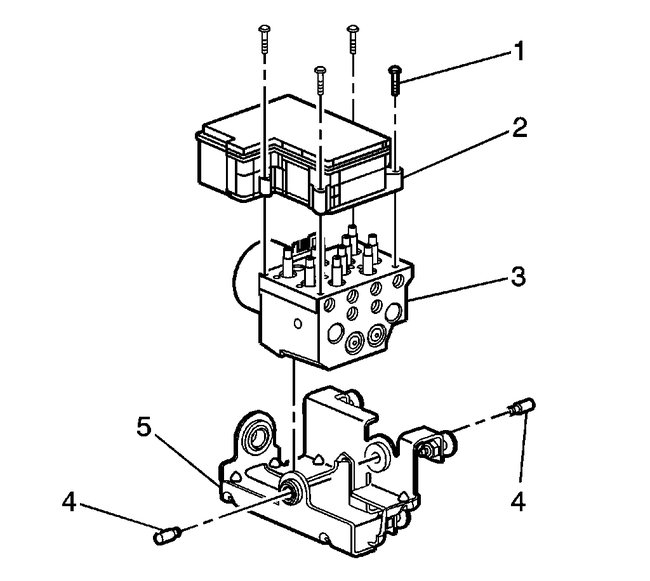
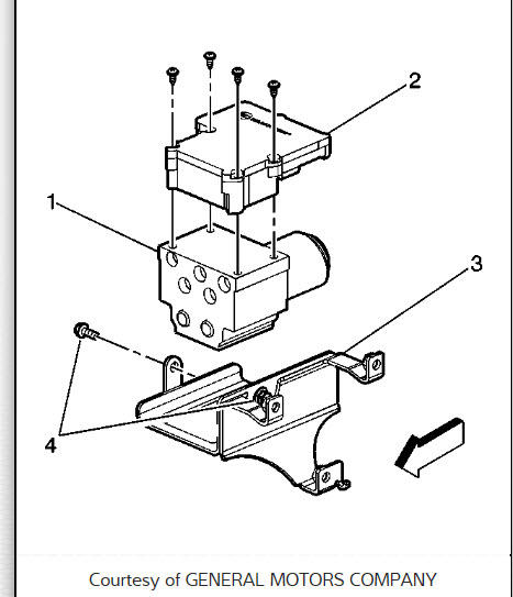
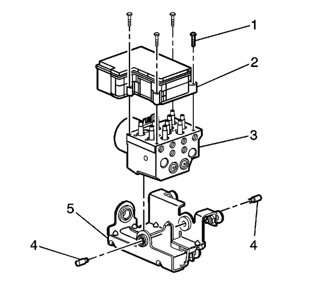
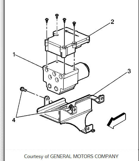
Important:
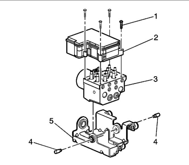
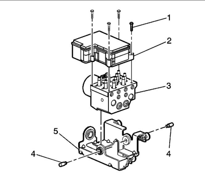
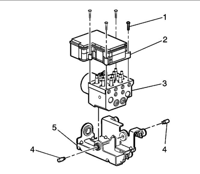
"Â Do not reuse the old mounting screws. Always install new mounting screws with the new EBCM.
"Â Do not use RTV or any other type of sealant on the EBCM gasket or mating surfaces.
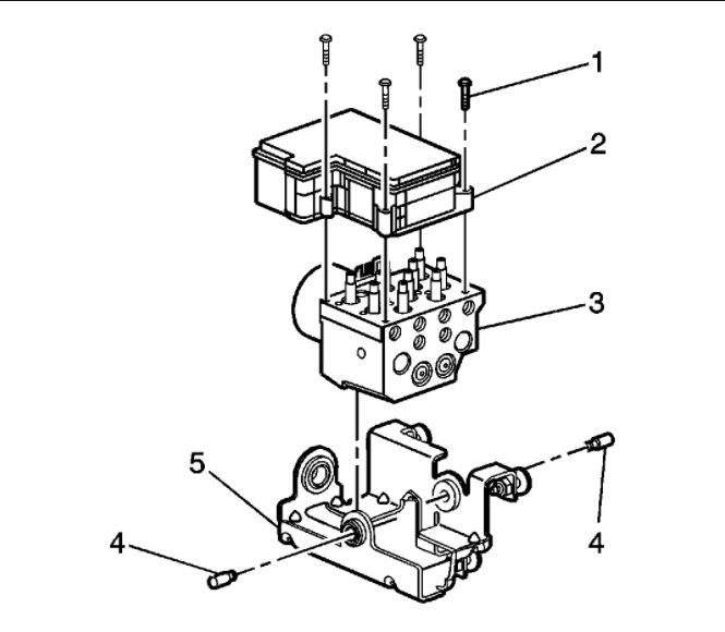
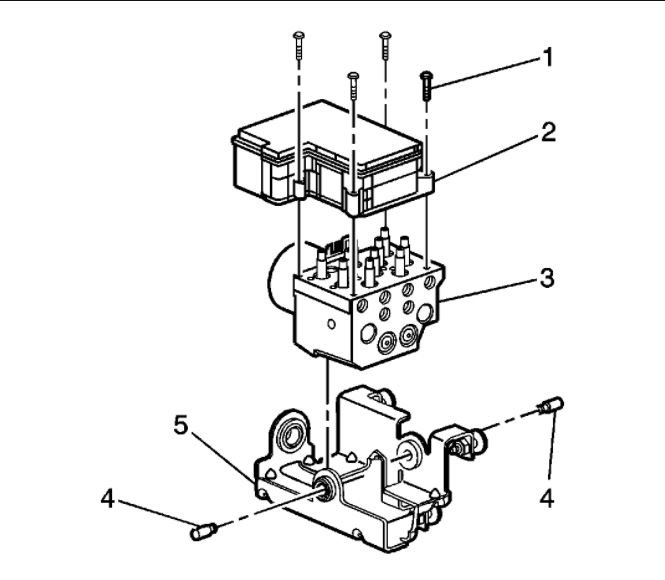
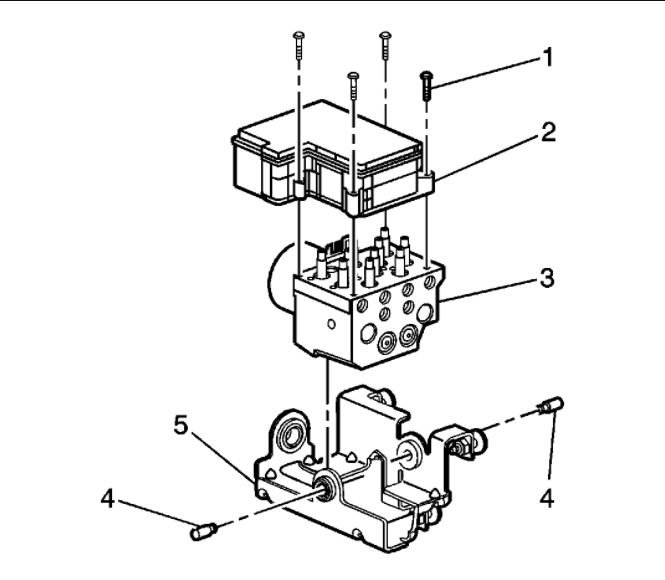
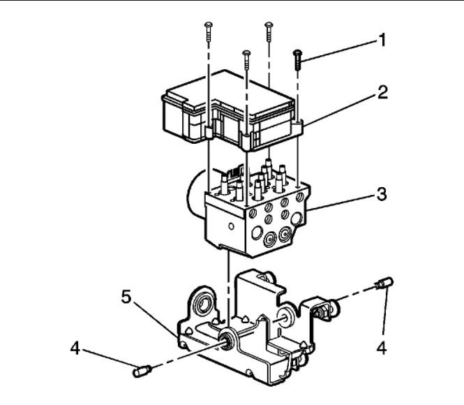
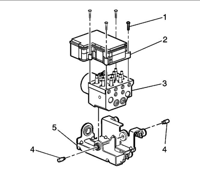
Install the EBCM (2) on to the BPMV (1).
Notice: Use the correct fastener in the correct location. Replacement fasteners must be the correct part number for that application. Fasteners requiring replacement or fasteners requiring the use of thread locking compound or sealant are identified in the service procedure. Do not use paints, lubricants, or corrosion inhibitors on fasteners or fastener joint surfaces unless specified. These coatings affect fastener torque and joint clamping force and may damage the fastener. Use the correct tightening sequence and specifications when installing fasteners in order to avoid damage to parts and systems.
Install the new screws in the EBCM (2).
Tighten
Tighten the screws to 5 N Â m (39 lb in) in an X-pattern.
Install or tighten the EHCU bracket mounting bolts (4).
Tighten
Tighten the EHCU bracket mounting bolts to 25 N Â m (18 lb ft).
Connect the electrical connectors to the EBCM.
Lower the vehicle.
Connect the negative battery cable.
Revise the tire calibration using the Scan Tool Tire Size Calibration function.
Return to Diagnostic Starting Point - Antilock Brake System .
© 2008 General Motors Corporation. All rights reserved.


Tuesday, February 23rd, 2021 AT 9:16 AM
(Merged)