ABS light on after sensor installation

Tiny
CANNON1349
  • MECHANIC
  • 2005 GMC ENVOY
  • 4.2L
  • 6 CYL
  • 2WD
  • AUTOMATIC
  • 201,500 MILES
Hi,

Had the ABS code read at a part store and they claimed that the code said that there was no wheel speed signal. So I replaced the sensor for it. Two years ago this hub/bearing assembly was replaced and I assume a sensor came with it. Any ideas?
Tuesday, June 25th, 2019 AT 11:30 AM

9 Replies

Tiny
CARADIODOC
  • MECHANIC
  • 34,463 POSTS
If you read the fault code properly, you'll see they never say to replace a part or that one is bad. Fault codes only indicate the circuit or system that needs further diagnosis. When a part is referenced in a fault code, it is actually the cause of that code about half of the time, but in this case, a more common cause is rust build-up under the sensor. That rust pushes the sensor away from the tone ring. That reduces the strength of the signal to the point the computer can't read it.

I agree it's not likely a sensor will fail in two years. A better suspect would be corrosion on connector terminals, or a damaged flexible cable going to the sensor. The best way to tell is to start with a continuity check of the entire circuit, right from the computer connector.

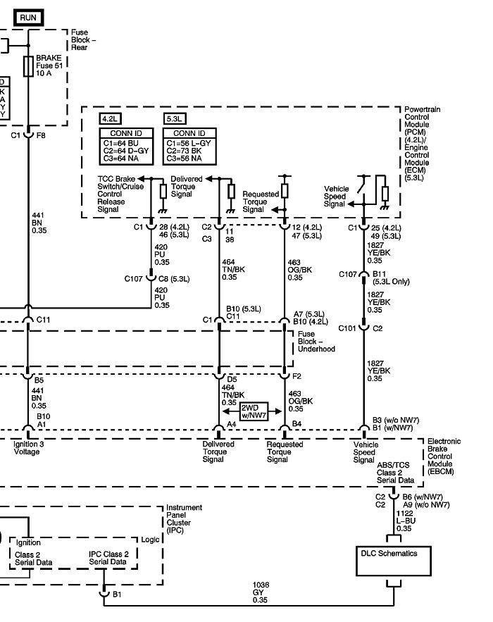
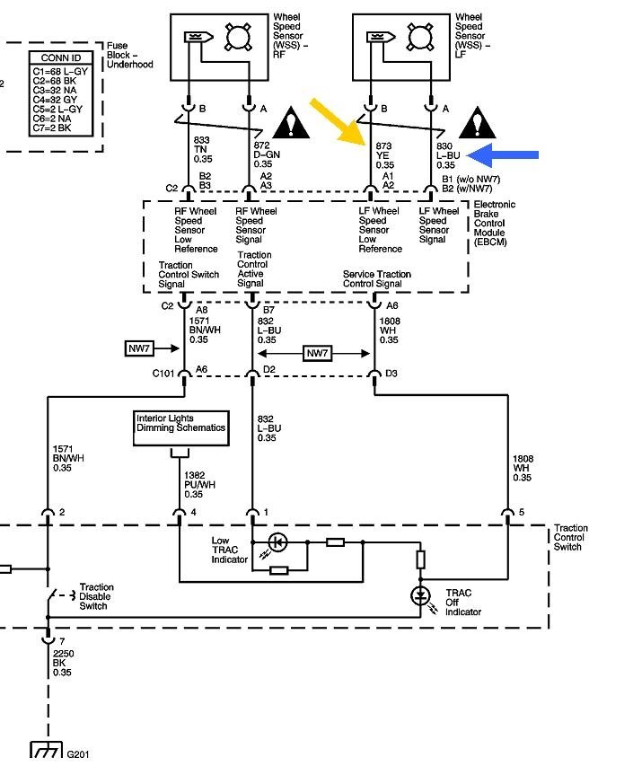
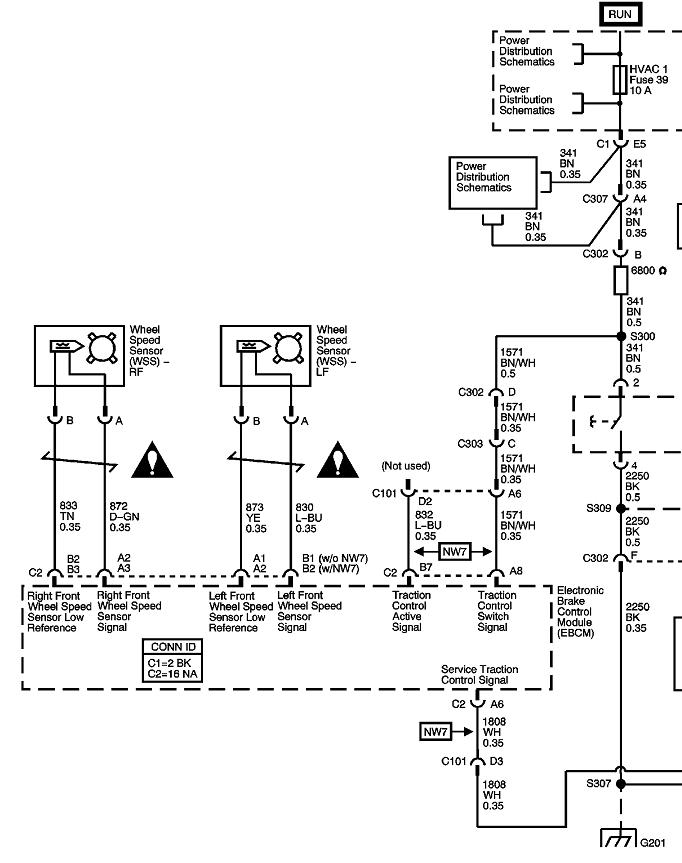
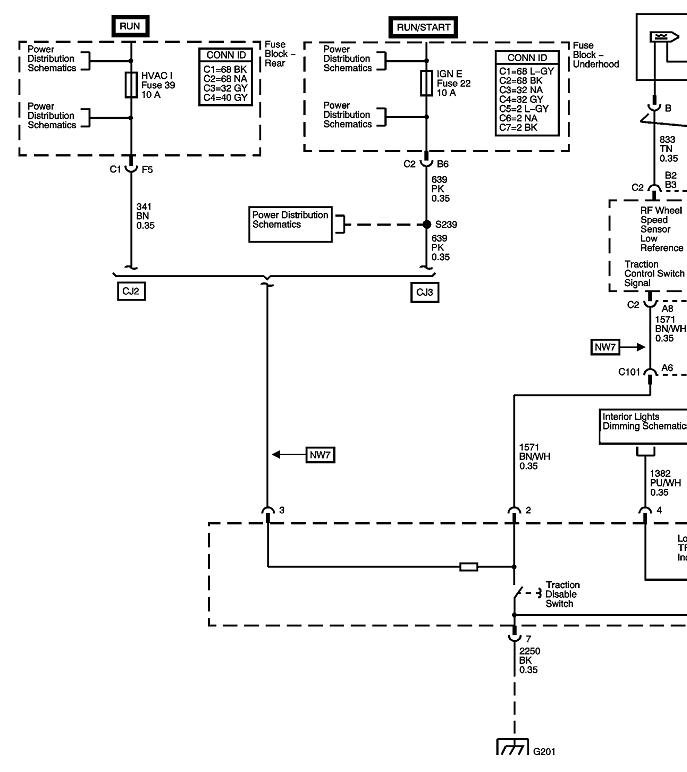
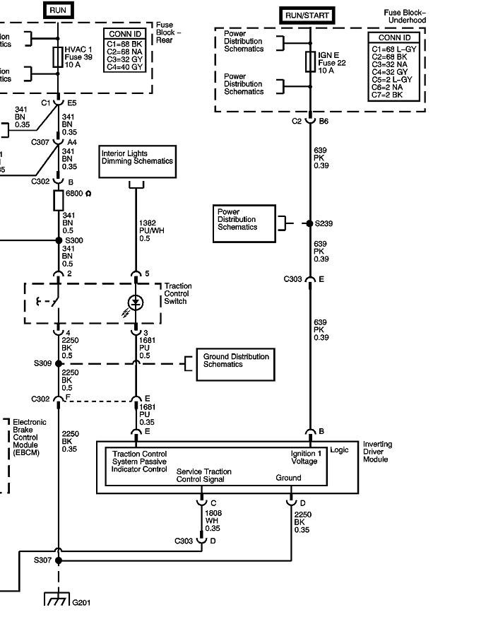
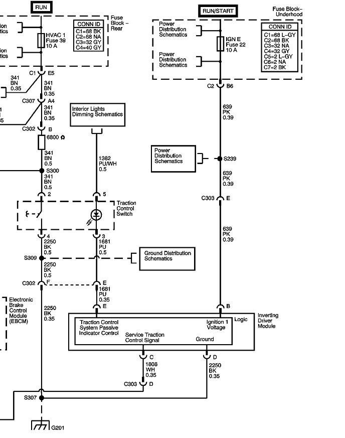
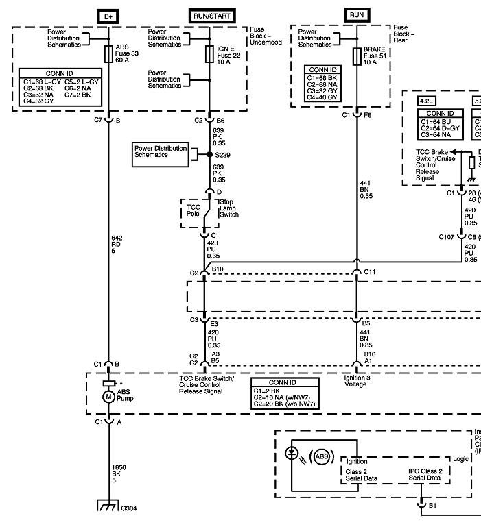
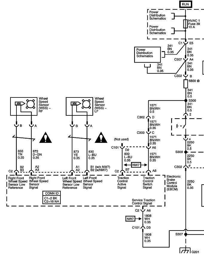
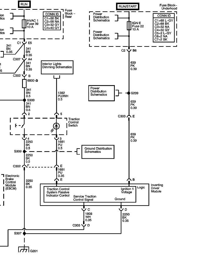
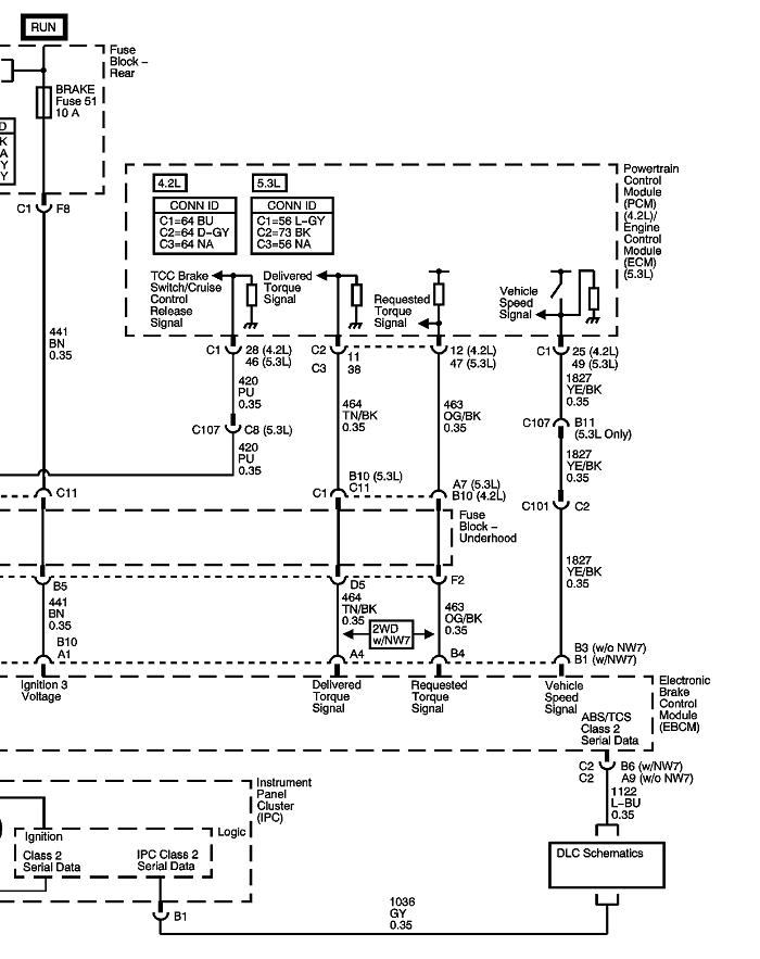
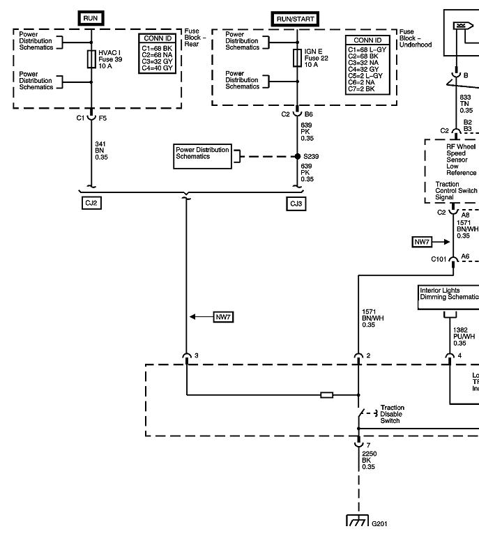
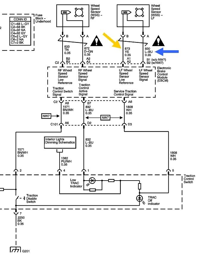
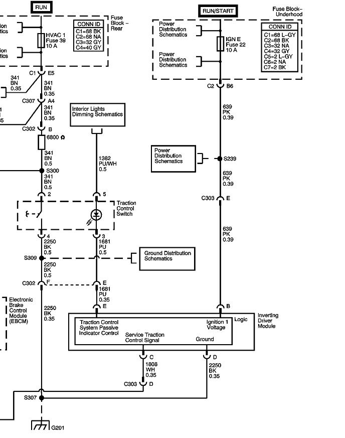
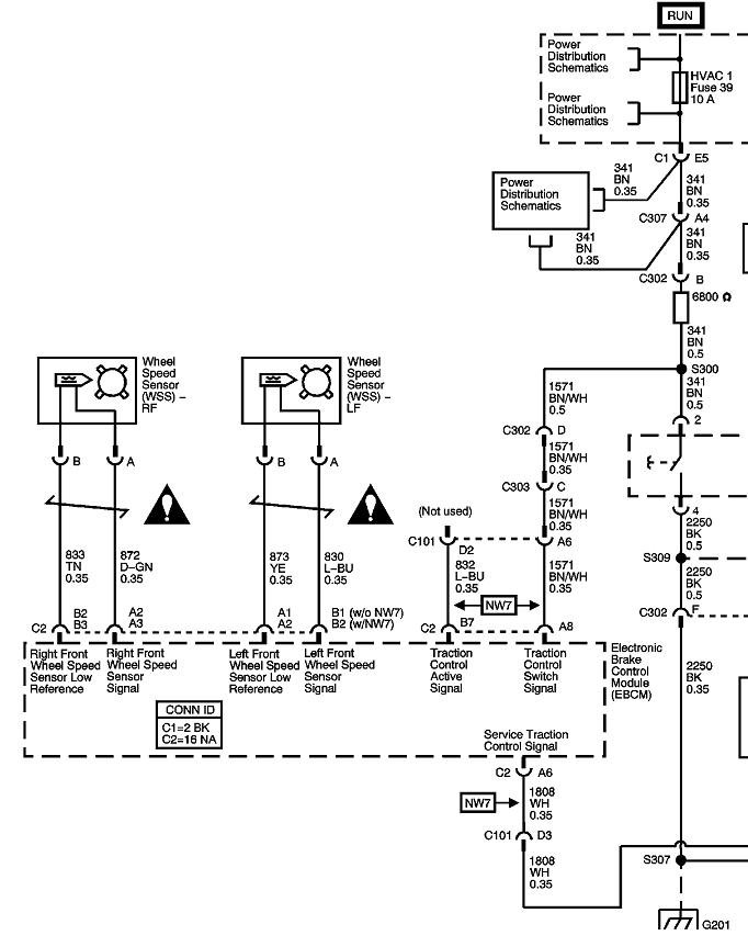
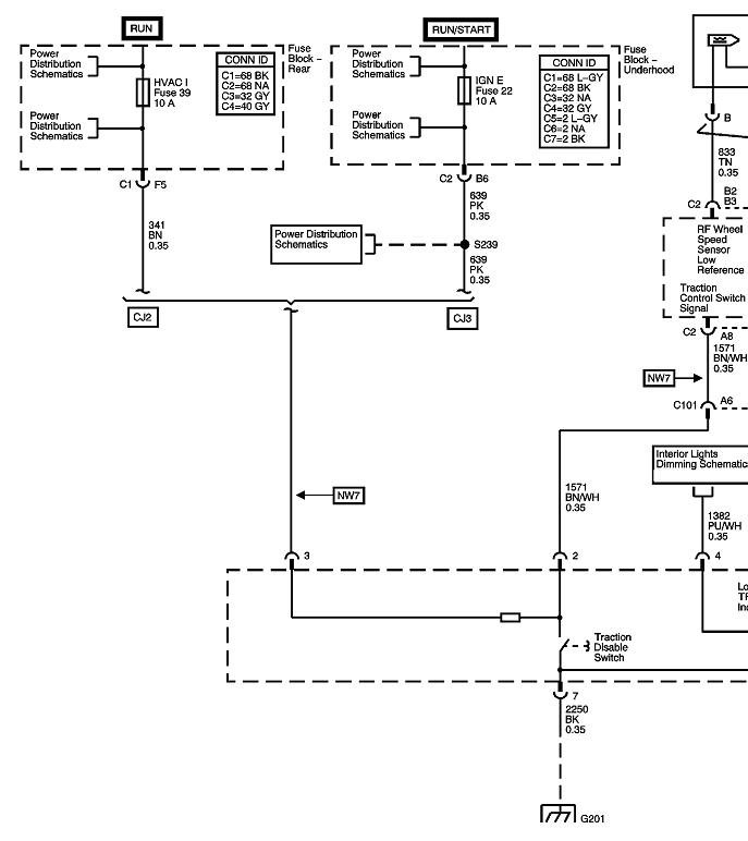
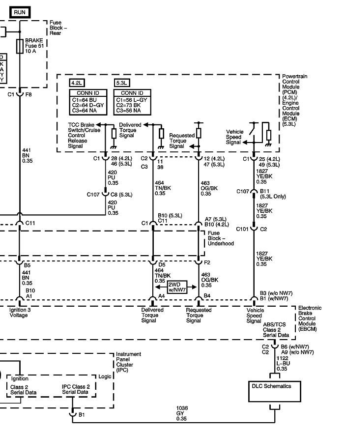
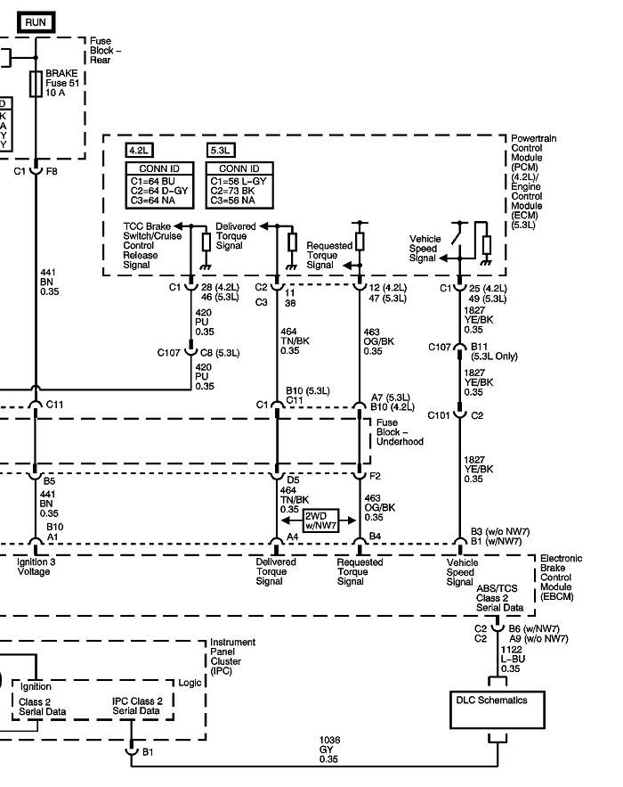
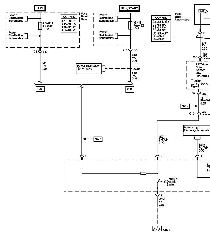
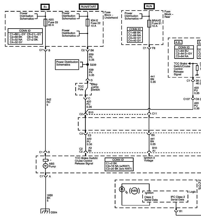
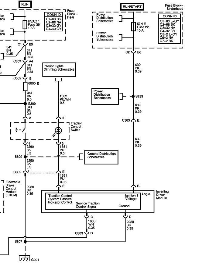
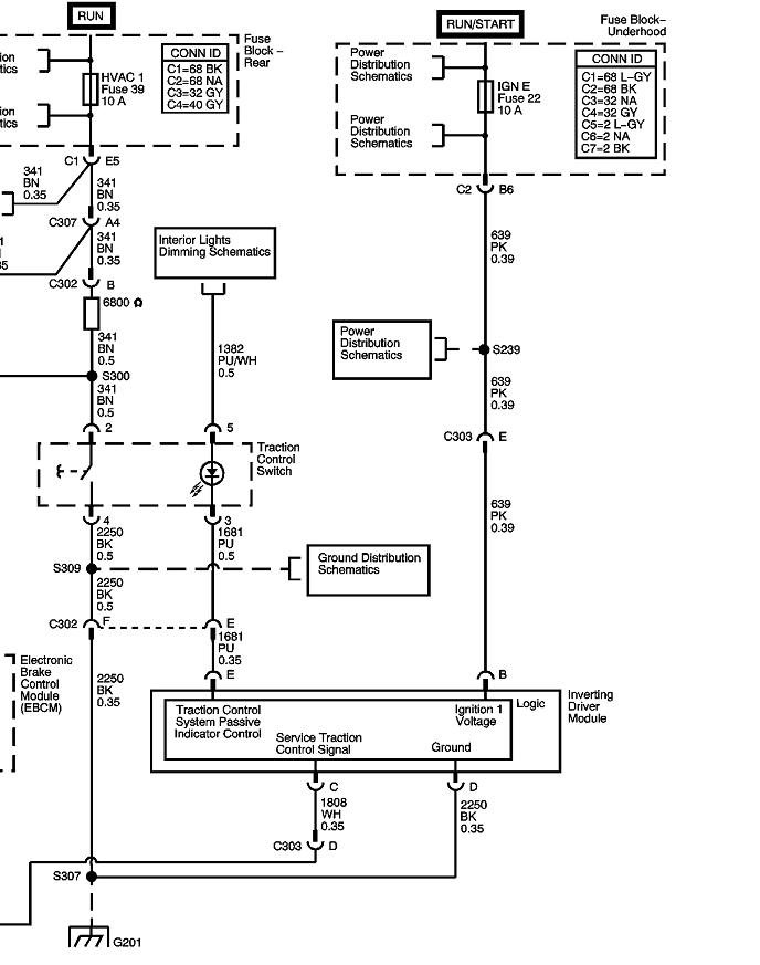
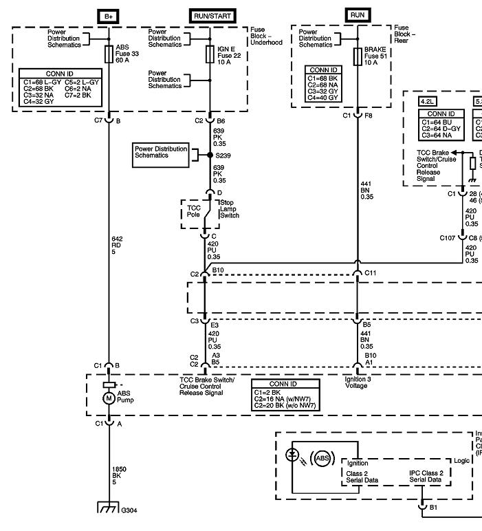
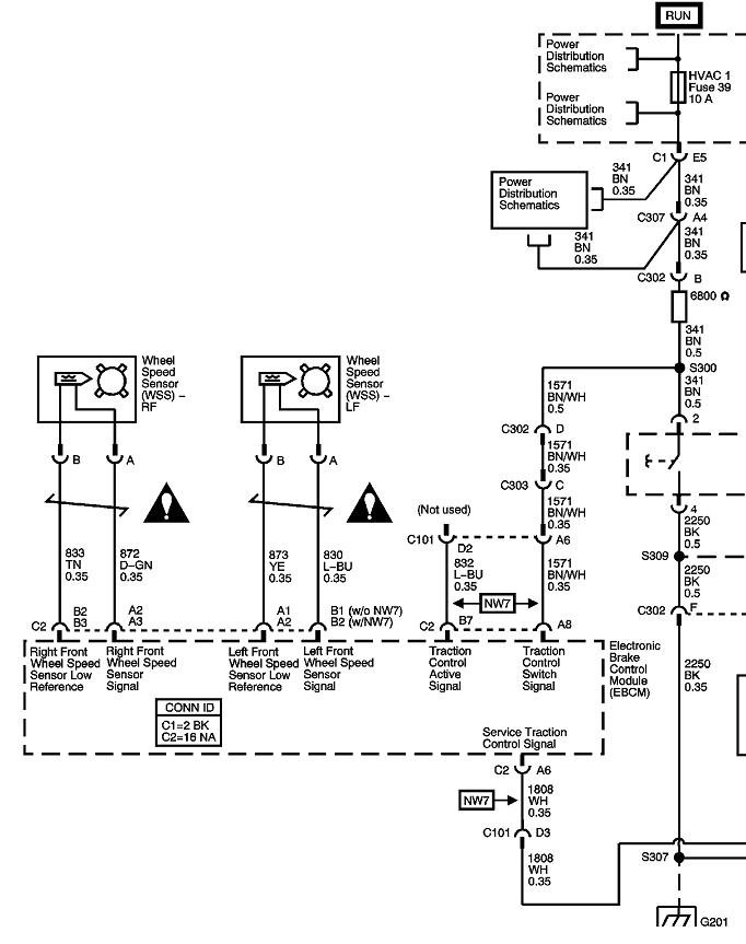
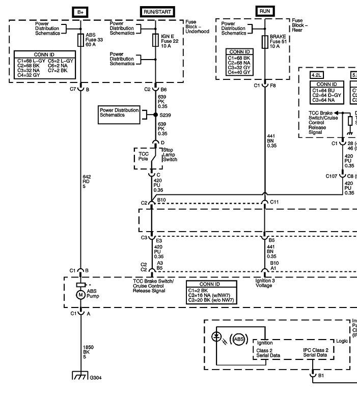
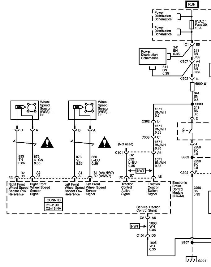
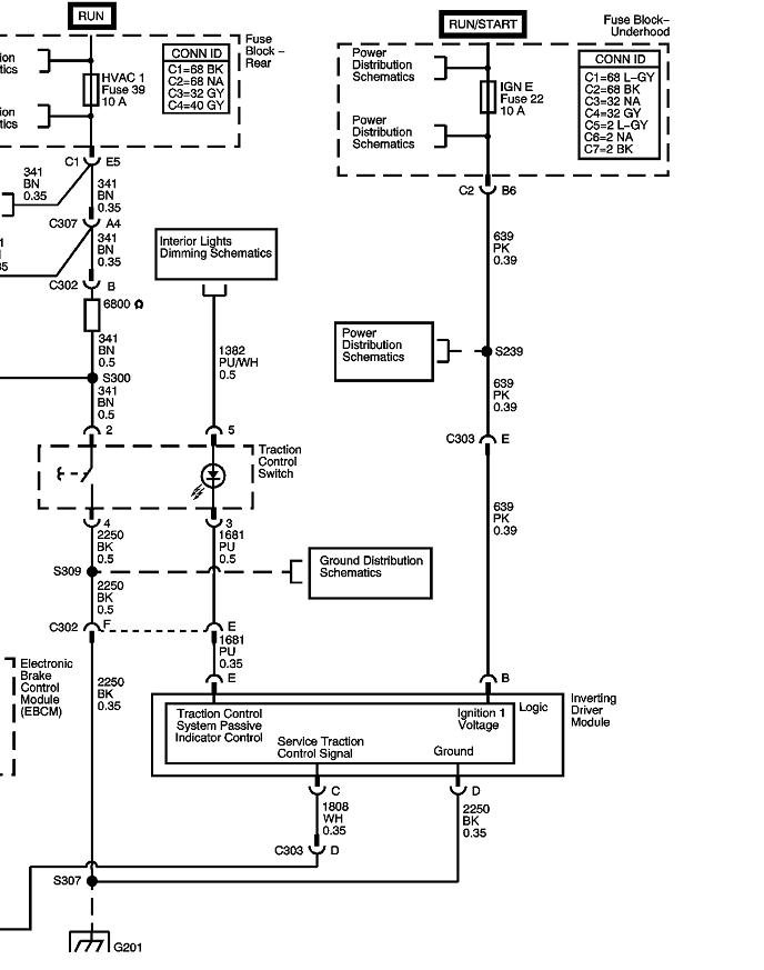
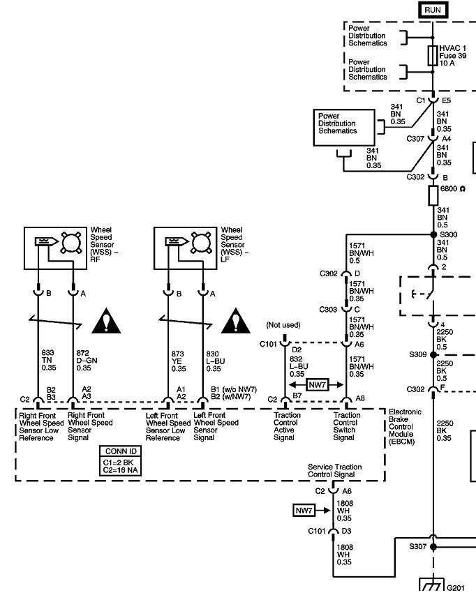
There's really only three diagrams for this system. I cut each one in half so I could resize them to make them easier to read. The computer is listed as "on the inner left frame rail, adjacent to the transmission".

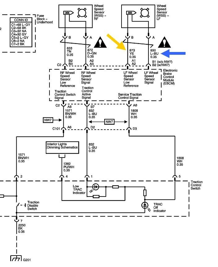
Sensors of this type typically have around 350 - 800 ohms of resistance. What you're looking for during the continuity test is you don't want to find an open circuit or really high resistance, or shorted or really low resistance. Where many of us overlook a problem is we forget to measure each wire to ground. The sensor circuit could read correctly, but if one of the wires has rubbed through and is touching the body, that can short out the signal voltage. You should find an open circuit between each wire and ground.

If all the continuity checks are okay, suspect rust under the sensor. You might try reading an AC voltage between the yellow and light blue wires while a helper spins the left front wheel by hand, but the only value in this is to show if you have something or nothing. The signal is somewhat of a square wave at roughly 45 hertz at one revolution per second. Digital voltmeters are only accurate with sine waves at 60 hertz. The point of this test is if there is no voltage developed, that verifies what the fault code is saying. If you see a low voltage, as in 0.30 volts or less, suspect that rust is causing a weak signal to be generated, and it's too low for the computer to read.
Was this
answer
helpful?
Yes
No
Tuesday, June 25th, 2019 AT 5:39 PM
Tiny
CANNON1349
  • MECHANIC
  • 908 POSTS
Well if it also means anything, sometimes I can make a good hard left turn, or maybe even just do a donut somewhere turning left and the light will sometimes go off when the wheel straightens.
Was this
answer
helpful?
Yes
No
Tuesday, June 25th, 2019 AT 7:09 PM
Tiny
KEN L
  • MASTER CERTIFIED MECHANIC
  • 55,266 POSTS
Yep the bearing hub is out again did you replace it using AC Delco parts? Here is a video of the job being done so you can fix the problem:

https://youtu.be/ZgiPRG6jffc

Please run down this guide and report back.
Was this
answer
helpful?
Yes
No
Saturday, June 29th, 2019 AT 6:00 PM
Tiny
CANNON1349
  • MECHANIC
  • 908 POSTS
I didn't replace it, someone else did and I have no idea of the brand. This person just drove from South Carolina to Texas and got back today, no play in the wheel, you say it's still out again?
Was this
answer
helpful?
Yes
No
Tuesday, July 2nd, 2019 AT 3:05 PM
Tiny
KEN L
  • MASTER CERTIFIED MECHANIC
  • 55,266 POSTS
Yes, but to be sure here is a guide to test the sensor output:

https://www.2carpros.com/articles/abs-wheel-speed-sensor-test

Please run down this guide and report back.
Was this
answer
helpful?
Yes
No
Tuesday, July 2nd, 2019 AT 3:37 PM
Tiny
CANNON1349
  • MECHANIC
  • 908 POSTS
So I dug into it and the new sensor had been severed, by something. Anyway I bought a new sensor, and still the ABS code is there, so I found that the fault was at the connector on the body. Bought a new AC Delco pigtail and spliced it in, and the ABS light has been staying off.
The bad news is that now the ABS wants to engage at low speeds. Yes, it did this before the ABS light stayed on.
I have watched the video on cleaning the ABS sensor area, and mine is now a clean sheet of metal, I used brake cleaner and a wire brush and it is completely free of rust (there was a lot).
So, now what?
Was this
answer
helpful?
Yes
No
Friday, August 23rd, 2019 AT 4:40 PM
Tiny
CARADIODOC
  • MECHANIC
  • 34,463 POSTS
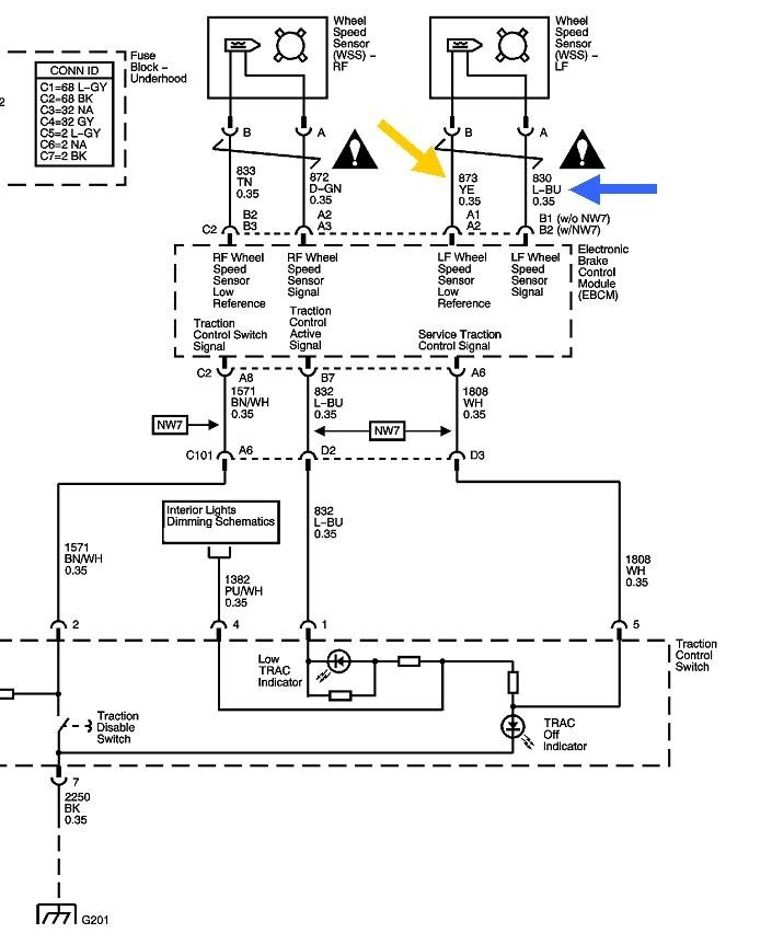
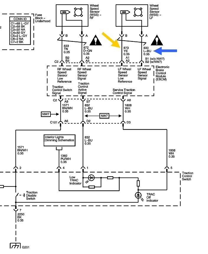
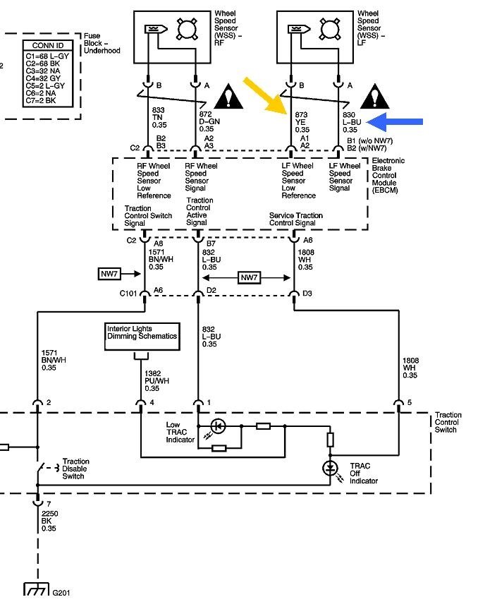
I'm confused by "clean sheet of metal". Where the sensor develops this problem of "false activation" is with those that are bolted to the wheel bearing assembly. If you have the style that is a large 2 1/2" or 3"-diameter ring pressed onto the back of the bearing, that is different and not related to this problem. Your vehicle uses the one that develops this problem, as shown in the photo.

Any time you want to generate current in a generator, or a signal voltage with a sensor, you need three things. You need a wire, (coil of wire is much more efficient), a magnet, or electromagnet, and most importantly, movement between them. That's why generators need to be spun. As far as wheel speed sensors, your sensor has the magnet built in, and the coil of wire wound around it. The last thing is the wheel has to be rotating, and the faster it does that, the higher the voltage will be of the signal it develops. On the other hand, the slower the wheel rotates, the lower will be the signal voltage. The movement in this case is the magnetic field is disturbed, or moved, as a tooth on the tone ring moves past the magnet.

At 0 mph there will be no signal voltage developed. Most manufacturers program their Anti-lock Brake Computers to stop operating below about 3 - 15 mph, specifically to prevent this false activation. GM's wheel speed sensors are well-known to develop real weak signals to start with, then, anything that causes that signal to become weaker will lead to false activation, meaning the computer modulates brake pressure to the wheel it thinks has locked up, when it really hasn't. The wheel speed signal gets weaker and weaker as speed slows down, until it becomes too weak for the computer to be able to read it. That's why it falsely thinks the wheel has locked up.

The rust that builds up under these sensors is in the area of my nifty blue arrow. The rust pushes the sensor away from the toothed tone ring inside the bearing assembly. If that is what you cleaned already, can I assume you looked at the sensor and the mounting pad on the bearing? The next thing, which is often overlooked, is rust or metal filings on the tip of the sensor's magnet. My red arrow is pointing to that. The magnet needs to be clean, but be careful to not use a file or coarse sandpaper. Those will remove part of the end of the magnet and make the air gap bigger. That moves the magnetic field away from the toothed ring that is intended to disturb that field as the teeth pass by it.

If you suspect the magnet may have already been cleaned in a way that increased the air gap, consider shaving off 1/32" of the plastic housing so the sensor will sit in the hole a little deeper. 1/32" will make a big difference in the strength of the signal.
Was this
answer
helpful?
Yes
No
Friday, August 23rd, 2019 AT 5:14 PM
Tiny
CANNON1349
  • MECHANIC
  • 908 POSTS
By clean sheet of metal I meant the mounting surface. It's completely free of rust. The sensor is a week old, nothing has built up on it. What I did see through the hole the magnet goes into is some sticky stuff around the spikes on the bearing.
Was this
answer
helpful?
Yes
No
Friday, August 23rd, 2019 AT 5:18 PM
Tiny
KEN L
  • MASTER CERTIFIED MECHANIC
  • 55,266 POSTS
When the system tries to engage at low speeds it is a sensor issue. I would do both front hubs with AC Delco parts. Here is a link $152.00 each:

https://www.amazon.com/gp/product/B0013G0J5Q/ref=as_li_qf_asin_il_tl?ie=UTF8&tag=2carprcom-20&creative=9325&linkCode=as2&creativeASIN=B0013G0J5Q&linkId=cd56d12b97673420c706ccfe55747b11

Please let us know what happens.
Was this
answer
helpful?
Yes
No
Monday, August 26th, 2019 AT 11:48 AM

Please login or register to post a reply.