ABS light on

Tiny
ASEMASTER6371
  • MECHANIC
  • 52,796 POSTS
Good afternoon.

Okay, is the scan tool he is using able to monitor the ABS? Some scan tools do not have that availability.

Roy
Was this
answer
helpful?
Yes
No
Friday, March 9th, 2018 AT 12:07 PM (Merged)
Tiny
CHASE156
  • MEMBER
  • 37 POSTS
Yes.
Was this
answer
helpful?
Yes
No
Friday, March 9th, 2018 AT 12:07 PM (Merged)
Tiny
ASEMASTER6371
  • MECHANIC
  • 52,796 POSTS
Okay, he needs to verify powers and grounds to the ABS module. If he has these then the module is the issue. It is not allowing anything to access it.

Roy
Was this
answer
helpful?
Yes
No
Friday, March 9th, 2018 AT 12:07 PM (Merged)
Tiny
CHASE156
  • MEMBER
  • 37 POSTS
  • 2004 NISSAN FRONTIER
  • 3.3L
  • V6
  • 4WD
  • AUTOMATIC
  • 160,000 MILES
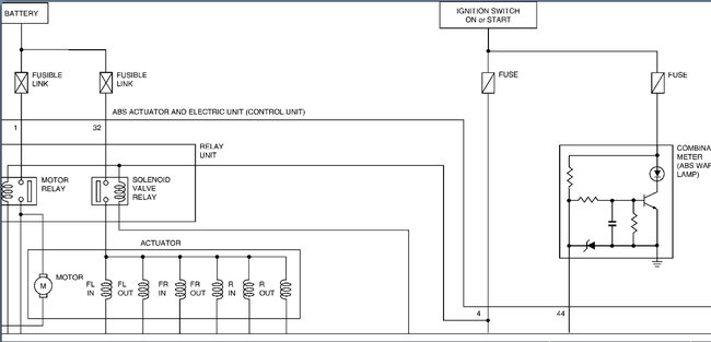
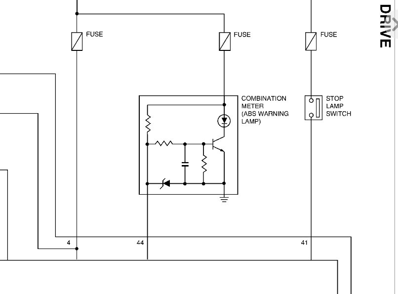
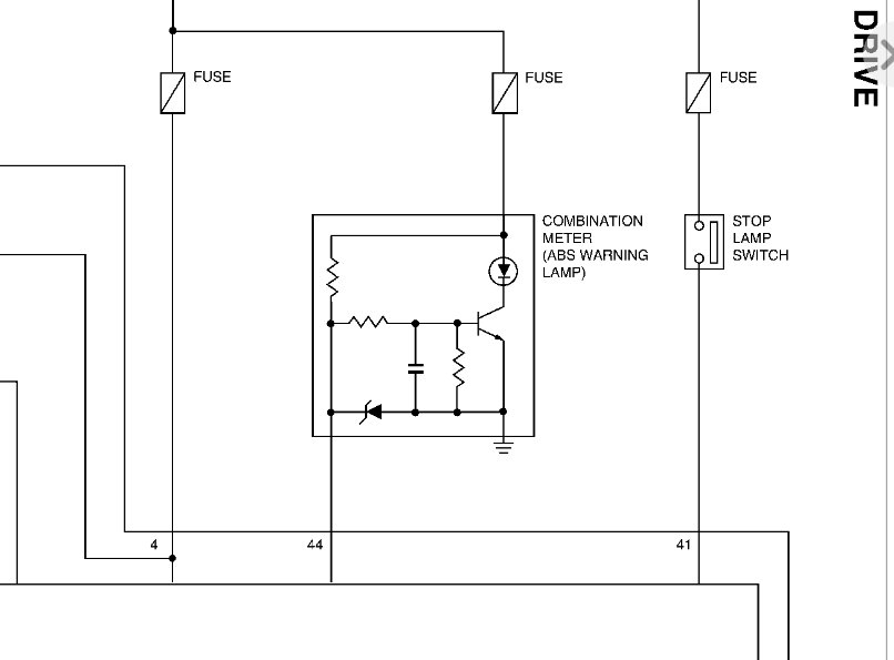
Hello Roy, I found a diagram of the t39 connector that goes to the abs module, I checked pin 44 to ground and it only has 7.5 volts, the wire is a solid blue with a white stripe, I just have to find out where the other end is, any suggestions, thanks Henry(sorry to bother you)
Was this
answer
helpful?
Yes
No
Monday, March 12th, 2018 AT 11:21 AM (Merged)
Tiny
ASEMASTER6371
  • MECHANIC
  • 52,796 POSTS
Hi, you never bother me.

Let me get a diagram for you

Roy
Was this
answer
helpful?
Yes
No
+1
Monday, March 12th, 2018 AT 11:21 AM (Merged)
Tiny
ASEMASTER6371
  • MECHANIC
  • 52,796 POSTS
Three powers to the module. Check for battery voltage to all three pins.

Roy
Was this
answer
helpful?
Yes
No
+1
Monday, March 12th, 2018 AT 11:21 AM (Merged)
Tiny
CHASE156
  • MEMBER
  • 37 POSTS
  • 2004 NISSAN FRONTIER
  • 3.3L
  • V6
  • 4WD
  • AUTOMATIC
  • 160,000 MILES
Hello Roy, seems as though it is the ABS module. I have all three voltages there, I have to see what I am going to do now. Thanks
Was this
answer
helpful?
Yes
No
Monday, March 12th, 2018 AT 11:21 AM (Merged)
Tiny
ASEMASTER6371
  • MECHANIC
  • 52,796 POSTS
Okay.
If you replace with a used one, it will have to be flashed to your truck.

Roy
Was this
answer
helpful?
Yes
No
+1
Monday, March 12th, 2018 AT 11:21 AM (Merged)
Tiny
CHASE156
  • MEMBER
  • 37 POSTS
  • 2004 NISSAN FRONTIER
  • 3.3L
  • V6
  • 4WD
  • 160,000 MILES
Hello Roy,

I am assuming the abs actuator has a high psi stored, if so how would I bleed off that high pressure?
Was this
answer
helpful?
Yes
No
Tuesday, March 13th, 2018 AT 5:32 PM (Merged)
Tiny
MHPAUTOS
  • MECHANIC
  • 31,937 POSTS
Only line pressure here, ABS has an internal pump, that activates when the system is required, what is the actual problem you have?
Was this
answer
helpful?
Yes
No
+1
Tuesday, March 13th, 2018 AT 5:32 PM (Merged)
Tiny
CHASE156
  • MEMBER
  • 37 POSTS
  • 2004 NISSAN FRONTIER
  • 3.3L
  • V6
  • 4WD
  • AUTOMATIC
  • 160,000 MILES
Thanks for your reply, I thought even when the truck was off it still had a high psi stored.
Was this
answer
helpful?
Yes
No
Wednesday, March 14th, 2018 AT 1:26 PM (Merged)
Tiny
MHPAUTOS
  • MECHANIC
  • 31,937 POSTS
There should be no pressure in the system, just take normal precautions when opening any hydraulic system.
Was this
answer
helpful?
Yes
No
Wednesday, March 14th, 2018 AT 1:26 PM (Merged)
Tiny
CHASE156
  • MEMBER
  • 37 POSTS
  • 2004 NISSAN FRONTIER
  • 3.3L
  • 6 CYL
  • 4WD
  • AUTOMATIC
  • 160,000 MILES
Hello Roy,
I wanted to update you on this issue. I located and bought a used module and installed, (I did not flash the module). Still the same issue, light will not go out. I bought the Bluedriver OBD2 and it says no pending ABS codes. I tried clearing the light with this unit still no good.
Do you know where pin 44 connects to? I figured I would track that down to another connector because it only has 7.4 volts. Any other suggestions? Thanks, Henry
Was this
answer
helpful?
Yes
No
Friday, April 6th, 2018 AT 10:20 AM (Merged)
Tiny
ASEMASTER6371
  • MECHANIC
  • 52,796 POSTS
Good morning.

Let me check.
Was this
answer
helpful?
Yes
No
Friday, April 6th, 2018 AT 10:36 AM
Tiny
ASEMASTER6371
  • MECHANIC
  • 52,796 POSTS
Goes to the ABS light in the cluster.

The light may be on from the flash not being done as well.
Was this
answer
helpful?
Yes
No
+1
Friday, April 6th, 2018 AT 10:42 AM

Please login or register to post a reply.