ABS light on

Tiny
ASEMASTER6371
  • MECHANIC
  • 52,796 POSTS
Thank you for the kind words. We are here to help and all of us are glad to help.

Roy
Was this
answer
helpful?
Yes
No
Tuesday, March 24th, 2020 AT 3:46 PM
Tiny
JOHNDUBE66
  • MEMBER
  • 22 POSTS
Okay, the rears tested out around 690 ohms the right front test it out at 1300 almost 1400 ohms and the driver side is 1660 ohms. What is my next step now?
Was this
answer
helpful?
Yes
No
Tuesday, April 7th, 2020 AT 3:38 PM
Tiny
JOHNDUBE66
  • MEMBER
  • 22 POSTS
My rear speed sensors or break sensors test it out at 690 ohms my right front sensor tested out at 1300 ohms and my left front sensor tested out at 1600. So are any of the sensor is bad? I’m trying to chase this ABS light.
Was this
answer
helpful?
Yes
No
Tuesday, April 7th, 2020 AT 6:25 PM
Tiny
JOHNDUBE66
  • MEMBER
  • 22 POSTS
I thought I was dealing with someone else previously but it’s a 1998 Maxima SE.
Was this
answer
helpful?
Yes
No
Tuesday, April 7th, 2020 AT 6:26 PM
Tiny
JOHNDUBE66
  • MEMBER
  • 22 POSTS
I was told 7 to 1300 ohms was acceptable.
Was this
answer
helpful?
Yes
No
Tuesday, April 7th, 2020 AT 6:27 PM
Tiny
ASEMASTER6371
  • MECHANIC
  • 52,796 POSTS
Okay, the next step is to get the actual ABS codes. You need to have them checked. Ask the parts stores if they have a scan tool that can read ABS system. A lot of them only read engine codes.

Did you fix the 500 code for the speedometer?

Roy
Was this
answer
helpful?
Yes
No
+1
Wednesday, April 8th, 2020 AT 3:49 AM
Tiny
JOHNDUBE66
  • MEMBER
  • 22 POSTS
No, speedometer works fine until warm. Then all gauges go haywire (tachometer and speedometer stick in position while the temperature in fuel peg full). Speed sensor new on transmission.
Was this
answer
helpful?
Yes
No
Wednesday, April 8th, 2020 AT 4:00 AM
Tiny
ASEMASTER6371
  • MECHANIC
  • 52,796 POSTS
Okay, back to the ABS codes. I need those codes that are set to narrow the area of failure.

Roy
Was this
answer
helpful?
Yes
No
Wednesday, April 8th, 2020 AT 4:13 AM
Tiny
JOHNDUBE66
  • MEMBER
  • 22 POSTS
I’m on it. Thank you very much out of work at one today at the part store by 1:15.
Was this
answer
helpful?
Yes
No
Wednesday, April 8th, 2020 AT 4:43 AM
Tiny
ASEMASTER6371
  • MECHANIC
  • 52,796 POSTS
Sounds good. We will be here.

Roy
Was this
answer
helpful?
Yes
No
Wednesday, April 8th, 2020 AT 4:47 AM
Tiny
JOHNDUBE66
  • MEMBER
  • 22 POSTS
Cannot find any parts store with abs scanner. All recommend shop/diagnostic charge. Going to research pulling codes by hand counting flashes while shorting obd plug.
Was this
answer
helpful?
Yes
No
Saturday, April 11th, 2020 AT 2:50 AM
Tiny
KASEKENNY
  • MECHANIC
  • 18,907 POSTS
Just to jump in but it looks like you can pull check engine light DTCs this way but I don't see a way for the ABS system. I could be wrong but I don't see it in the manual.
Was this
answer
helpful?
Yes
No
Saturday, April 11th, 2020 AT 8:09 AM
Tiny
JOHNDUBE66
  • MEMBER
  • 22 POSTS
In all honesty I didn’t look it up for a Maxima yet I did for my wife’s Honda Odyssey and it showed me the bottom middle pin in the top right I think number nine, but again that’s for a Honda that’ll make the ABS light flash.
Was this
answer
helpful?
Yes
No
Saturday, April 11th, 2020 AT 10:03 AM
Tiny
KEN L
  • MASTER CERTIFIED MECHANIC
  • 55,211 POSTS
This video should help you:

https://youtu.be/rTtAnsOlZU4

Please run down this guide and report back.
Was this
answer
helpful?
Yes
No
Saturday, April 11th, 2020 AT 1:36 PM
Tiny
JOHNDUBE66
  • MEMBER
  • 22 POSTS
Okay.
Was this
answer
helpful?
Yes
No
Saturday, April 11th, 2020 AT 1:54 PM
Tiny
JOHNDUBE66
  • MEMBER
  • 22 POSTS
Just an update: I do have a cheap scan tool and I scan my check engine light after clearing it to get fresh codes I got a whole 500 speed sensor. Which I’ve already installed new on the transmission I got a 600 communication with the computer? And I got 1400 EGR.
Was this
answer
helpful?
Yes
No
Saturday, April 11th, 2020 AT 3:21 PM
Tiny
ASEMASTER6371
  • MECHANIC
  • 52,796 POSTS
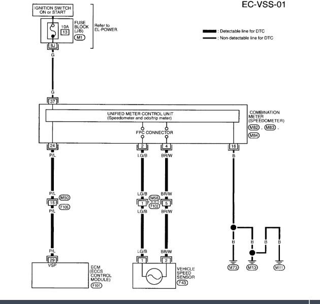
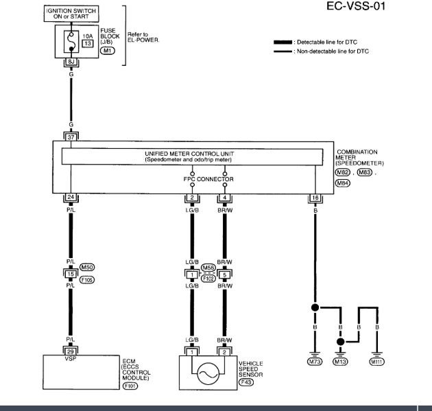
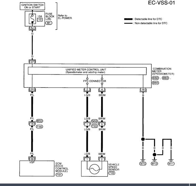
Okay, I attached a wiring diagram of the speedometer system. The wires go directly to the speedometer and is decoded in the speedometer head itself.

You need a scope to check the actual signal to see if it is coming from the sensor. If you replaced the sensor, it could be wiring from the sensor to the speedometer or the speedometer head itself.

The 600 is a communication issue between the ECM and the TCM. This will not effect the ABS.

Roy
Was this
answer
helpful?
Yes
No
Saturday, April 11th, 2020 AT 3:55 PM

Please login or register to post a reply.