Sunday, March 22nd, 2020 AT 8:42 AM
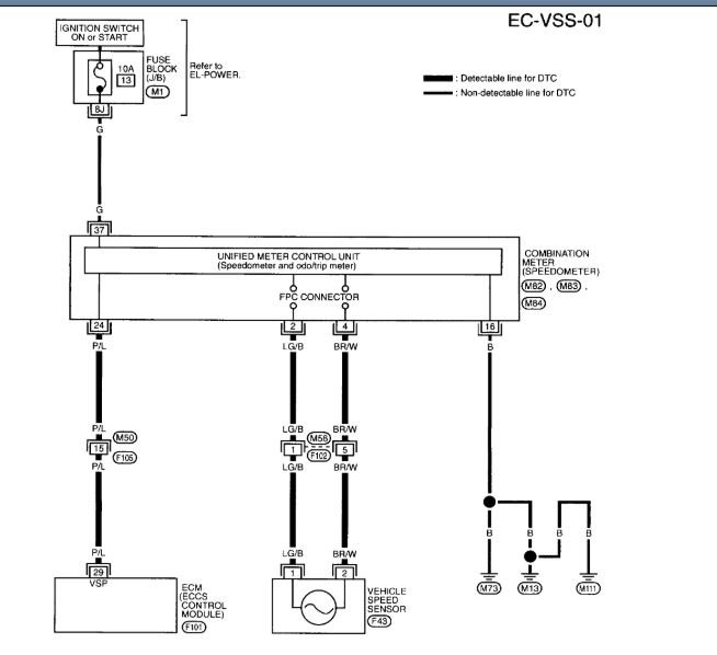
ABS light came on, did 4 wheel removal/inspection of wires and sensor (did not test though). Checked all fuses related under hood and dash, noticed some shavings on inside of wheel when reinstalling but not sure which. Drivers rear doesn’t hold w/E-Brake, both rears are low on pad life. Fluid is up to full. How do I solve this as I failed emissions already and am on a time limit now for repairing? While I know the ABS is not related to the emissions, no test facility will pass me with the dash light on. I am currently working on why the check engine light continues to come on the code it's throwing is a speed sensor A, which I’ve already replaced at the transmission. I fear I need a replacement cluster as all my gauges go haywire and if I smack the dash the odometer reads right and they come back but it continues to go haywire, yes I removed it clean the plug connectors clean the film on the back tightened all the screws to no avail re-soldered solder joints etc. So I’m trying to get each of these problems one by one. Right now it’s the ABS. By the way, you guys have the most awesome videos and I’ve been the greatest helped me in all my years of wrenching. Thank you!






