Where is the ABS fuse located?

2008 FORD EXPLORER
172,538 MILES • V6 • 4WD
Avatar
DEAN FISHER2
  • MEMBER
  • 4 POSTS
ABS light.
Aug 24, 2022 at 3:41 PM
Advertisement
Repair Safety Notice: This information is for general instructional purposes only. Vehicle repair can be dangerous. Verify all information, follow manufacturer service procedures, use proper tools and safety equipment, and consult a qualified repair shop when needed.
Avatar
BORIS K
  • AUTOMOTIVE REPAIR CONTRIBUTOR
  • 836 POSTS
Hello,

As the ABS light is on you will most likely have fault codes stored in the ABS module. I would suggest conducting a scan and post the fault codes here for further assessment.

How to scan vehicle:
https://www.2carpros.com/articles/can-scan-controller-area-network-easy

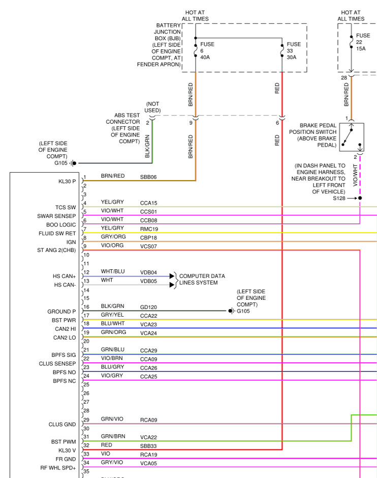
The 2 fuses are located in the battery junction box, on the left side of the engine compartment.
Fuse 6, 40A, and fuse 33, 30A. See image below.

How to check fuse:
https://www.2carpros.com/articles/how-to-check-a-car-fuse

Cheers, Boris
Aug 25, 2022 at 9:20 AM
Avatar
DEAN FISHER2
  • MEMBER
  • 4 POSTS
b1342 is the code that came up. Scanned by a Led Schwab mechanic.
Aug 25, 2022 at 10:25 AM
Advertisement
Avatar
DEAN FISHER2
  • MEMBER
  • 4 POSTS
Would the and disconnect if I pulled the fuses and what would happen?
Aug 25, 2022 at 10:32 AM
Avatar
DEAN FISHER2
  • MEMBER
  • 4 POSTS
It should say ABS.
Aug 25, 2022 at 10:34 AM
Advertisement
Avatar
BORIS K
  • AUTOMOTIVE REPAIR CONTRIBUTOR
  • 836 POSTS
Hello,

B1342 in ABS module, " internal ECU fault discontinue driving and see dealer, ABS control module"

This code points towards a possible faulty ABS module.
Code like this can also possibly be caused by a bad 12V supply or bad ground.
I would suggest using a suitable test light and checking both 12V supplies and the ground

At ABS module
Pin 1, brown/red wire constant 12V
Pin 8, grey/orange wire ignition
Pin 32, red wire constant 12V
Pin 16, black/green wire ground

First connect the test light between battery terminals, check that bulb lights up bright.
Next, keep the test light connected to battery negative and test pins 1, 8 and 32.
Ensure that bulb glows bright on each pin.
Next use the ground at pin 16 and test light against battery positive, ensure bulb lights bright.

How to use test light:
https://www.2carpros.com/articles/how-to-use-a-test-light-circuit-tester

If 12V and ground are deemed as good, then you most likely have an issue with the ABS module.

A replacement module will need to be programmed to the vehicle via suitable diagnostic equipment.

Cheers, Boris
Aug 26, 2022 at 1:58 AM