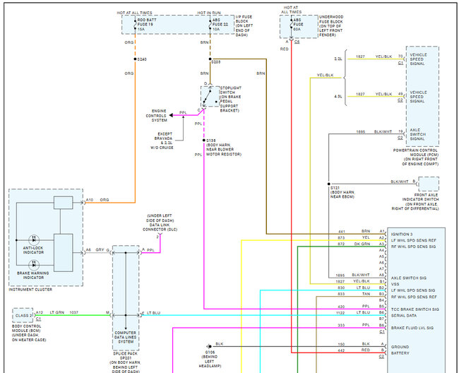
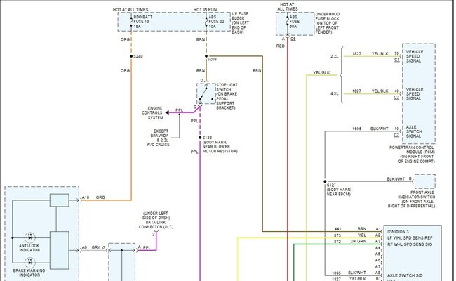
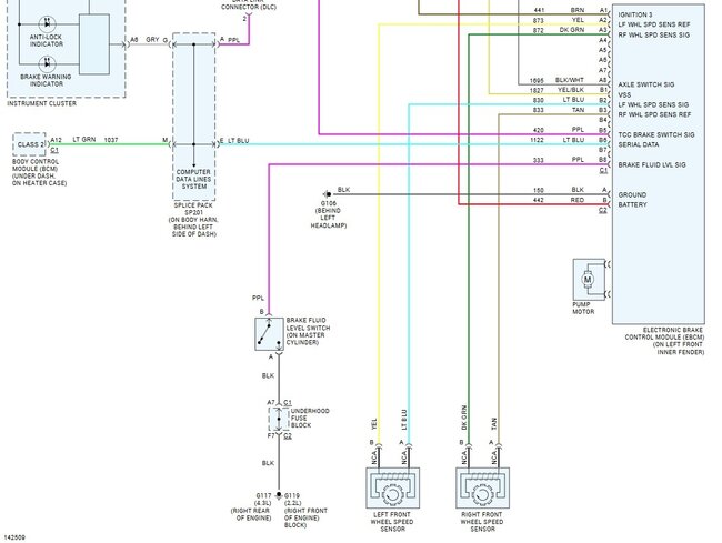
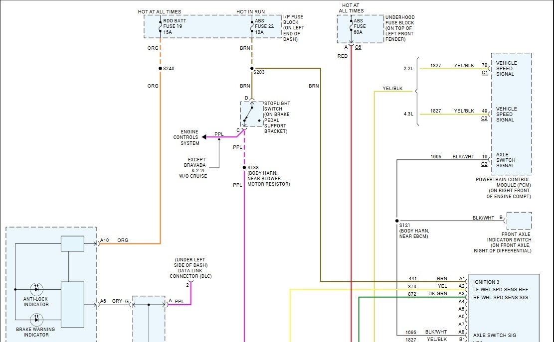
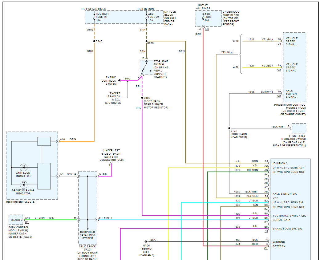
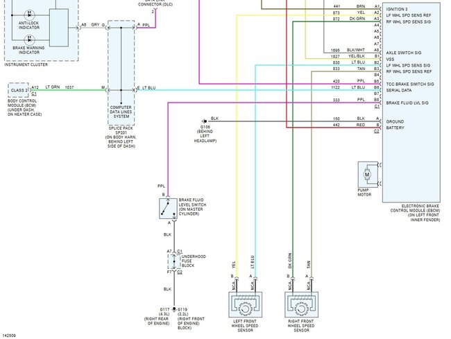
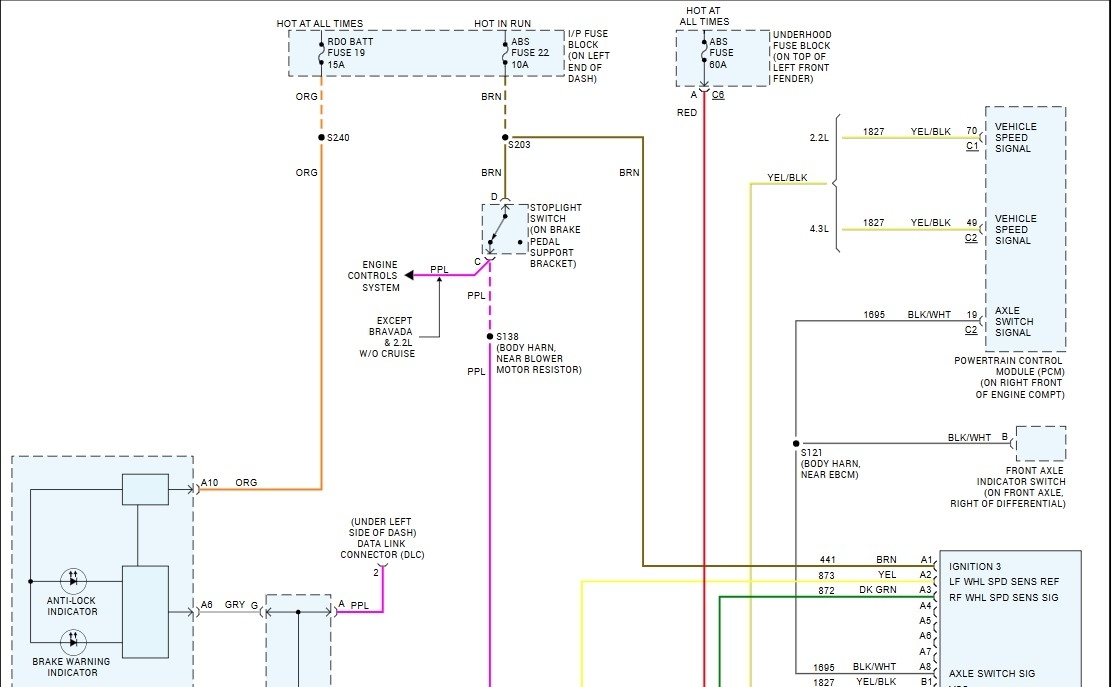
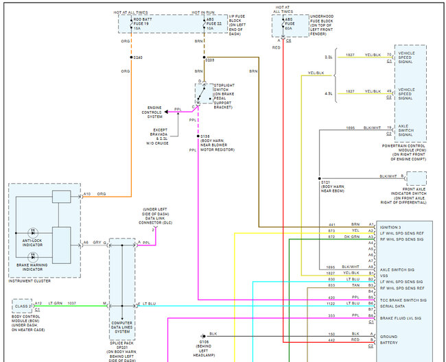
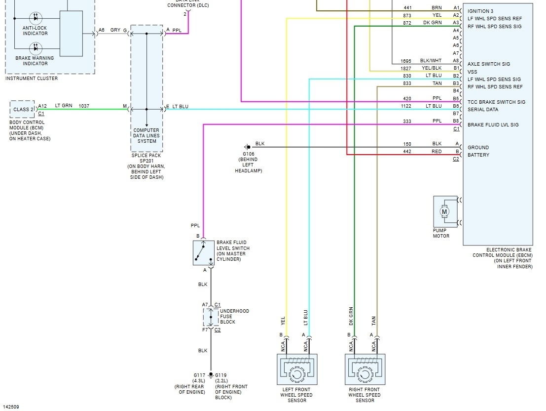
C0225 left front wheel speed sensor circuit open
C0221 right front wheel speed sensor circuit open
Looking for wiring diagram and connector pinout. I should have added that when I clear the codes, they come right back without driving the vehicle.
Sunday, March 23rd, 2025 AT 1:02 PM







