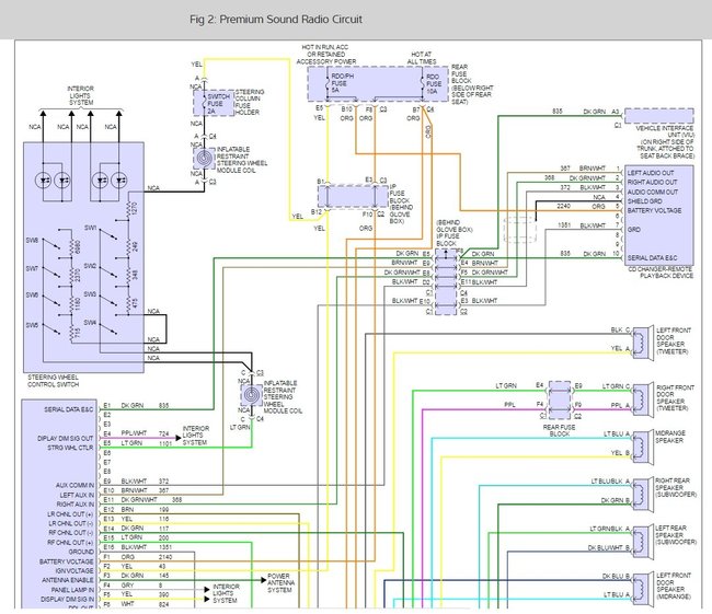
This should mean that something in the stop fuse system is drawing some power. Nothing seems to be wrong. All the lights and brakes signals work. Brake switch works. Can anyone make a suggestion? Maybe a body control module (BCM) shorted? But where would that be.
The battery drains after about three days to a dead battery. I cannot find where the draw is in that circuit. 0.53 miliamps. The readings were taken after the car went to sleep. About fifteen seconds.I did not turn on the ignition to do the test. I just made sure the battery was charged.
Thank you. Craig
Tuesday, February 28th, 2017 AT 12:26 PM



