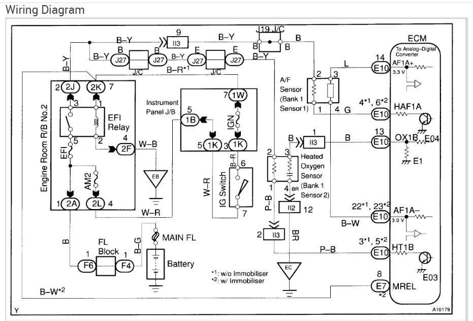
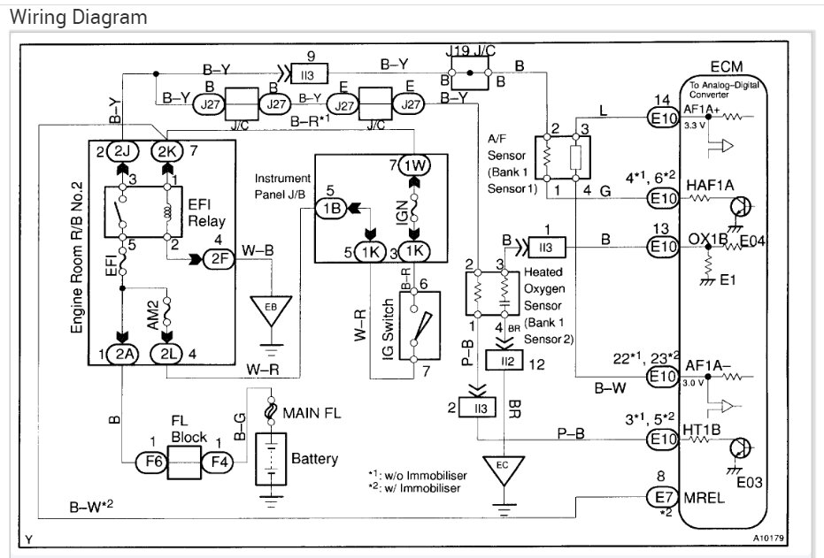
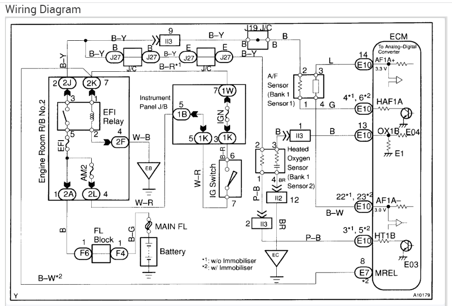
The vehicle hesitates sometimes, scanning the vehicle. The codes display is shown on the image below, I cleared the codes but when the engine is started and scanned again it was only the code P1135 displayed on the scanner. Is it that the sensor is bad?
How can it be tested?
Sunday, January 29th, 2023 AT 3:59 PM






