A/C will not turn on after battery was disconnected?

Tiny
SAM WAGNER
  • MEMBER
  • 2015 MAZDA 3
  • 4 CYL
  • 2WD
  • AUTOMATIC
  • 120,000 MILES
Hi, the other day I hit a bump and my whole car shuddered, so I pulled over and checked under the hood and noticed the battery had come loose. We tightened the nut on the positive end of the battery and the car is working fine but the A/C won’t turn on at all. The blinkers and hazards also don’t work which sounds like a fuse to me but I’m unsure about the A/C.

Thanks!
Thursday, April 27th, 2023 AT 11:43 AM

1 Reply

Tiny
AL514
  • MECHANIC
  • 5,595 POSTS
Hello, when you found the positive battery cable was it off the battery? Or where was it sitting, it most likely blew some fuses, If the positive cable touched anything besides the battery positive post, then it would pop some fuses. Is this a 2.5Liter engine? And do you notice anything else not working, Brake lights, turn signals on the Instrument Cluster. Any of the heater controls not functioning? Wipers?
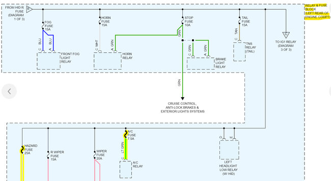
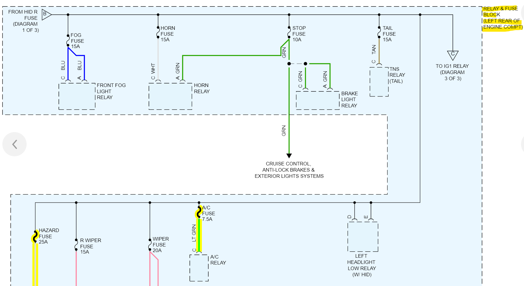
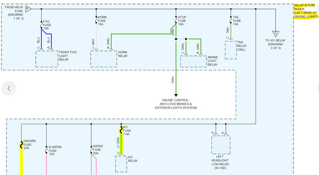
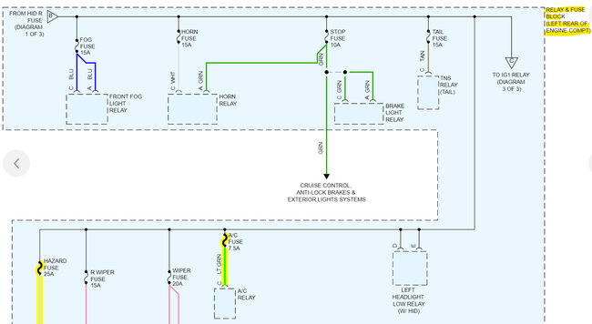
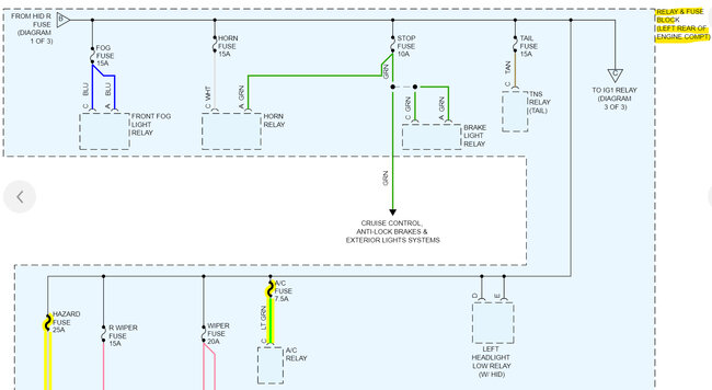
Here are the fuse locations for the A/C compressor and the Hazard fuse.

https://www.2carpros.com/articles/how-to-check-a-car-fuse
Was this
answer
helpful?
Yes
No
Friday, April 28th, 2023 AT 4:34 PM

Please login or register to post a reply.