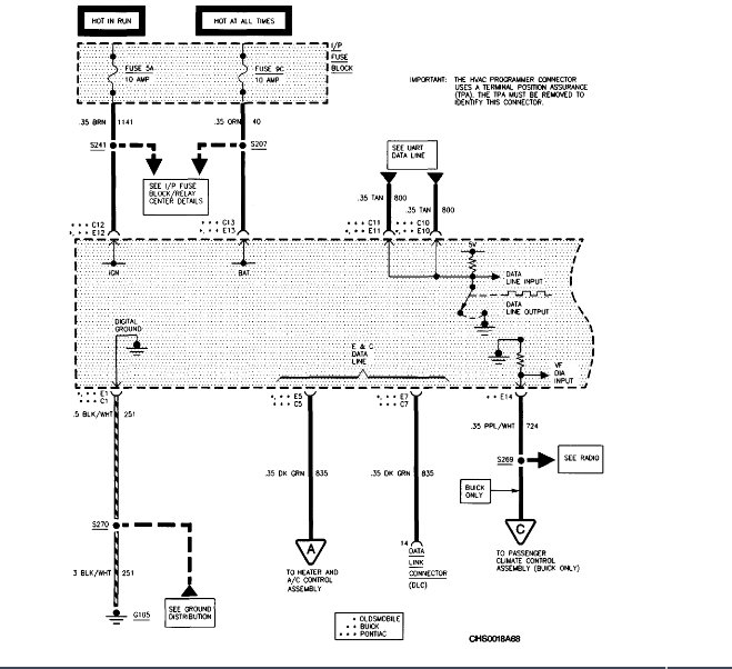
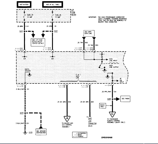
Thursday, July 26th, 2018 AT 2:46 PM
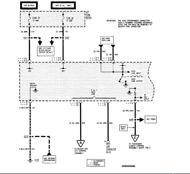
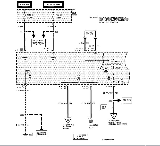
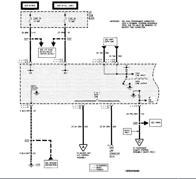
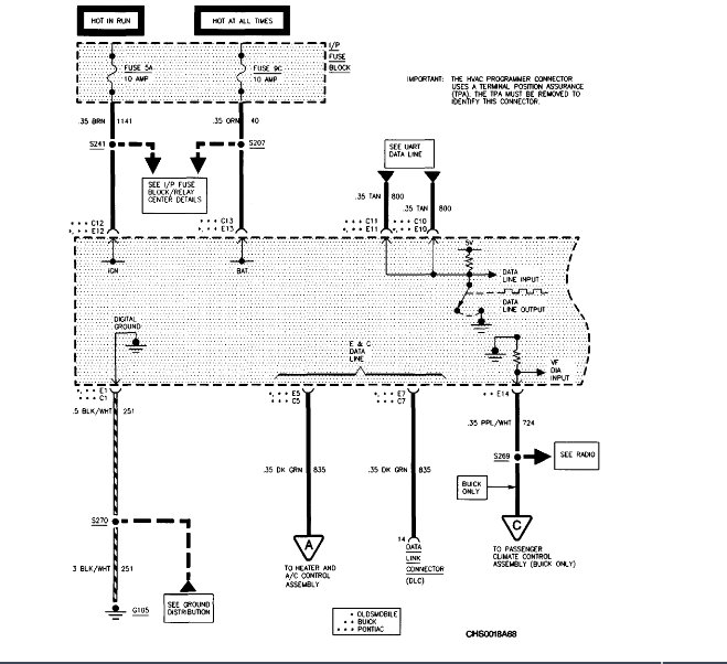
I put a Walmart stereo in my car and right after my A/C will not work correctly. I cannot control it and it will not display anything, it is almost like it is stuck in the auto mode. I have brought it to Carey's electronics where I live and they told me that it is not an ECU problem and suggested unplug it and then plug it back in. I did it and it still did no do anything. I was thinking that the A/C box that has the controls and display is broken but I cannot tell. Does anyone have a same problem with this and/or know how to fix it?





