A/C repair actuator replacement

Tiny
JPTRAILMAN
  • MEMBER
  • 2002 CHEVROLET TRAILBLAZER
  • 4.2L
  • 6 CYL
  • 2WD
  • AUTOMATIC
  • 120,000 MILES
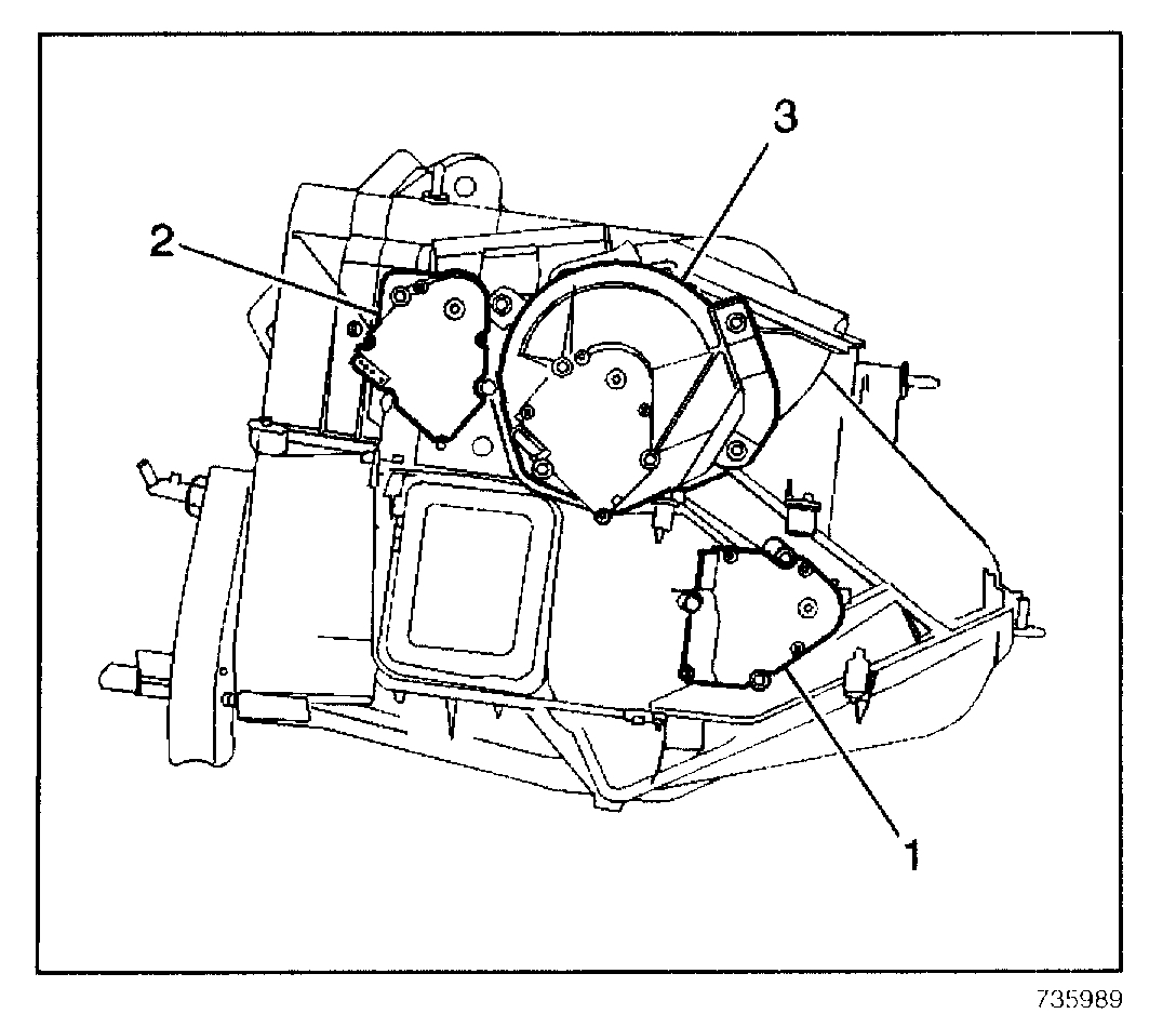
Do you have to drop the steering column down to replace the # 3 door actuator this is the actuator in the middle 2 down from the top
any help will be very welcome thank you Joe joeepelkey@hotmail. Com
Saturday, April 25th, 2020 AT 2:41 PM

1 Reply

Tiny
JACOBANDNICKOLAS
  • MECHANIC
  • 110,194 POSTS
Hi,

I need to confirm. Are you referring to the mode door actuator? That is the actuator which determines air flow direction.

If that is what you are referring to, yes it will need removed. Actually, the manual indicates removing the IP (instrument panel) carrier. I have done it without. Lower the co here are directions for replacement. The attached pics correlate with the directions. The last pic I attached shows location of the actuator I'm referring to.

_______________________________

2002 Chevy Truck TrailBlazer 2WD L6-4.2L VIN S
Mode Actuator
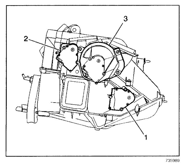
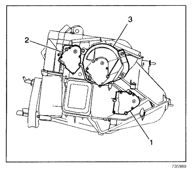
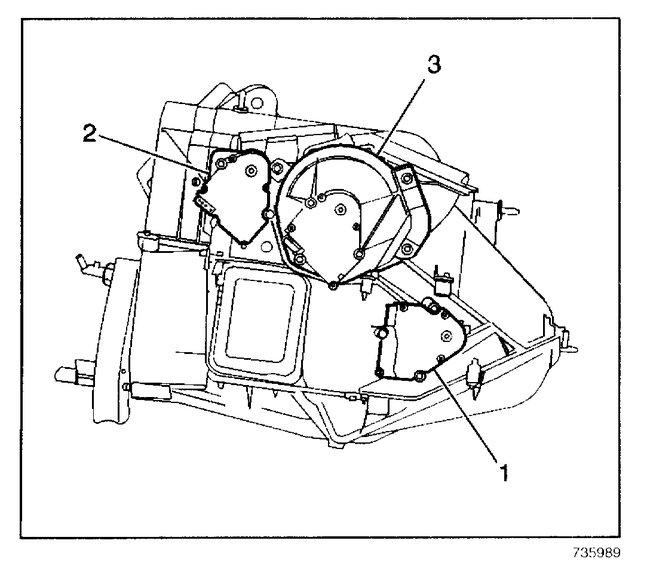
Vehicle Heating and Air Conditioning Air Door Actuator / Motor Service and Repair Procedures Automatic Control Mode Actuator
MODE ACTUATOR
REMOVAL PROCEDURE

pic 1

1. Remove the I/P carrier.
2. Disconnect the electrical connector from the mode actuator.
3. Remove the screws from the mode actuator (3).
4. Remove the mode actuator.

INSTALLATION PROCEDURE

pic 2

1. Install the mode actuator (3).

NOTE: Refer to Fastener Notice in Service Precautions.

2. Install the screws to the mode actuator (3).

Tighten
Tighten the screws to the to 1.9 N.M (18 lb in).

3. Install the I/P carrier.

________________________________________________________

Let me know if this helps.

Joe
Was this
answer
helpful?
Yes
No
+1
Saturday, April 25th, 2020 AT 8:53 PM

Please login or register to post a reply.