Checked Pressures and they were okay.
Replaced the Pressure Sensor
Replaced Ambient Temperature Sensor.
Checked A/C Relay by swapping with Horn relay and confirmed relay is good.
Replaced ECM.
Replaced Interior HVAC module.
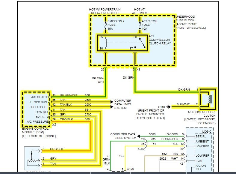
I have found that on the A/C relay there is around 3.3-3.4 volts on the ground (relay coil side) that is coming from the ECM harness plugged into the ECM (X2-44). I figured, maybe a bad ECM. Replaced that and still showing 3.3 volts. My next idea was the HVAC module and replaced that today but still showing 3.3v on the ground at the relay. The compressor will come on and blow cold air if manually jumped so it seems that side is good. I am just completely at a loss as to why this ground is showing voltage. Any ideas on what may be the culprit?
Thanks for any help that can be provided.
Saturday, June 6th, 2020 AT 9:15 AM




