What it does is randomly blow off the Freon. Usually if I catch it quick enough it will only lose about a half pound of the 1.7 this system holds. But I even drove it with gauges on it and watched the pressures, which were perfect while driving, and most of the time even while stopped. But occasionally would climb to 450 psi plus and I would shut it off so it wouldn't blow and as soon as I started moving it seemed to drop the pressures. Also, while in the shop I had it start increasing pressures, like there was not enough air flow, but then the fan started pulling a bit more, still at idle, but the pressures dropped, and it was blowing cold.
Everything is in a stock configuration, all original components are in place.
More oddly, my brother has a 2003 Chevrolet Duramax, his is manual, mine is automatic system, that just recently did the same thing. Blew off most of the Freon at idle.
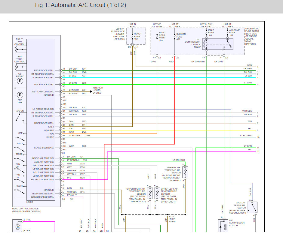
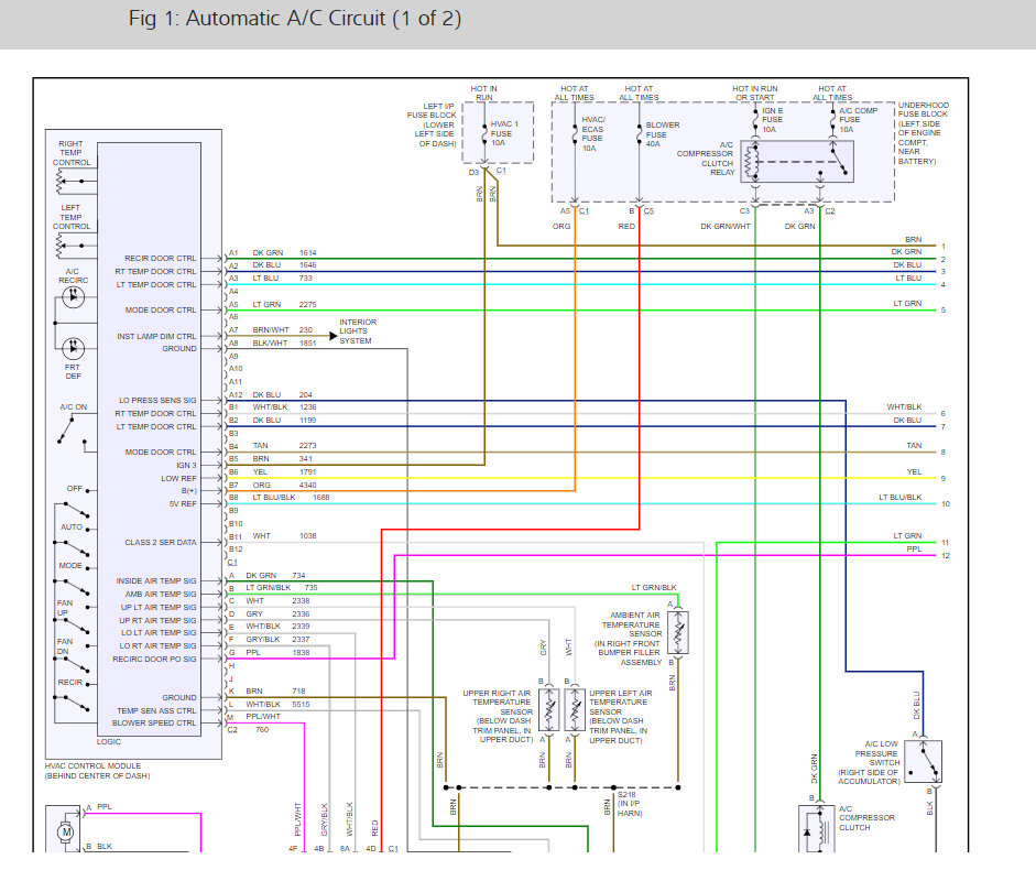
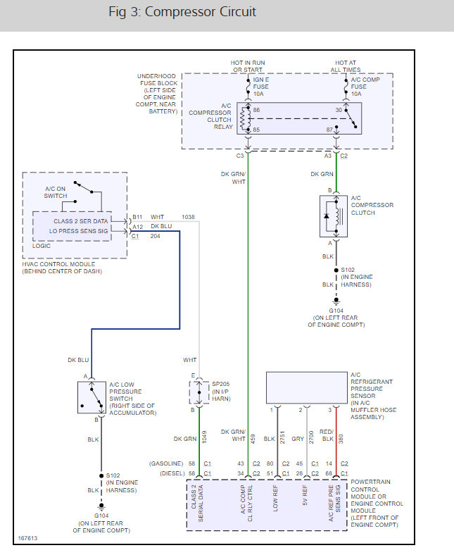
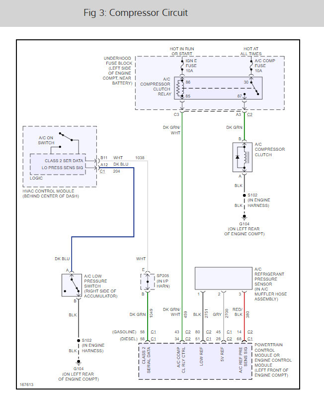
Of note, the High and Low ports are only about a foot apart, with the O-tube separating them and the pressure issue shows on the gauges, so it is not a blockage in the condenser or elsewhere. It appears to be an air flow issue. But should cut itself off I expect that it was doing that previously, because it would go into swamp cooler mode at idle? Warmer humid air, but now, instead it blows off the pressure.
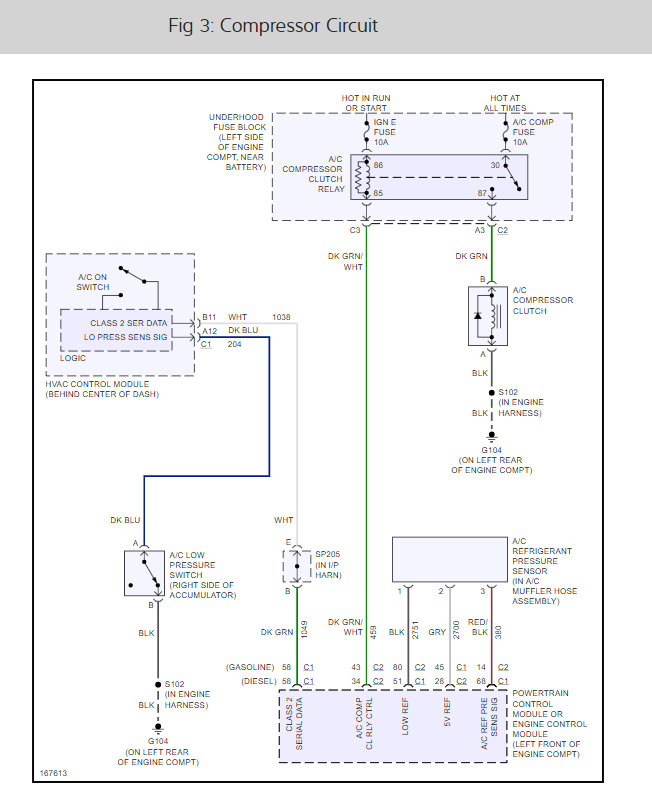
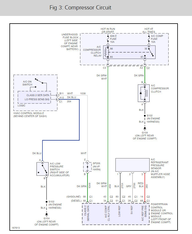
Thoughts of ideas are appreciated. I am going to look at the electrical to try to see why the over pressure does not cut off the compressor clutch.
Thanks,
Keith
Tuesday, September 3rd, 2019 AT 10:16 AM





























