When stopping with the AC on the car starts to stalls

Tiny
DEE8SHORT
  • MEMBER
  • 2005 CHEVROLET COBALT
  • 2.2L
  • 4 CYL
  • 2WD
  • AUTOMATIC
  • 299,209 MILES
My car starts to stall when at a stop or lights when the A/C is on. The compressor does go on.
Thursday, May 17th, 2018 AT 9:33 AM

1 Reply

Tiny
JACOBANDNICKOLAS
  • MECHANIC
  • 110,192 POSTS
Hi and thanks for using 2CarPros. Com, The AC compressor places a heavy load on the engine. To accommodate the load, the throttle actuator motor adjusts to allow more air to the engine to increase RPM and offset the load. From experience, I have found that most times the primary problem for what your vehicle does is a dirty throttle body.

Here is a description of the throttle body and what is contains:

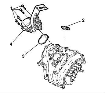
THROTTLE BODY ASSEMBLY

The throttle assembly contains the following components:
The throttle blade
The throttle actuator motor
The throttle position (TP) sensor 1 and 2
The throttle body functions similar to a conventional throttle body with the following exceptions:
An electric motor opens and closes the throttle valve.
The throttle blade is spring loaded in both directions and the default position is slightly open.
There are 2 individual TP sensors within the throttle body assembly

Here are the cleaning directions:

THROTTLE BODY CLEANING PROCEDURE

Remove the air cleaner outlet duct.
Inspect the throttle body bore and the throttle valve plate for deposits. You must open the throttle valve in order to inspect all of the surfaces.
The cleaners will damage the electric components or sensors.
NOTE: Do not subject a throttle body assembly which contains the following components to an immersion cleaner or a strong solvent:
Throttle position (TP) sensor
Idle air control (IAC) valve
Sealed throttle shaft bearings
The cleaners will damage some of these components that contain seals or O-rings.

Solvents can wash away or break down the grease used on non-serviceable throttle shaft bearings.

Never use a wire brush or scraper to clean the throttle body. A wire brush or sharp tools may damage the throttle body components.

Do not use a cleaner that contains methyl ethyl ketone. This extremely strong solvent may damage components and is not necessary for this type of cleaning.

Clean the throttle body bore and the throttle valve plate using a clean shop towel with Top Engine Cleaner, Saturn P/N 21007129 or an equivalent product.

If the deposits are excessive, remove and disassemble the throttle body for cleaning.
After disassembly, clean the throttle body using a parts cleaning brush. DO NOT immerse the throttle body in any cleaning solvent.
If you removed and disassembled the throttle body for cleaning, assemble and install the throttle body.
Install the air cleaner outlet duct.
I attached a couple pictures of the throttle body assembly. Follow the aforementioned directions. NOTE: The numbers in the directions correlate with the numbers in the pictures for part identification. If you have trouble or additional questions. Let me know.

Take care,
Joe
Was this
answer
helpful?
Yes
No
Friday, May 18th, 2018 AT 9:09 PM

Please login or register to post a reply.