A/C compressor clutch is not engaging

Tiny
MKILL75
  • MEMBER
  • 2010 NISSAN MAXIMA
  • 3.5L
  • 6 CYL
  • 2WD
  • AUTOMATIC
  • 123,000 MILES
I'm trying to find the location of the A/C relay but I cannot seem to find it. Any help please?
Sunday, July 7th, 2019 AT 6:21 AM

5 Replies

Tiny
KEN L
  • MASTER CERTIFIED MECHANIC
  • 55,488 POSTS
Hello,

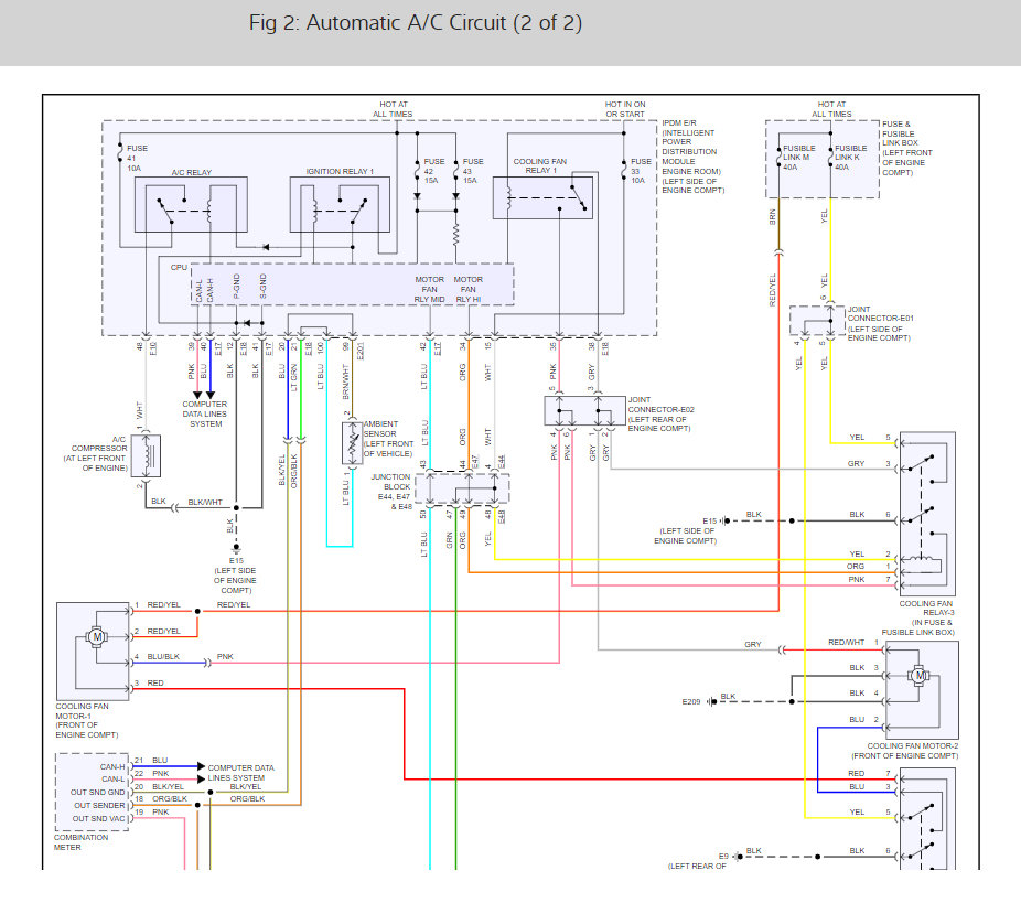
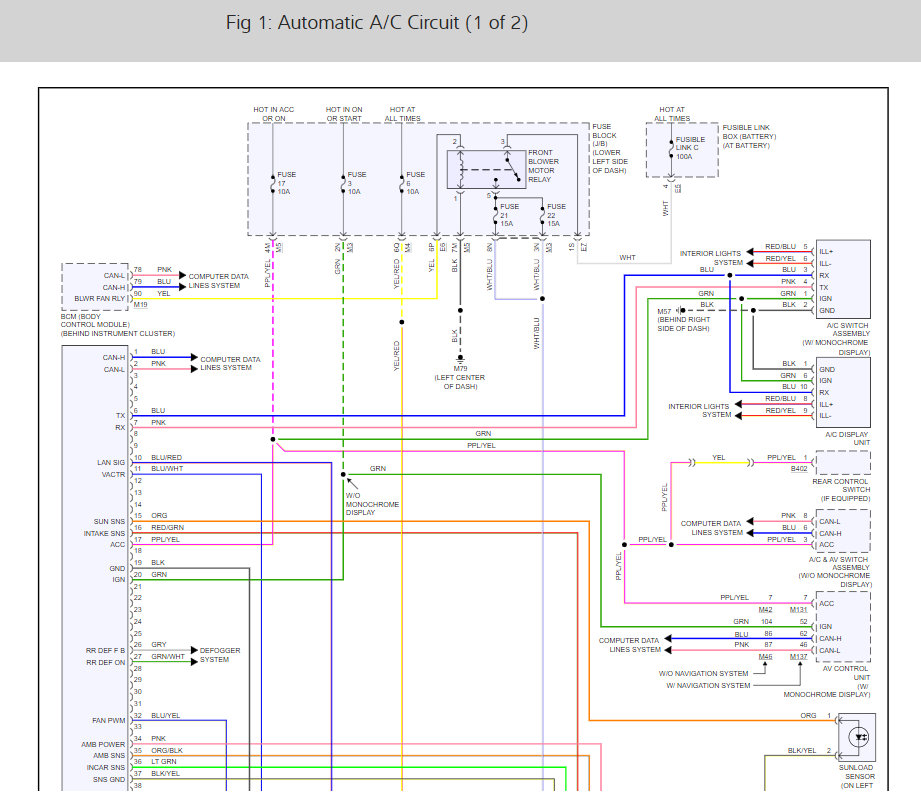
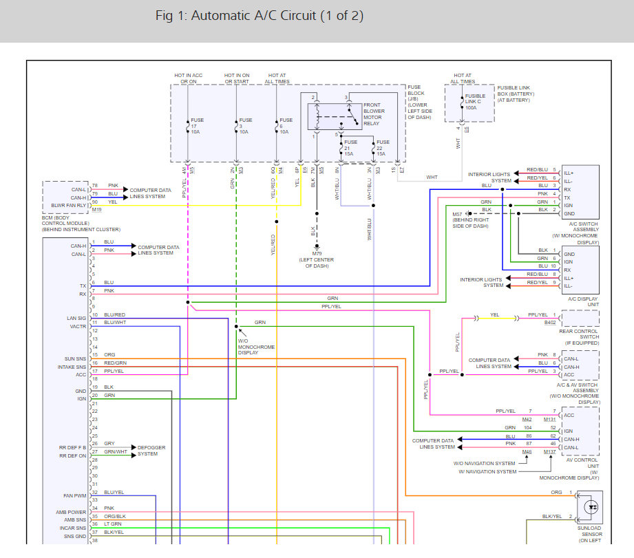
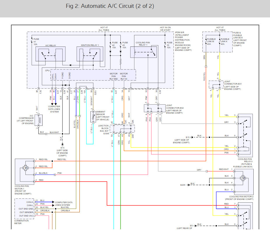
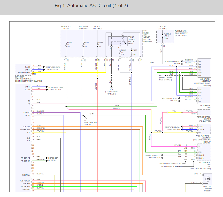
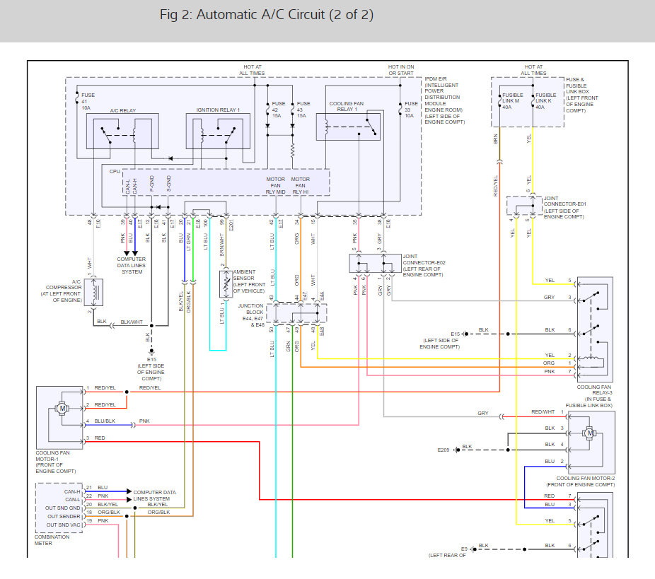
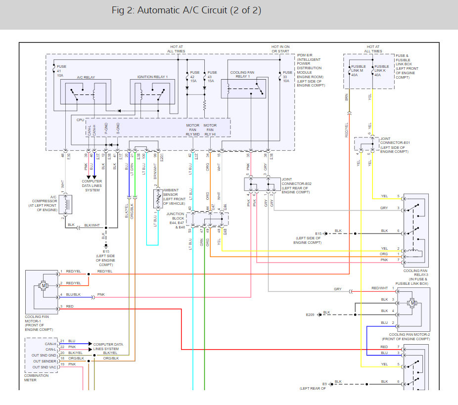
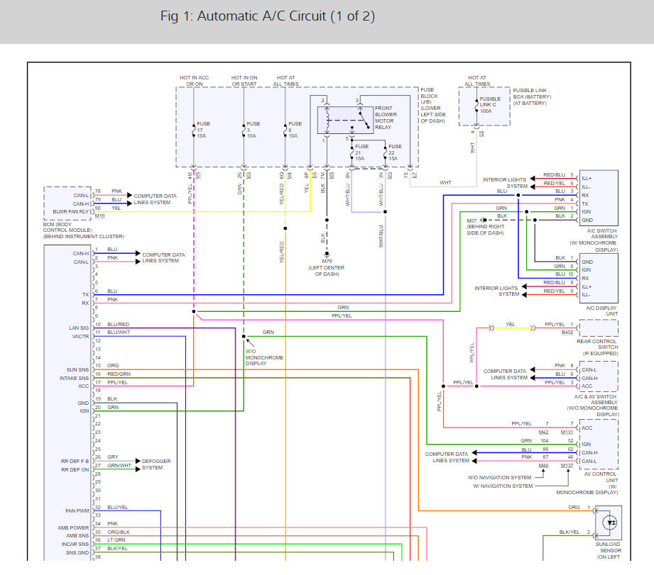
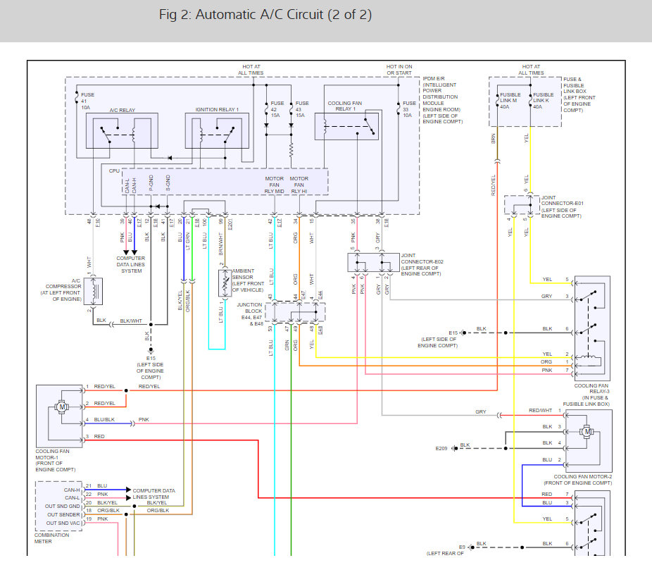
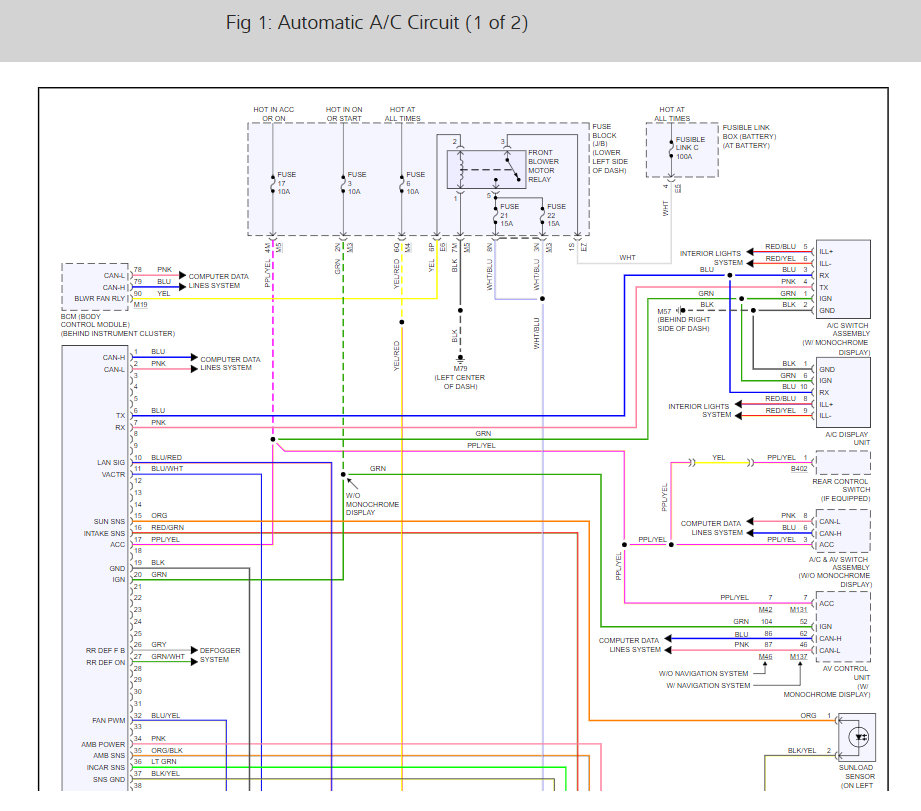
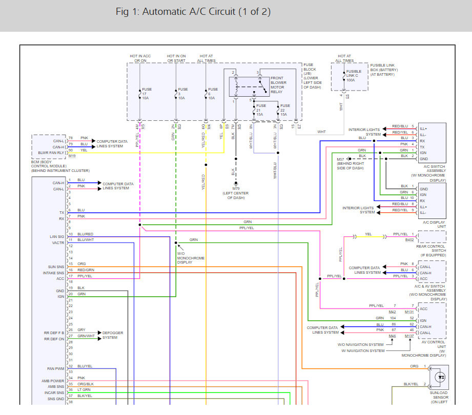
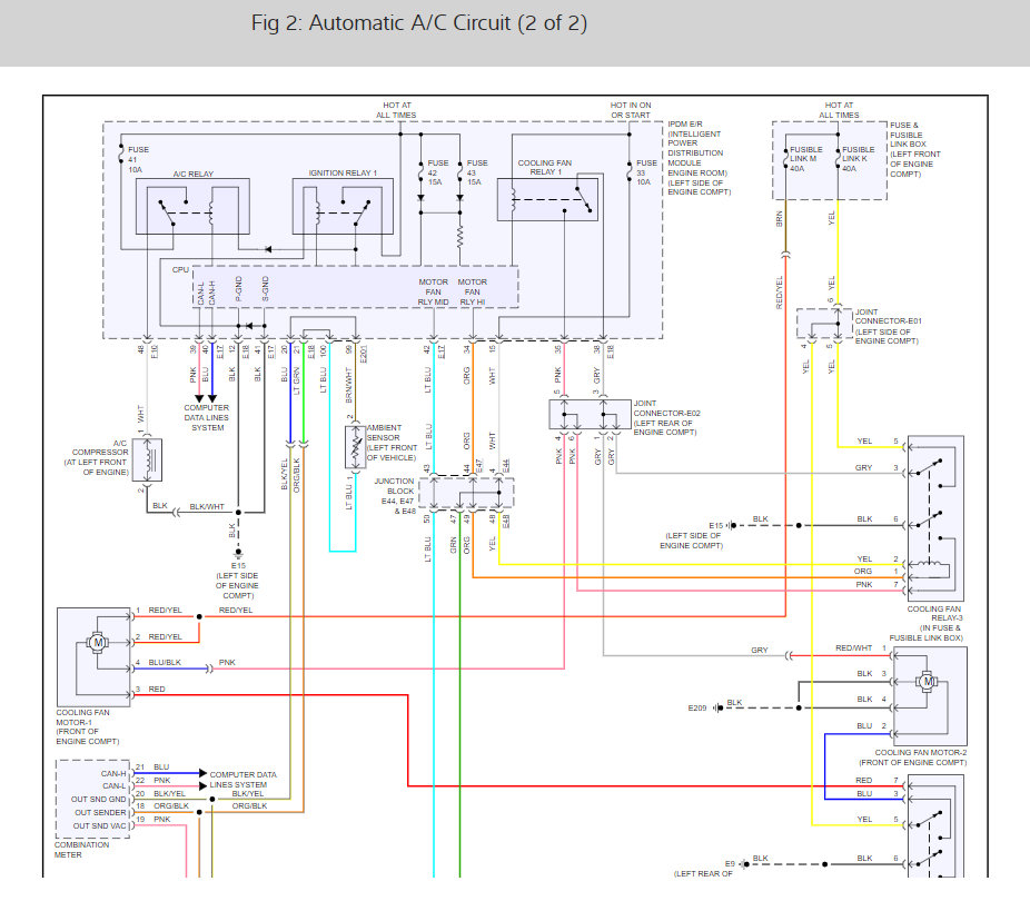
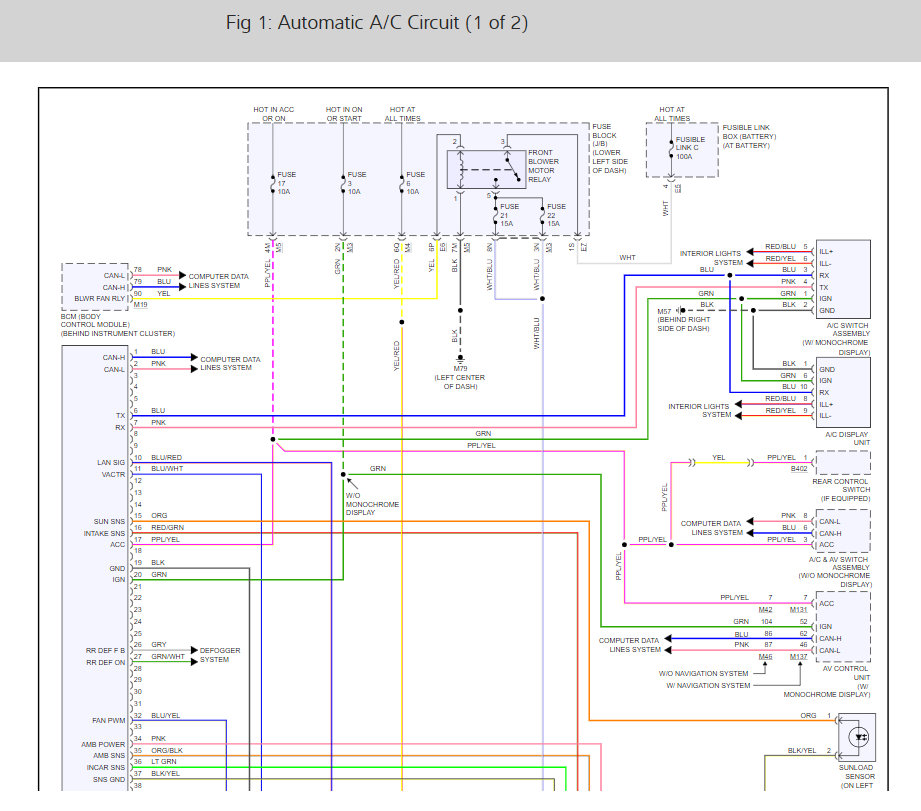
A/C relay is in IPDM E/R (intelligent power distribution module, engine room). Internal and not serviceable. Here are the air conditioner wiring diagrams so you can see how it works with a guide to help you check for power to see what's going on:

https://www.2carpros.com/articles/how-to-use-a-test-light-circuit-tester

Could it be its low on charge with will make the compressor not come on.

This video will help see:

https://youtu.be/uZrQCGwXfek

Check out the diagrams (below). Please let us know what you find. We are interested to see what it is.
Was this
answer
helpful?
Yes
No
Monday, July 8th, 2019 AT 11:32 AM
Tiny
MKILL75
  • MEMBER
  • 3 POSTS
Oh I see about relay, so it is not something I can change out. I don't think it is low I put gauge on low pressure port and shot up into red. When I squeeze trigger on recharge can pressure on gauge drops to nothing but doesn't seem to be putting any r134 into system. Pressure stays same each time I have tried. That wiring diagram looks confusing for me, I am not that knowledgeable when it comes to that kind of stuff. I guess I can get when of probe tester lights and start poking around. Thanks for help
Was this
answer
helpful?
Yes
No
Monday, July 8th, 2019 AT 3:38 PM
Tiny
KEN L
  • MASTER CERTIFIED MECHANIC
  • 55,488 POSTS
The gauge should go up not drop when you pull the trigger, is the 134a full? Check out the video.
Was this
answer
helpful?
Yes
No
Tuesday, July 9th, 2019 AT 9:37 AM
Tiny
MKILL75
  • MEMBER
  • 3 POSTS
Yes its a brand new can of 134a. Called A/C pro I believe. Ya but gauge is already in the red when I hook up to low side port, so if it went up then it would be even further in red on gauge, basically maxed out in the red if it did go up when I pulled trigger. But when I pull trigger it drops to 0 pressure according to gauge. The gauge I'm using, the hose and the can 134 are all brand new. I did have a previous hoes engage that I had put on the low port prior to buying the new setup and that also showed the pressure in the red when just the gauge was hooked on. Sounds like I got some kinda issue, expensive probably too with my luck. The serpentine belt and everything looks fine but the clutch will not engage it does turn though when I tried to turn it with the car off. And it turns with a little bit of drag to it l, which from what I think I read is the way it should be, it doesn't spin freely if you know what I mean.
Was this
answer
helpful?
Yes
No
Tuesday, July 9th, 2019 AT 12:13 PM
Tiny
KEN L
  • MASTER CERTIFIED MECHANIC
  • 55,488 POSTS
When you turn the system on does the clutch engage? It takes about 30 seconds for the system to come on btw. This guide can help you tell:

https://www.2carpros.com/articles/car-air-conditioner-not-working-or-is-weak

Please run down this guide and report back.
Was this
answer
helpful?
Yes
No
Wednesday, July 10th, 2019 AT 9:50 AM

Please login or register to post a reply.