A/C not blowing air at all

Tiny
LINDADOUGLAS,RN
  • MEMBER
  • 2005 PONTIAC VIBE
  • 2.0L
  • 4 CYL
  • 2WD
  • AUTOMATIC
  • 175,000 MILES
I can hear the compressor click on. Motor fan new and functional. Is this a blown fuse?
Saturday, October 7th, 2017 AT 3:22 PM

4 Replies

Tiny
STEVE W.
  • MECHANIC
  • 15,697 POSTS
Do you mean you have no fan on any setting hot or cold? OR does the fan work but you don't get cold air when you select AC? Different problems.
The first suggests a bad blower motor resistor. The second could be a bad blend door actuator. Please provide more information.
Was this
answer
helpful?
Yes
No
+1
Monday, October 9th, 2017 AT 3:52 PM
Tiny
LINDADOUGLAS,RN
  • MEMBER
  • 3 POSTS
The fan does not blow at all on hot or cold. I seems like I can hear the compressor clicking on and off but maybe just my imagination. I know my motor fan is still relatively new and it is working fine.
Was this
answer
helpful?
Yes
No
Monday, October 9th, 2017 AT 4:43 PM
Tiny
LINDADOUGLAS,RN
  • MEMBER
  • 3 POSTS
Oh, and how much are we looking at to replace either item?
Was this
answer
helpful?
Yes
No
Monday, October 9th, 2017 AT 4:44 PM
Tiny
STEVE W.
  • MECHANIC
  • 15,697 POSTS
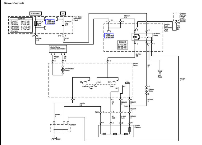
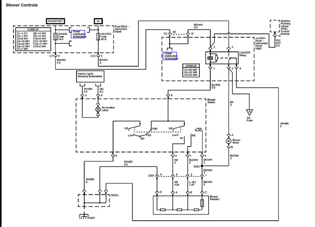
Okay, after looking at the way they wired the system I am retracting both of those and going with the blower control switch or the wiring to the blower motor failed if you are sure the AC is clicking on/off as you select it and you do not have high speed on the blower.
That is because the 40 amp heater fuse in the diagram also powers the AC system and the clutch as well as the blower motor. The blower resistor pack is removed from the circuit when on high speed and the switch and wiring to the blower motor itself are the only two items left if the motor itself is new.

So if you can check and see if the AC is actually working we can go from there.
Was this
answer
helpful?
Yes
No
Monday, October 9th, 2017 AT 6:30 PM

Please login or register to post a reply.