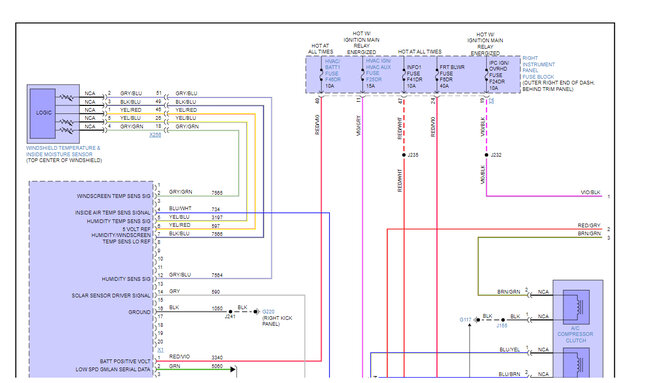
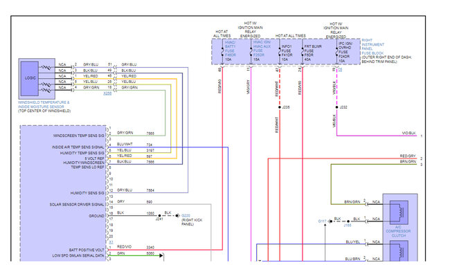
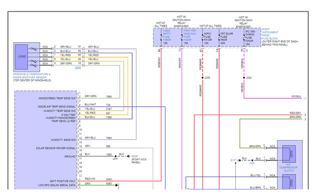
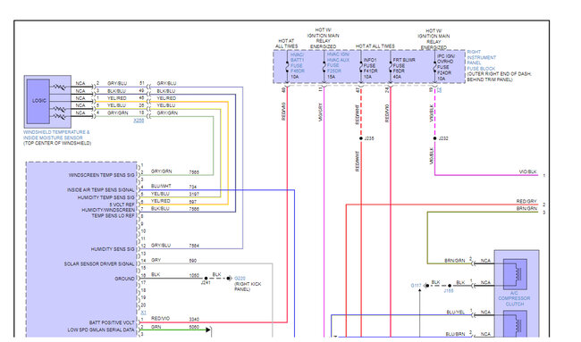
Thursday, December 15th, 2022 AT 9:00 AM
I can control it through the infotainment system but nothing on the climate control system is working. I’ve looked in the fuses but unsure if I have found the correct one. A/C is cold and blowing normally but just no controls.





















