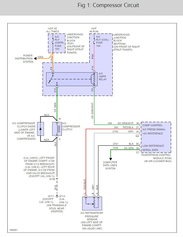
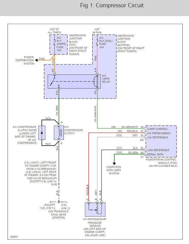
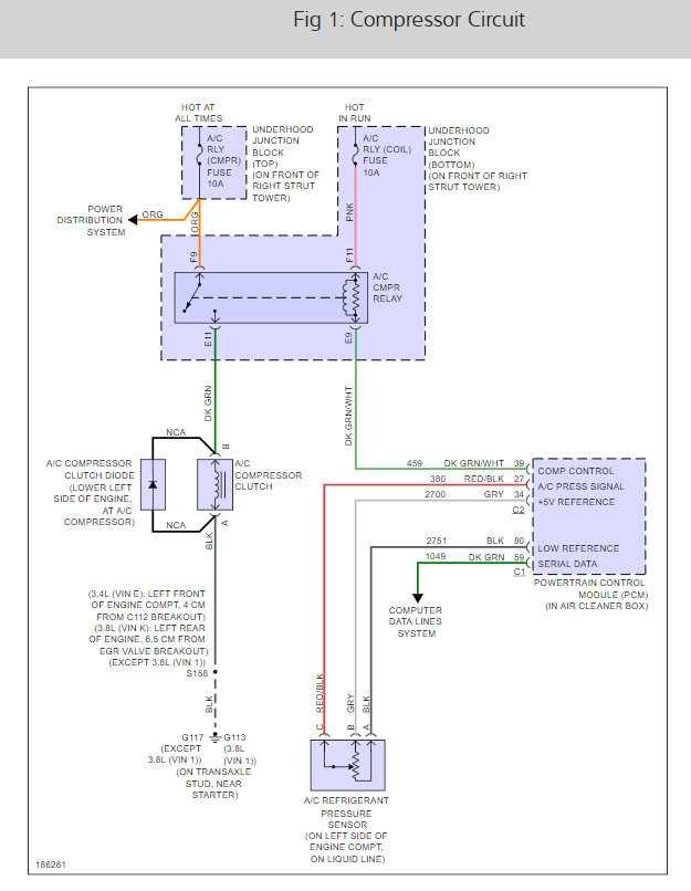
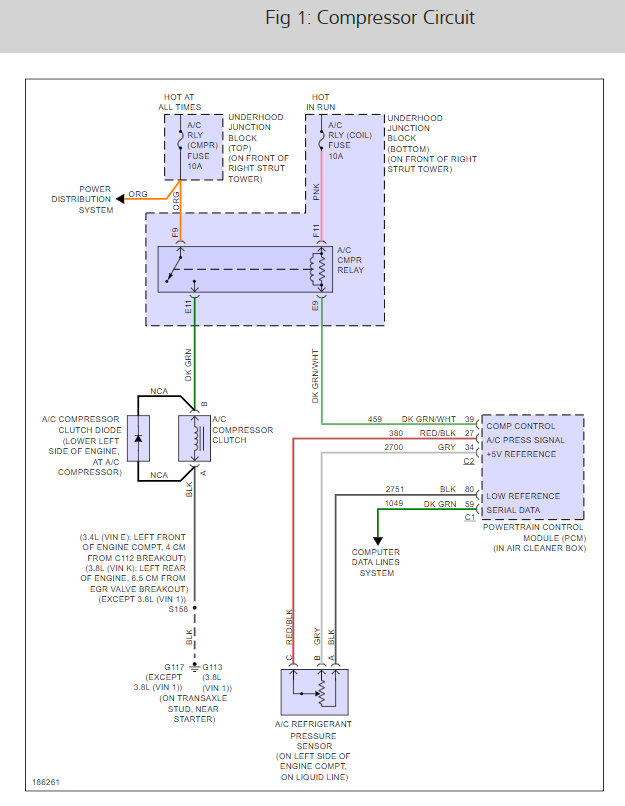
when I got ownership one of the A/C lines coming of the compressor was cut. I replaced the lines could not get vacuum to pull. After a close inspection the condenser had holes in it, so it has been replaced. It will pull a vacuum now when I try to give it Freon it will not take it the pressure regulates to the same for both sides. 80 lbs. Compressor will not come on. It will come on when jumped with hot wires.
Saturday, July 14th, 2018 AT 8:40 PM




