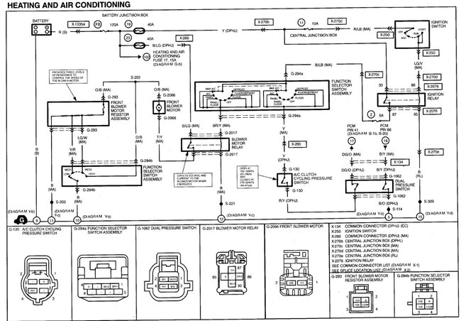
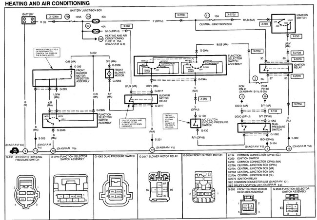
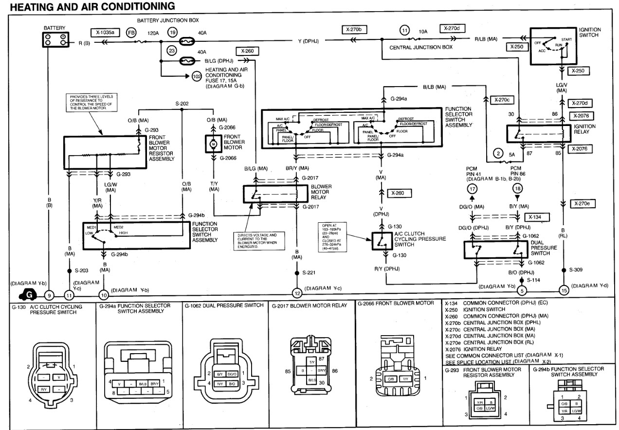
Saturday, June 29th, 2024 AT 3:43 PM
I'm looking for A/C evaporator temperature sensor location and diagram. Can't find anything about where or if it has one.



