Condenser fan

Tiny
JEPWO6
  • MEMBER
  • 2008 DODGE NITRO
  • 4.0L
  • V6
  • 4WD
  • AUTOMATIC
  • 133 MILES
Can the coolant fan be tested through the fan relay on the car listed above? Thanks
Tuesday, September 24th, 2019 AT 10:05 AM

1 Reply

Tiny
KEN L
  • MASTER CERTIFIED MECHANIC
  • 55,488 POSTS
Hello,

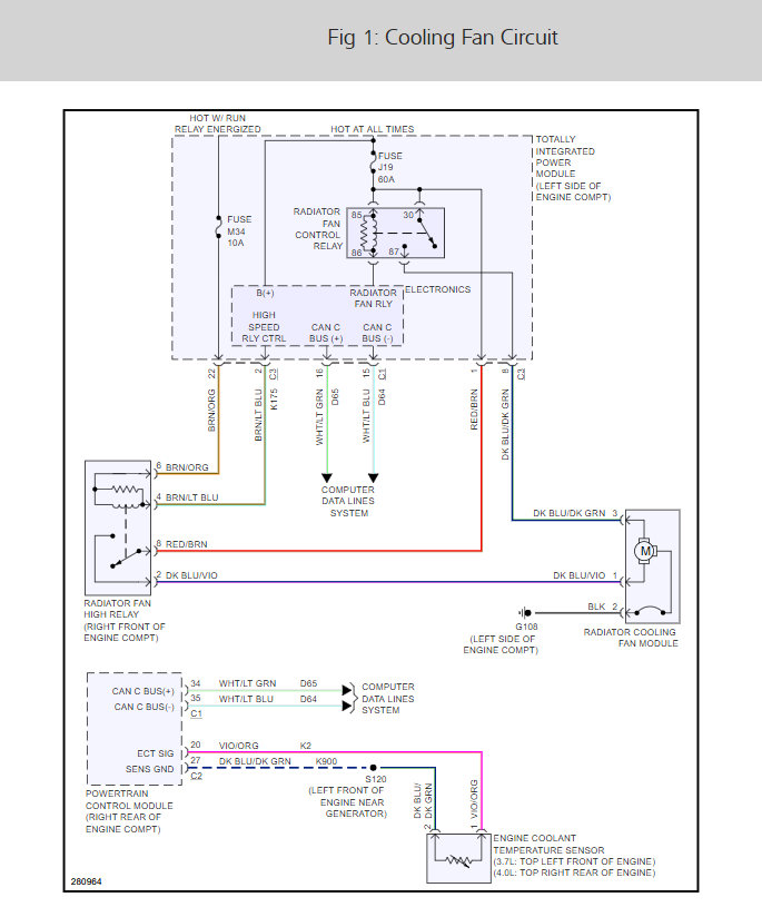
Yep, you must connect the 30 and 87 terminals of the fan relay. here is a wiring diagrams so you can see how the system works and where the relay is in the diagrams below:

https://www.2carpros.com/articles/replace-electric-fan-motor

Check out the diagrams (below). Please let us know if you need anything else to get the problem fixed.

Was this
answer
helpful?
Yes
No
Wednesday, September 25th, 2019 AT 12:57 PM

Please login or register to post a reply.