A/C does not light up, hot air?

Tiny
99RUNER316
  • MEMBER
  • 1999 TOYOTA 4RUNNER
  • 4WD
  • AUTOMATIC
  • 230,000 MILES
My A/C button came off over the winter. I just replaced the whole part with a new button and no light came on, and only hot air. Seems like a communication issue I don’t hear the A/C kick on when I push the button. Any help would be appreciated.
Thursday, April 13th, 2023 AT 2:12 PM

3 Replies

Tiny
JACOBANDNICKOLAS
  • MECHANIC
  • 110,194 POSTS
Hi,

Have you checked the AC fuse in the under-hood fuse box? There is a chance it failed while work was done or when the switch originally failed.

Start with that fuse. In addition to checking the fuse, make sure there is power to and from it.

Here is a link you may find helpful:

https://www.2carpros.com/articles/how-to-check-a-car-fuse

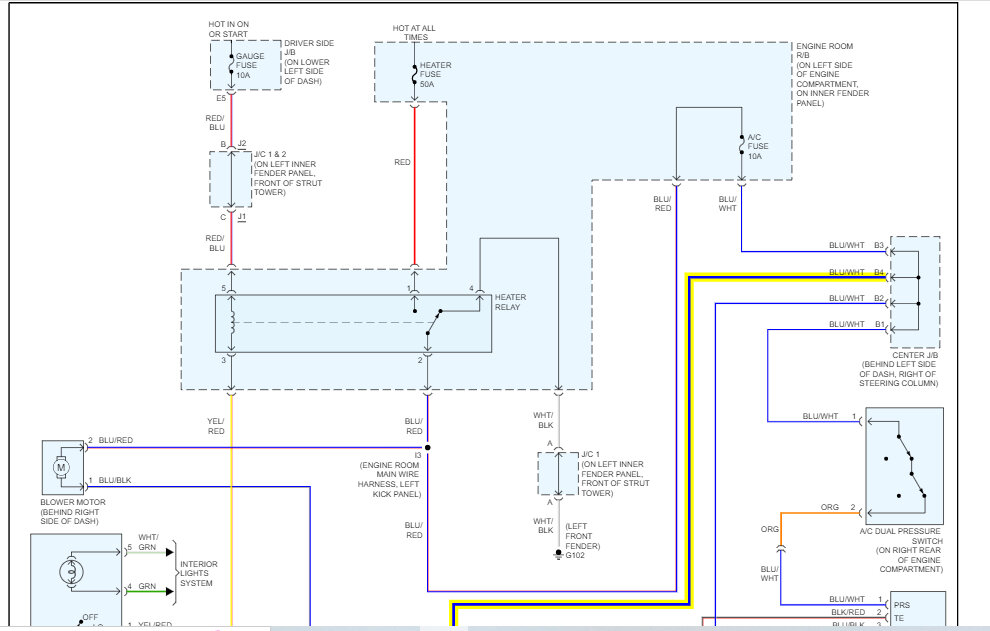
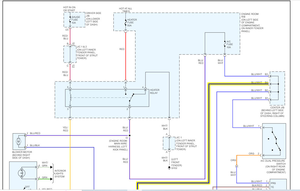
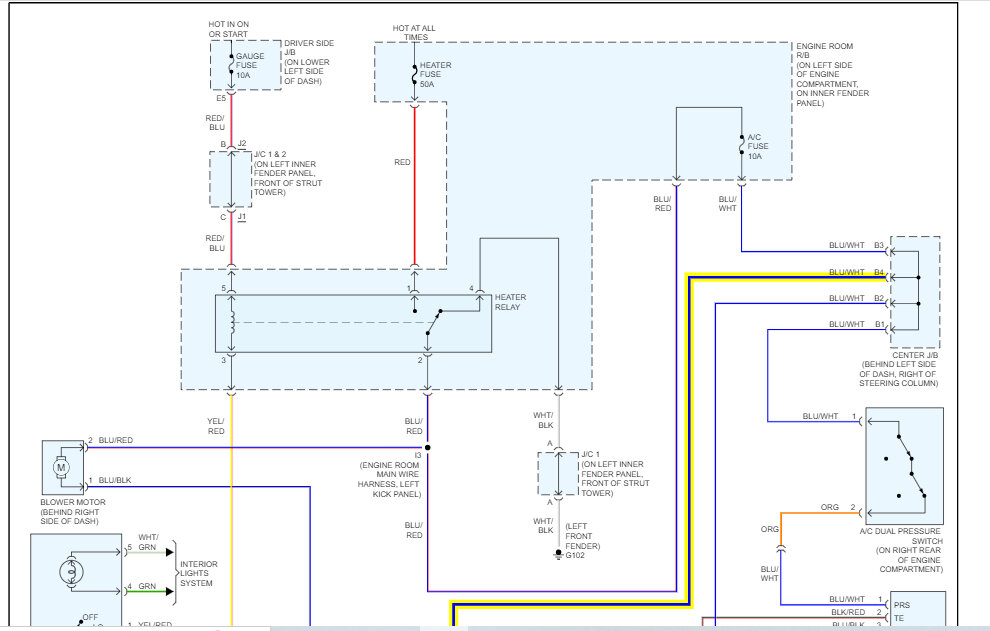
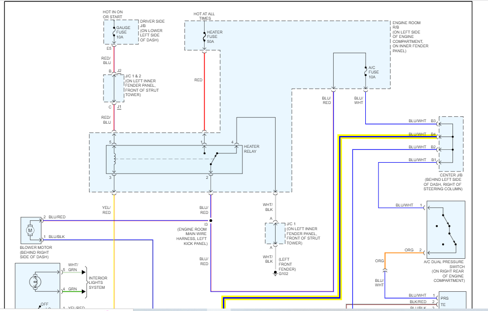
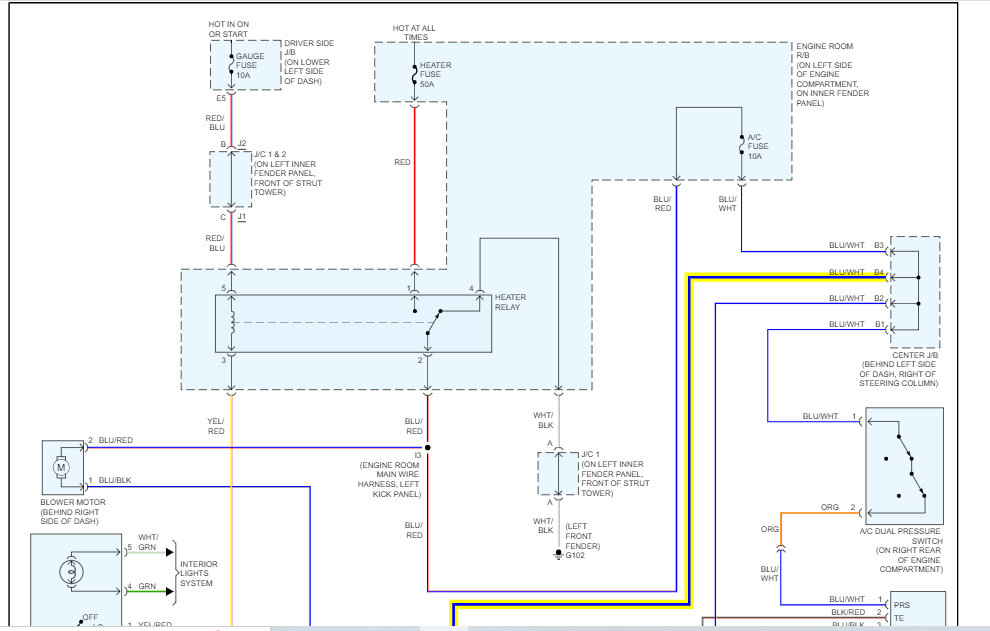
I attached the wiring schematic below, so you have a reference. I highlighted several wires when trying to determine where there could be an issue, so please ignore them.

Start with the fuse I mentioned. Also, let me know if the blower motor is working.

Take care,

Joe

See pics below. Note: I had to cut the page in half to make the schematic readable for you. I did overlap them. Also, the last pic is the under-hood fuse box. I highlighted the fuse.

Was this
answer
helpful?
Yes
No
Friday, April 14th, 2023 AT 7:42 PM
Tiny
99RUNER316
  • MEMBER
  • 3 POSTS
So, I put in a new fuse, and it blew, still no light on when the A/C button is pushed in- no cold air compressor not kicking in.
Was this
answer
helpful?
Yes
No
Sunday, April 16th, 2023 AT 12:19 PM
Tiny
JACOBANDNICKOLAS
  • MECHANIC
  • 110,194 POSTS
Hi,

We have a short at some point. Did the fuse fail as soon as it was installed, or did you need to turn on the AC for it to fail? Also, please confirm which fuse it was.

Let me know.

Joe
Was this
answer
helpful?
Yes
No
Sunday, April 16th, 2023 AT 6:34 PM

Please login or register to post a reply.