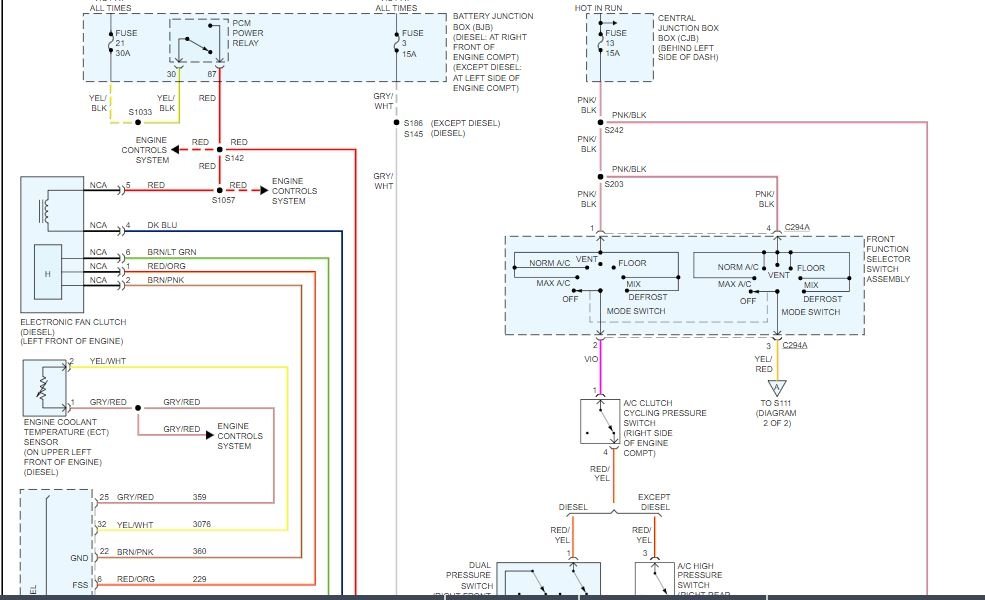
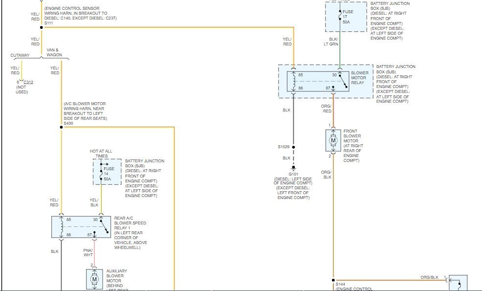
Friday, September 14th, 2018 AT 12:18 PM
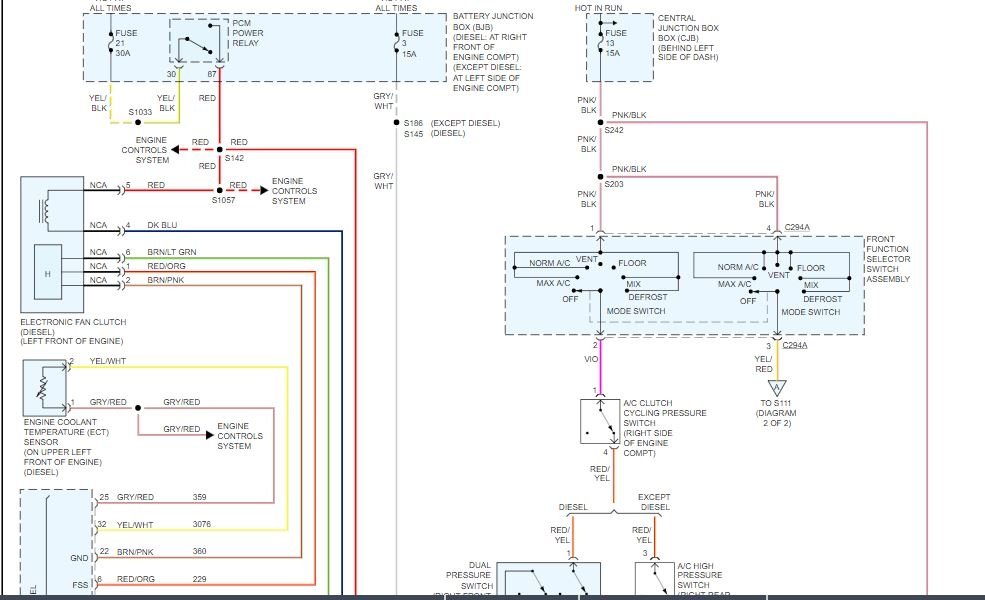
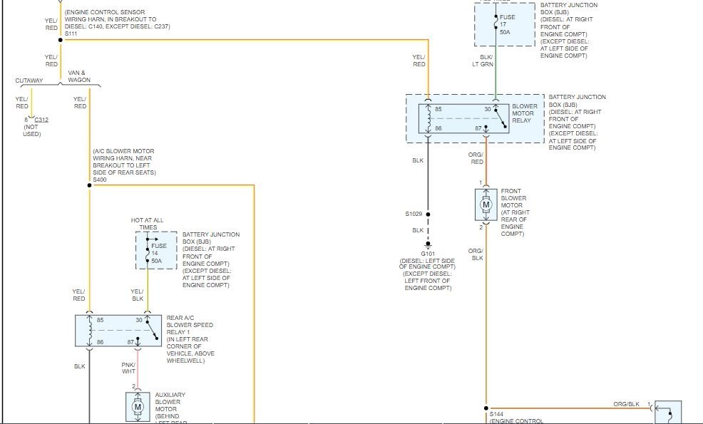
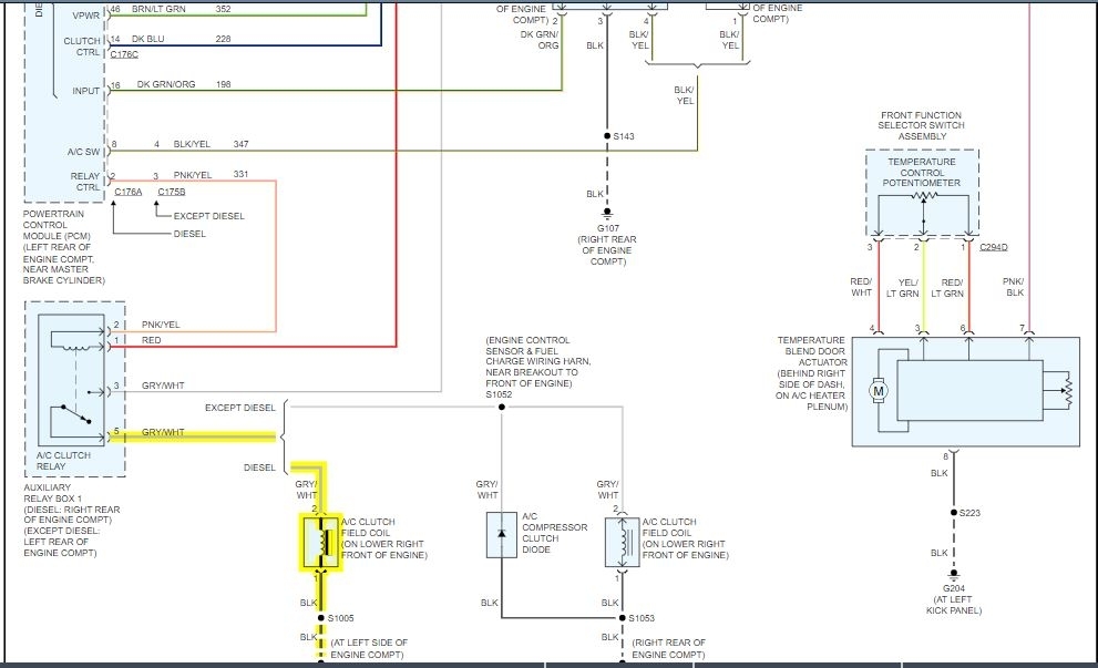
Driving with A/C on, it is cooling. If I hit a bump it it continues to run but air is warm, hit another rough spot it comes back cool again. It makes a sound when this occurs like compressor is coming on and off. I may drive several miles between intervals.






