A/C control panel has no light

Tiny
AMANDA21KJ
  • MEMBER
  • 2008 TOYOTA SIENNA
  • 2WD
  • AUTOMATIC
  • 118,000 MILES
My A/C control panel does not light up and I cannot figure out where the fuse is or how to check the bulb. Help please
Tuesday, October 30th, 2018 AT 4:19 AM

1 Reply

Tiny
KEN L
  • MASTER CERTIFIED MECHANIC
  • 55,350 POSTS
Hello,

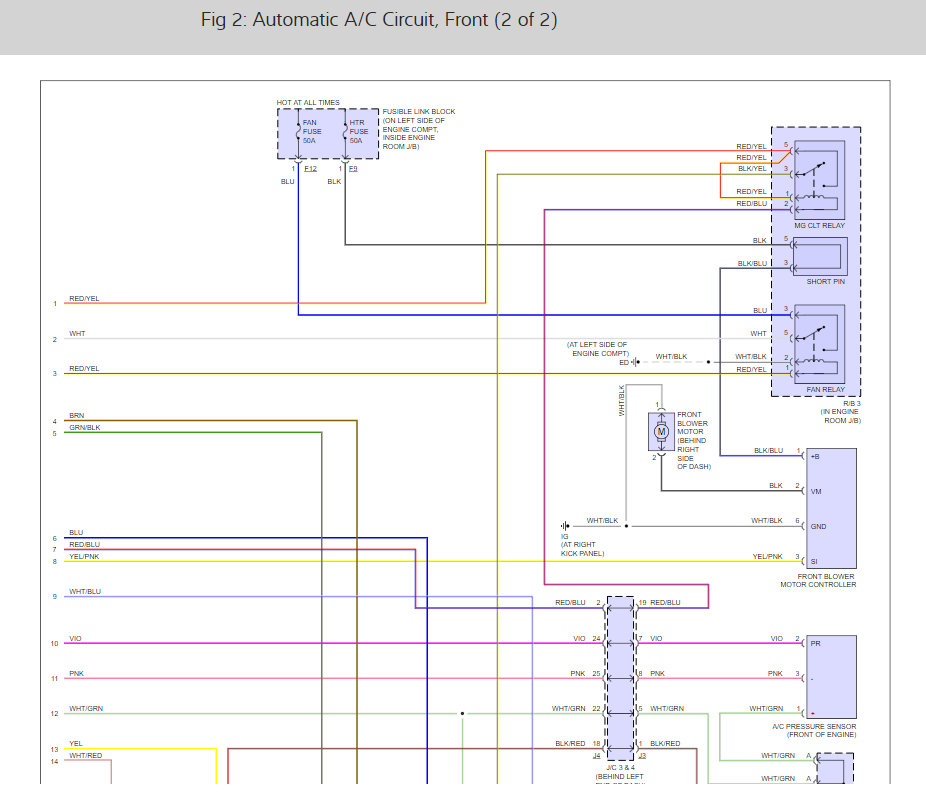
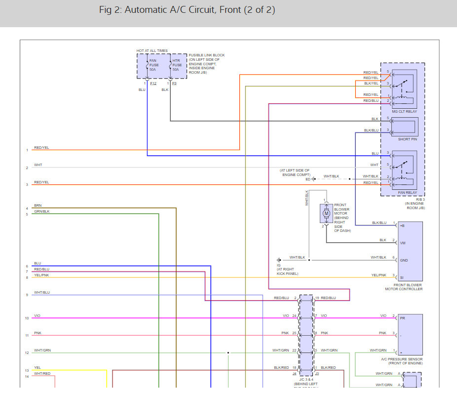
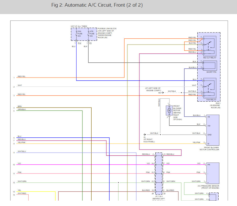
There are three fuses that run the system that we need to check for power. Here is a guide to help us get started with the air conditioner wiring diagrams so you can see how the system works along with the fuse locations below. Checks interior fuses, ECU ACC, HTR and engine compartment fuse ECU-B

https://www.2carpros.com/articles/how-to-check-a-car-fuse

Check out the diagrams (below). Please let us know what you find. We are interested to see what it is.

Cheers, Ken
Was this
answer
helpful?
Yes
No
-1
Wednesday, October 31st, 2018 AT 12:04 PM

Please login or register to post a reply.