A/C control panel When it fails, I get no fan, or temperature Change?

Tiny
JETRNGR430
  • MEMBER
  • 2018 CHEVROLET EXPRESS
  • 6.0L
  • V8
  • 2WD
  • AUTOMATIC
  • 129,000 MILES
I'm now going on the 4th control panel. When it fails, I get no fan, or temperature. Change. In fact, all that comes out of the vent is hot. When the first started I would sometimes thump the panel lightly and it would work again.
I kept the old panel from the last change out and noticed one pin looked lightly burnt or at least discolored compared to the others. (See red circle in attached pic) (the pic is a stock photo not the actual part) I also have rear A/C and that seems to work okay.
Saturday, June 3rd, 2023 AT 5:39 AM

12 Replies

Tiny
KEN L
  • MASTER CERTIFIED MECHANIC
  • 55,420 POSTS
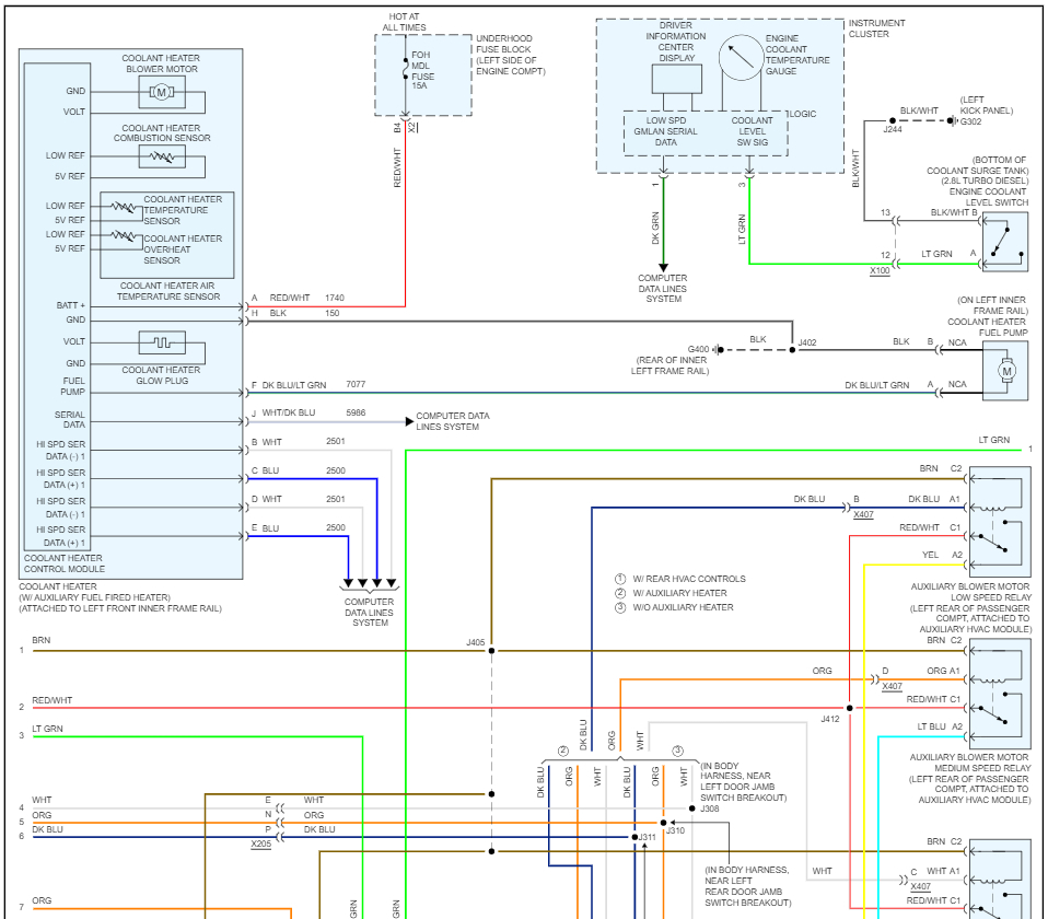
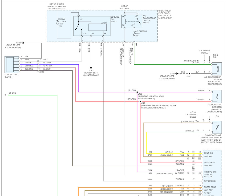
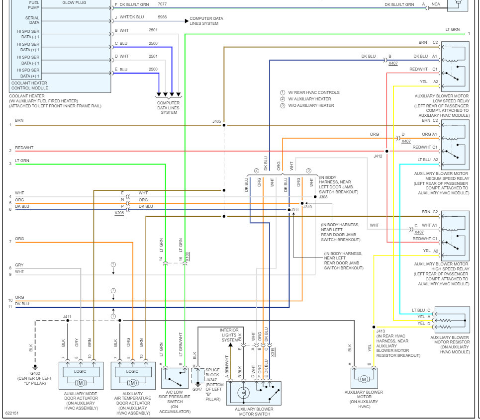
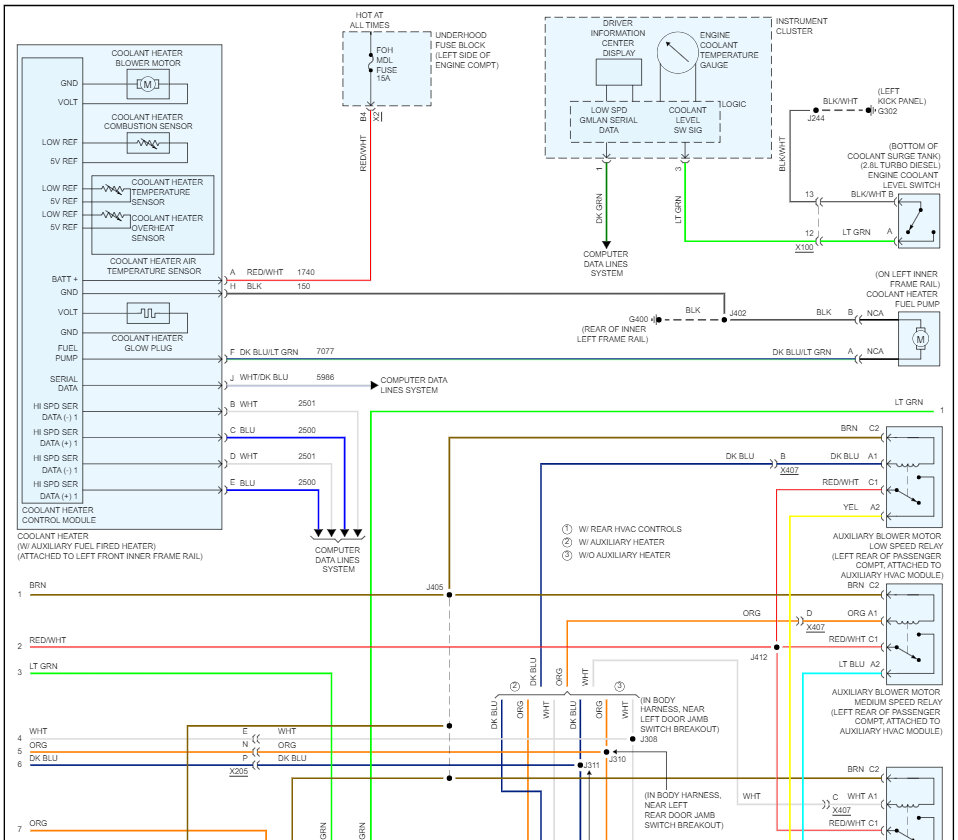
The pin looks okay, this kind of problem happens when the system is overloaded due to a bad ground or high amperage output. I would use this guide to help check the grounds and if okay I would replace the blower motor and resistor:

https://www.2carpros.com/articles/how-to-check-wiring

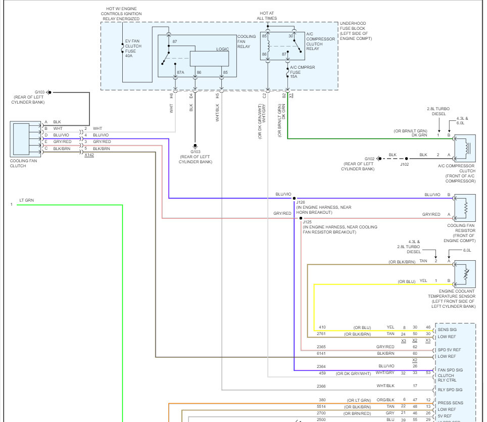
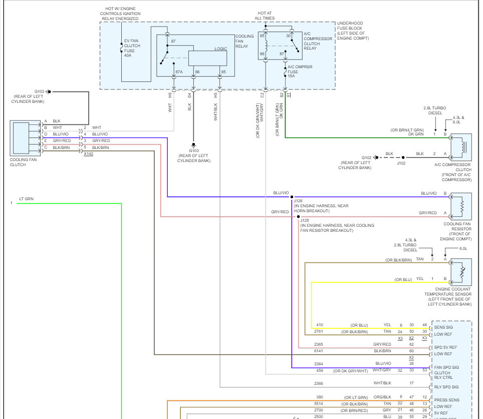
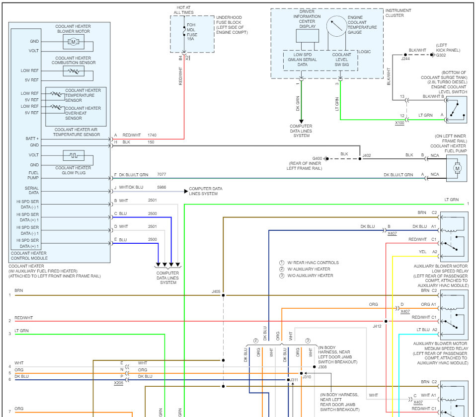
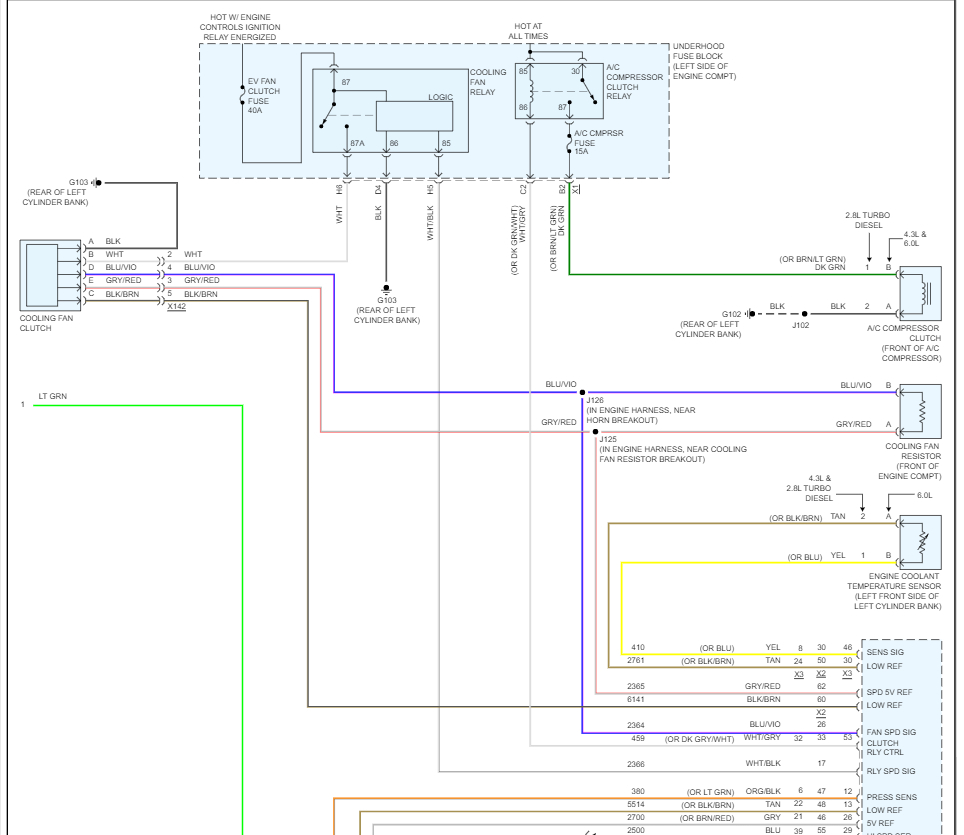
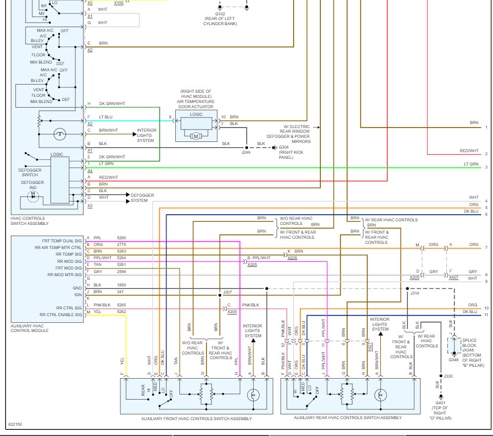
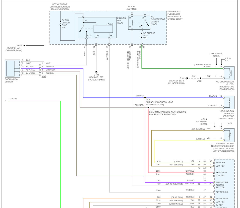
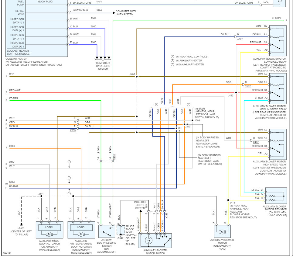
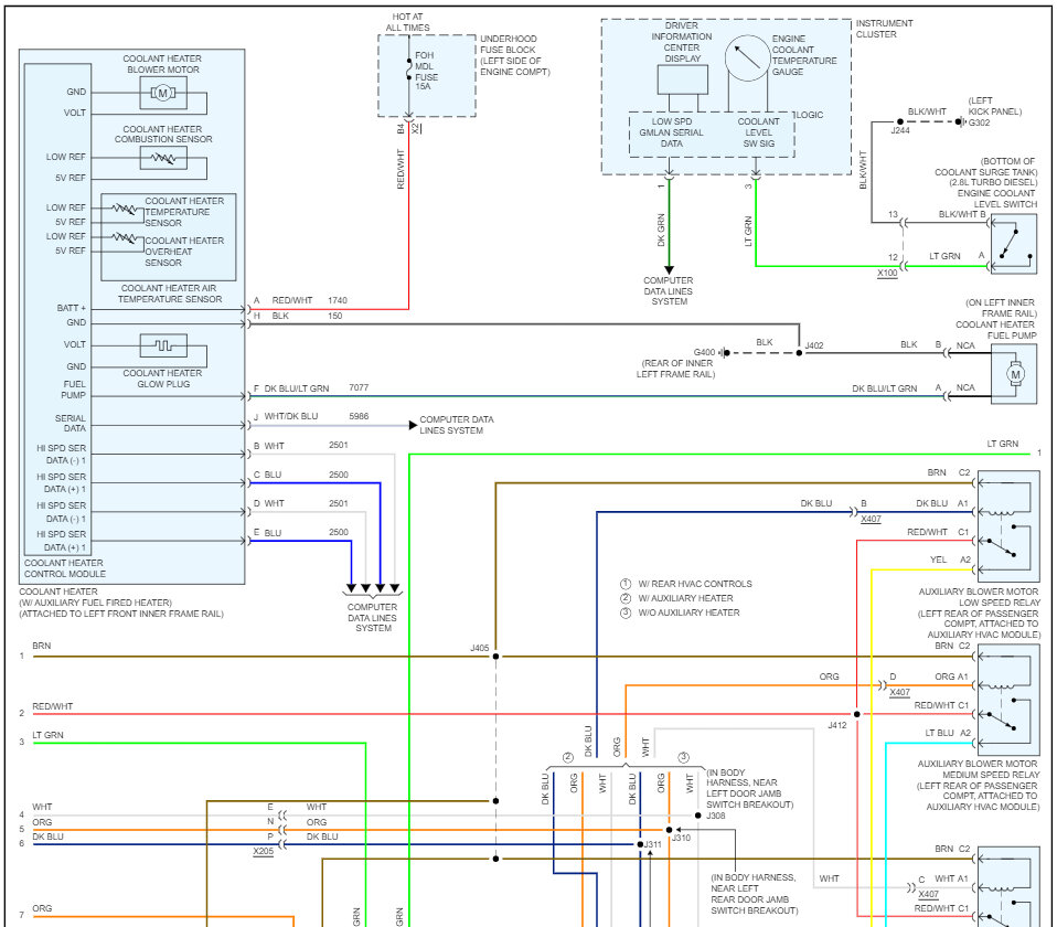
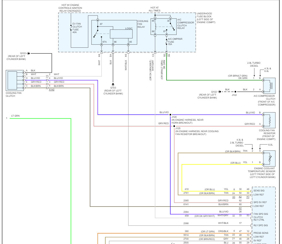
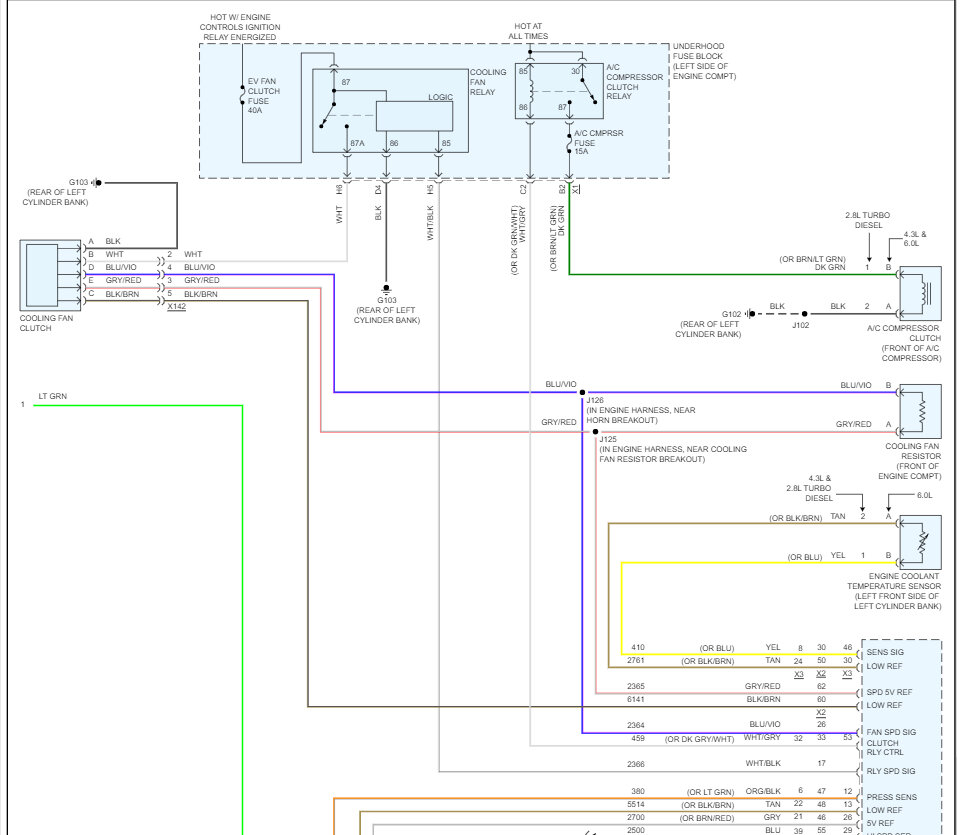
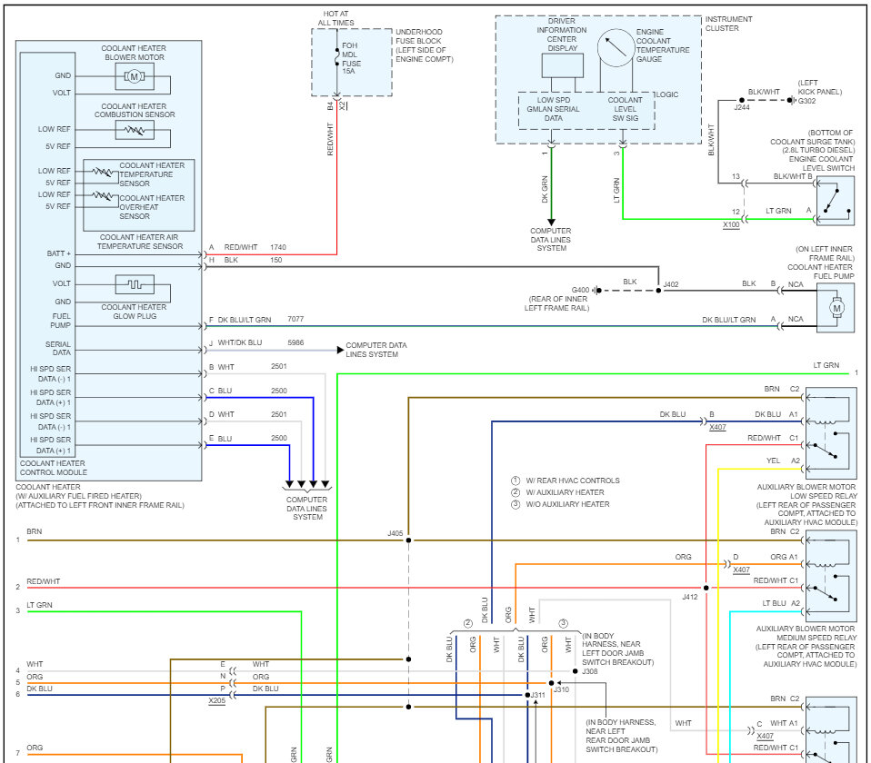
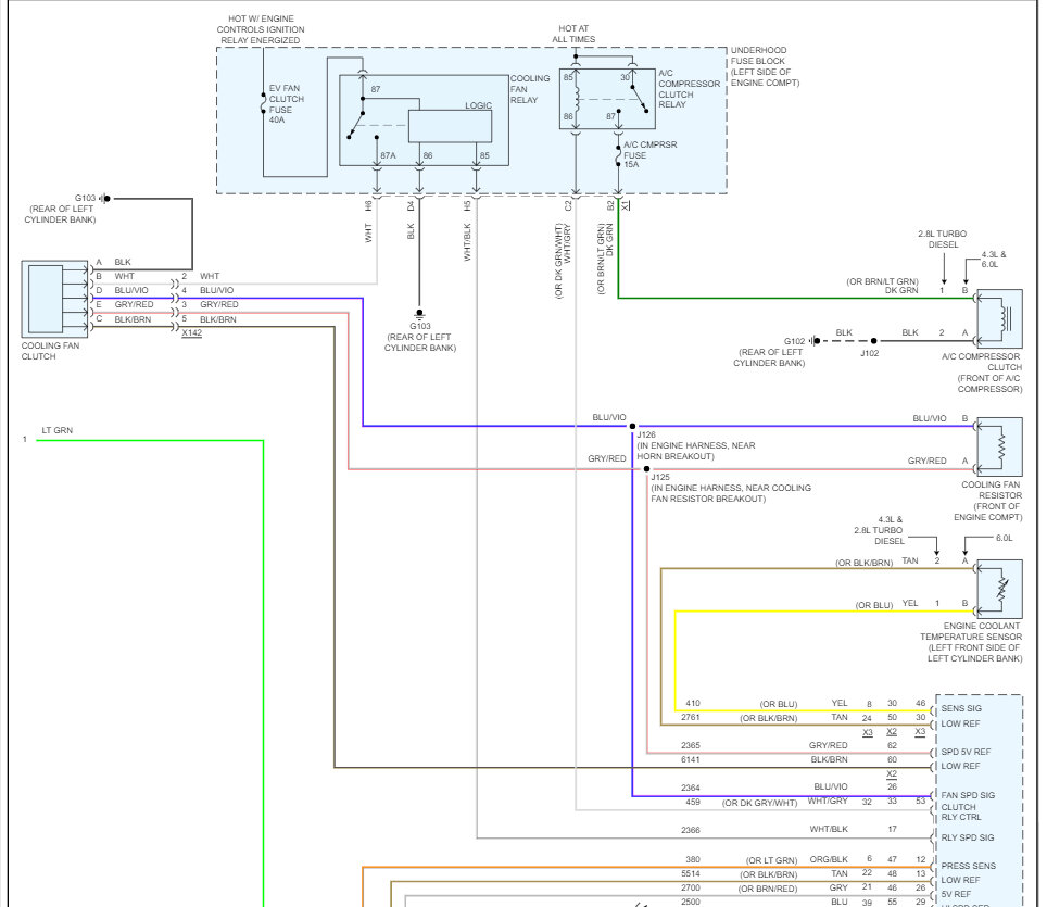
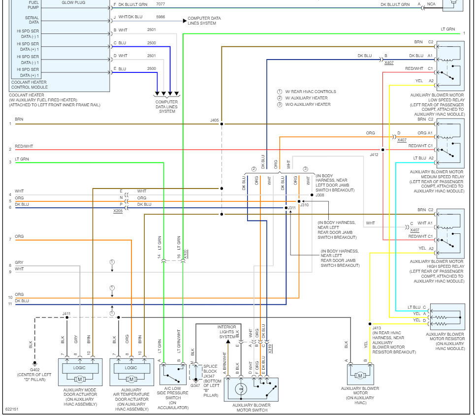
Here are the wiring diagrams for the HVAC system so you can see which wires to test and how the system works. Check out the images (below). Let us know what happens and please upload pictures or videos of the problem so we can see what's going on.
Was this
answer
helpful?
Yes
No
+1
Saturday, June 3rd, 2023 AT 10:48 AM
Tiny
JETRNGR430
  • MEMBER
  • 7 POSTS
Thank You Ken! I will definitely look into that. BTW The pic in my first post was NOT of the unit I pulled out. That was just a stock photo I used. The two attached to this response are from my van. Hope they clear things up.
Was this
answer
helpful?
Yes
No
Saturday, June 3rd, 2023 AT 3:31 PM
Tiny
KEN L
  • MASTER CERTIFIED MECHANIC
  • 55,420 POSTS
Yep, that terminal is overheated, can you tell me the color of the wire in the connector that the terminal corresponds with? Also the wiring connector will need to be replaced along with the HVAC controller.
Was this
answer
helpful?
Yes
No
+1
Sunday, June 4th, 2023 AT 9:41 AM
Tiny
JETRNGR430
  • MEMBER
  • 7 POSTS
Thanks Ken. I already have a new control panel on the way. I was waiting to take the dash apart until that panel arrived. I'd rather only do it once. Lol. In the meantime, I have the 6 volume set of GM service manuals for this van. There is a ton of information there. I'm poring over the Wiring Systems and Power Management section now. With your help I at least have an initial path to follow. Once the panel arrives, I'll be pulling the dash and the engine cover off to check the ground connections on the back of the left cylinder head and any wiring harnesses related to the a/c controller.

I'll definitely let you know what I find, and I'll record any anomalies I discover.

Thanks again for all your help!
Was this
answer
helpful?
Yes
No
Sunday, June 4th, 2023 AT 12:31 PM
Tiny
JETRNGR430
  • MEMBER
  • 7 POSTS
Upon looking through the service manual I came across this page which seems to be the connector in question. If so the wire color would be BN (brown). If I’m interpreting the chart correctly, the function of that wire would be “Run ignition 3 Voltage”.
Was this
answer
helpful?
Yes
No
Monday, June 5th, 2023 AT 5:59 AM
Tiny
KEN L
  • MASTER CERTIFIED MECHANIC
  • 55,420 POSTS
Yes, this should be 12 volts with the ignition on, engine running, please check the wiring diagram I provided to confirm.
Was this
answer
helpful?
Yes
No
+1
Tuesday, June 6th, 2023 AT 7:35 AM
Tiny
JETRNGR430
  • MEMBER
  • 7 POSTS
Well, this looks less than desirable. Now to find out why.
Was this
answer
helpful?
Yes
No
Tuesday, June 6th, 2023 AT 2:40 PM
Tiny
KEN L
  • MASTER CERTIFIED MECHANIC
  • 55,420 POSTS
It could have been a bad connection from the start, bad ground or the blower motor is pulling too many amps. Thanks for the images and let me know what you find.
Was this
answer
helpful?
Yes
No
+1
Wednesday, June 7th, 2023 AT 10:27 AM
Tiny
JETRNGR430
  • MEMBER
  • 7 POSTS
Will do Ken! Thanks again!
Was this
answer
helpful?
Yes
No
Wednesday, June 7th, 2023 AT 11:22 AM
Tiny
KEN L
  • MASTER CERTIFIED MECHANIC
  • 55,420 POSTS
Please let us know what happens.
Was this
answer
helpful?
Yes
No
+1
Friday, June 9th, 2023 AT 10:14 AM
Tiny
JETRNGR430
  • MEMBER
  • 7 POSTS
Okay, so today I spliced in a new wire and connector. I used the original plug. It wasn't so distorted that it warranted cutting and replacing all the wires in that plug. I also checked the ground wires behind the pass. Kick panel and on the rear of the left cylinder head. Both were tight and clean. I reassembled the dash, and the A/C is blowing cold as it should.

Thanks, Guys for the excellent assistance!
Was this
answer
helpful?
Yes
No
Sunday, June 11th, 2023 AT 2:41 PM
Tiny
KEN L
  • MASTER CERTIFIED MECHANIC
  • 55,420 POSTS
Nice work on the repair! Glad you could get it fixed, thanks for letting us know. Please use 2CarPros anytime we are here to help.
Was this
answer
helpful?
Yes
No
+1
Monday, June 12th, 2023 AT 9:25 AM

Please login or register to post a reply.