A/C compressor pulley out of alignment

Tiny
CHRIS SILVERADO
  • MEMBER
  • 2014 CHEVROLET 1500
  • 5.3L
  • V8
  • 2WD
  • AUTOMATIC
  • 33,800 MILES
I replaced my A/C compressor stretch belt and the compressor pulley is forward of the crank pulley by about 1/8” or one belt groove. I removed it to avoid damage to the new belt. I checked the compressor clutch and pulley and neither appear to be loose and the crank pulley is not loose. Also, I cannot move the compressor either and it is bolted tight as far as I can see. What caused it to shift forward and how can I repair it so I can put the belt back on?
Thursday, May 10th, 2018 AT 1:24 PM

19 Replies

Tiny
ASEMASTER6371
  • MECHANIC
  • 52,796 POSTS
Good evening.

Did the old compressor line up with the belt?

Did you use a new or rebuilt compressor? What brand and part number? Trying to see if you have the correct compressor.

Roy
Was this
answer
helpful?
Yes
No
-1
Thursday, May 10th, 2018 AT 3:26 PM
Tiny
CHRIS SILVERADO
  • MEMBER
  • 11 POSTS
It is the original compressor. My A/C worked fine and then stopped. I discovered that the A/C compressor belt had been destroyed. Picture attached. The compressor was not locked and the clutch and pulley spun freely so I purchased a new belt and installed it. Upon cranking the motor I could hear something wrong so I shut it off and looked at the belt. It had ridden up over the back edge of the pulley. I then removed the stretch belt and put a straight edge on the front of the compressor pulley. It is 1/8” forward of the crank pulley. I cannot figure out how it moved. Nothing seems loose.
Was this
answer
helpful?
Yes
No
+1
Thursday, May 10th, 2018 AT 3:42 PM
Tiny
CHRIS SILVERADO
  • MEMBER
  • 11 POSTS
I thought about replacing the clutch, pulley and coil but it does not seem as if they are bad. Perhaps the bearing is shot but it sounds smooth and there is no play so I do not see how it would shift forward.
Was this
answer
helpful?
Yes
No
-1
Thursday, May 10th, 2018 AT 3:47 PM
Tiny
ASEMASTER6371
  • MECHANIC
  • 52,796 POSTS
Okay.

Are you sure there is no tension-er pulley or idler pulley locked up causing that? 1/8 of an inch should not tear up a belt like that on cranking at all. Looks like you have another issue.

As far as the compressor, the pulley on the clutch may have slipped on the compressor and moved forward. It may be the clutch assembly itself.

Roy
Was this
answer
helpful?
Yes
No
Thursday, May 10th, 2018 AT 3:50 PM
Tiny
CHRIS SILVERADO
  • MEMBER
  • 11 POSTS
It is a stretch belt for just the A/C. There is no tension-er on the late model Silverado’s. Nothing is locked up. The new belt was stretched up over the back lip of the pulley with about 3/4 of it still on the pulley. If it had run like that for long it would separate and melt just like the old belt. I took a couple of pictures and used a yellow saw blade for contrast as a straight edge. Could the pulley have moved and everything still feel solid as it should with no binding and no play?
Was this
answer
helpful?
Yes
No
Thursday, May 10th, 2018 AT 4:08 PM
Tiny
CHRIS SILVERADO
  • MEMBER
  • 11 POSTS
There is a snap ring that holds the pulley in place so unless the bearing is not staked in place and it somehow allowed the pulley to come forward on it (probably closer to 1/4” instead of 1/8”) then I cannot figure out what happened. If that is possible and there is not anything else it could be I will get a puller and pull all that off and replace it.
Was this
answer
helpful?
Yes
No
Thursday, May 10th, 2018 AT 4:38 PM
Tiny
ASEMASTER6371
  • MECHANIC
  • 52,796 POSTS
That is very possible.

No puller needed.
Remove the bolt in the front and the plate will come off.

Picture and procedure below.

Roy
Was this
answer
helpful?
Yes
No
+1
Thursday, May 10th, 2018 AT 4:49 PM
Tiny
CHRIS SILVERADO
  • MEMBER
  • 11 POSTS
Okay. Thank you. Time to get under the truck.

Chris
Was this
answer
helpful?
Yes
No
Thursday, May 10th, 2018 AT 4:52 PM
Tiny
ASEMASTER6371
  • MECHANIC
  • 52,796 POSTS
Keep us updated.

Roy
Was this
answer
helpful?
Yes
No
Thursday, May 10th, 2018 AT 4:54 PM
Tiny
CHRIS SILVERADO
  • MEMBER
  • 11 POSTS
Ordered the parts. Will post the outcome when done.

Chris
Was this
answer
helpful?
Yes
No
Thursday, May 10th, 2018 AT 5:43 PM
Tiny
ASEMASTER6371
  • MECHANIC
  • 52,796 POSTS
Keep us updated.
Was this
answer
helpful?
Yes
No
Thursday, May 10th, 2018 AT 5:52 PM
Tiny
CHRIS SILVERADO
  • MEMBER
  • 11 POSTS
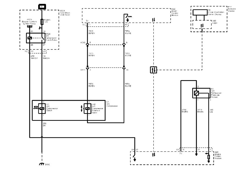
Installed new A/C compressor coil, pulley, clutch. I used the shim from the old assembly (clutch was dragging slightly without it. Belt runs smooth. Unfortunately the A/C will not kick on the compressor. I checked the wire connector for the compressor with a test light and got no light with A/C controls on. Still not sure what caused the original A/C belt to be destroyed since everything seems to turn freely. The compressor is not locked up. Could it be a bad compressor even though the clutch turns freely. I visually inspected all fuses related to the A/C again and swapped the A/C control micro relay with the fuel pump relay (identical relay) with no positive results. The A/C control module switch illuminates but I cannot be sure it is not a bad switch. Before I buy a new A/C control module or pay upwards of a $1,000.00 to have a new compressor put in (or possibly some other issue) is there; 1.) A way to know if the compressor is shot? (I verified clutch turns freely already) 2.) A proper order to check wiring with a volt meter (possibly starting with A/C control module to fuses, relays and then to compressor)? I have a Haynes manual and think I know what wires to check on the wiring diagram, but I am not positive.
Was this
answer
helpful?
Yes
No
Sunday, May 27th, 2018 AT 3:50 PM
Tiny
ASEMASTER6371
  • MECHANIC
  • 52,796 POSTS
Okay, if it has no power it will not work. That does not mean the compressor is bad.

first thing you need to do is check for pressure in the AC system. it needs at least 25 lbs for the switch to send a signal to the PCM to close the relay.

Do you have gauges to check the ac system?

Roy

https://www.2carpros.com/articles/car-air-conditioner-not-working-or-is-weak
Was this
answer
helpful?
Yes
No
Sunday, May 27th, 2018 AT 3:59 PM
Tiny
CHRIS SILVERADO
  • MEMBER
  • 11 POSTS
I have a gauge that came with a can of R134a that I used on my 1995 K1500. It connects to the low pressure port. Will that do?
Was this
answer
helpful?
Yes
No
Sunday, May 27th, 2018 AT 4:43 PM
Tiny
ASEMASTER6371
  • MECHANIC
  • 52,796 POSTS
Hook it up and see what it reads.
Was this
answer
helpful?
Yes
No
Sunday, May 27th, 2018 AT 4:45 PM
Tiny
CHRIS SILVERADO
  • MEMBER
  • 11 POSTS
Some slight pressure was escaping the gauge/hose at the low pressure fitting and the fitting past the gauge where the refrigerant bottle hooks up. The gauge was at zero.
Was this
answer
helpful?
Yes
No
Sunday, May 27th, 2018 AT 4:58 PM
Tiny
ASEMASTER6371
  • MECHANIC
  • 52,796 POSTS
Okay, you have an empty system which means you have a leak.

You will need to fill it up and find the leak, repair it and then EVAC and charge it.

That should get the compressor working.

Roy

https://www.2carpros.com/articles/air-conditioner-leak-detection

https://www.2carpros.com/articles/re-charge-an-air-conditioner-system
Was this
answer
helpful?
Yes
No
Sunday, May 27th, 2018 AT 5:14 PM
Tiny
CHRIS SILVERADO
  • MEMBER
  • 11 POSTS
Thank you Roy. I will see if I can find the leak.

Chris
Was this
answer
helpful?
Yes
No
-1
Sunday, May 27th, 2018 AT 5:52 PM
Tiny
ASEMASTER6371
  • MECHANIC
  • 52,796 POSTS
You are welcome.

Keep us updated.

Roy
Was this
answer
helpful?
Yes
No
+1
Sunday, May 27th, 2018 AT 5:54 PM

Please login or register to post a reply.