Wednesday, February 24th, 2021 AT 7:25 PM
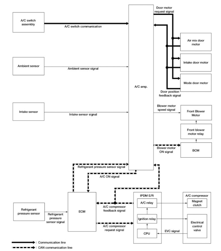
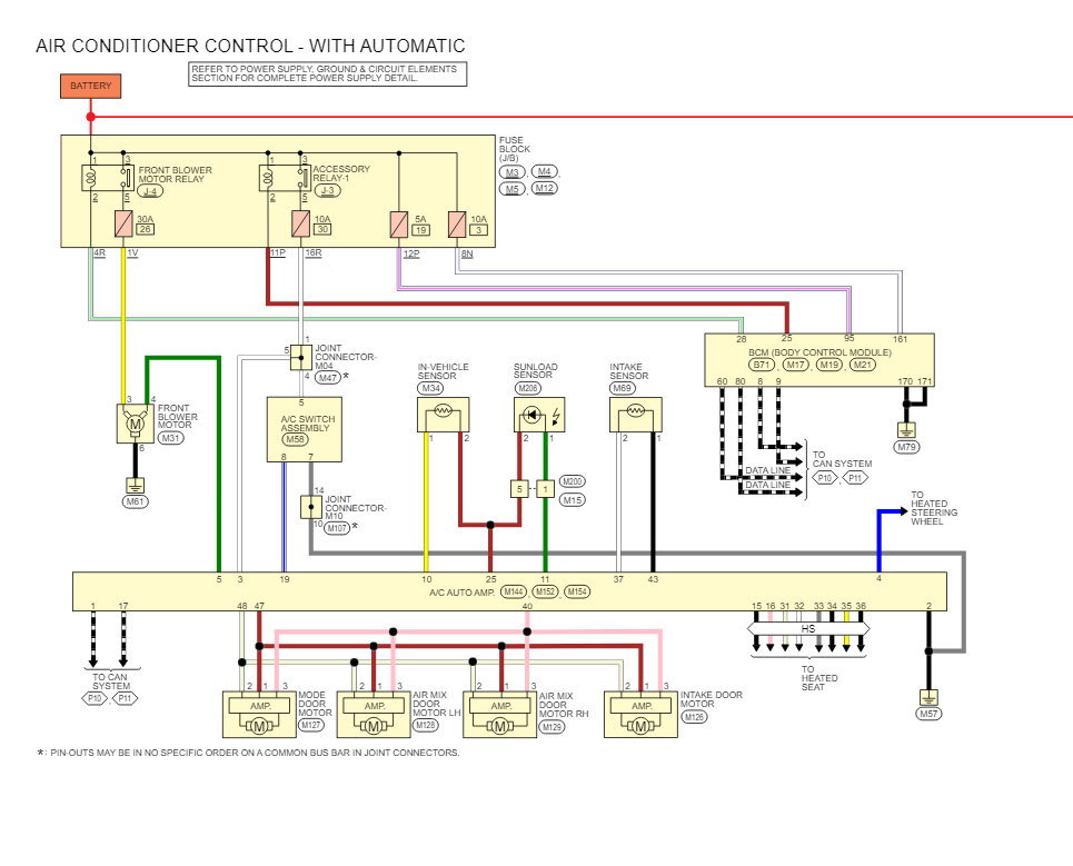
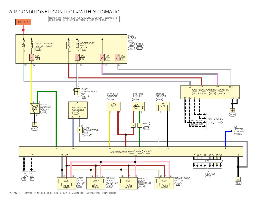
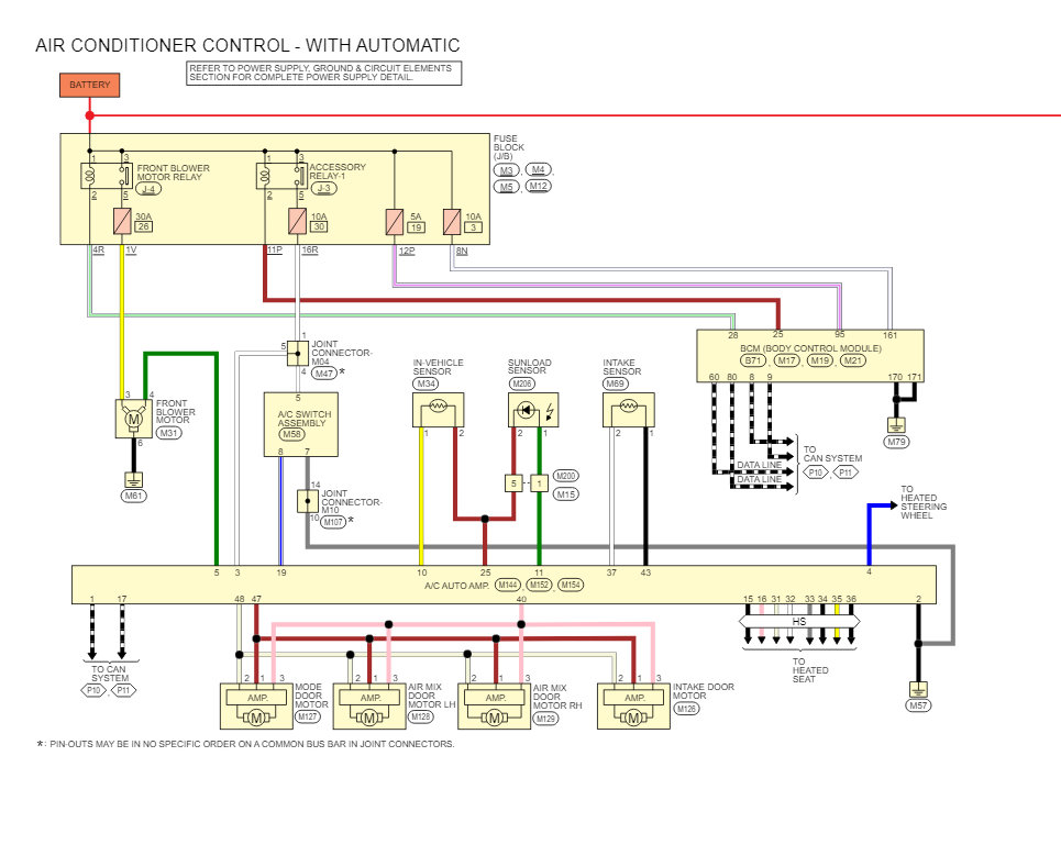
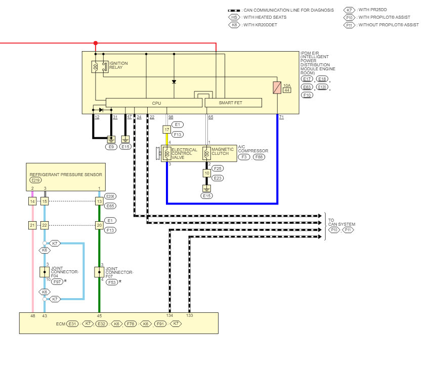
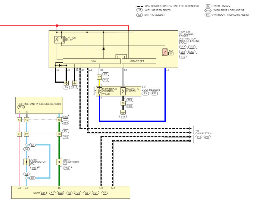
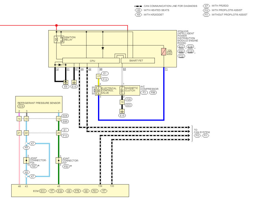
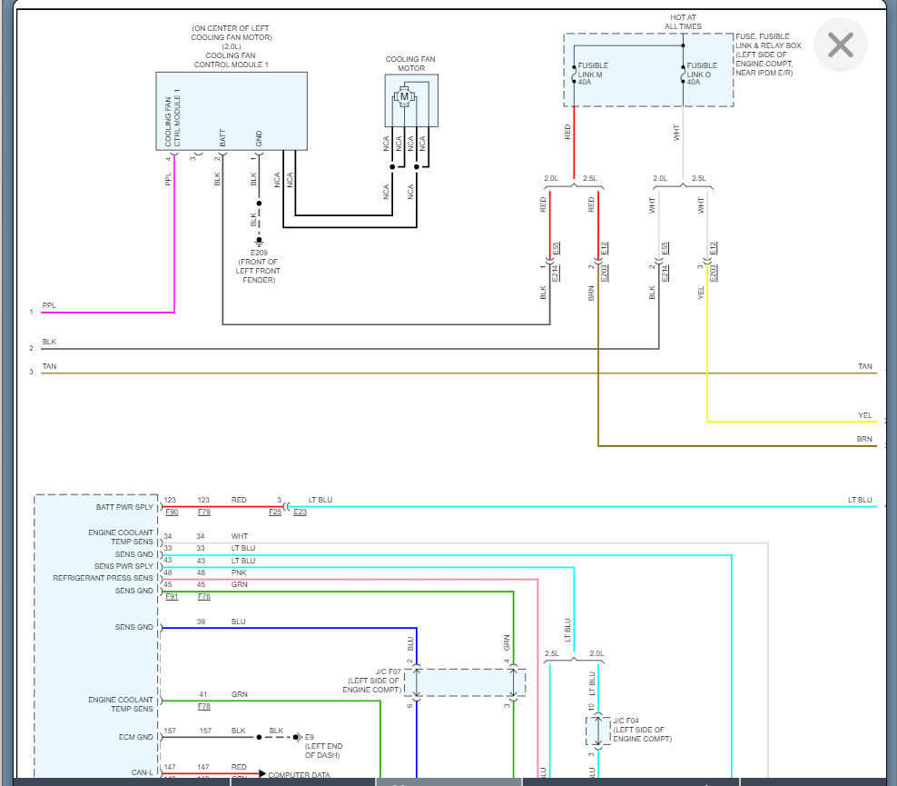
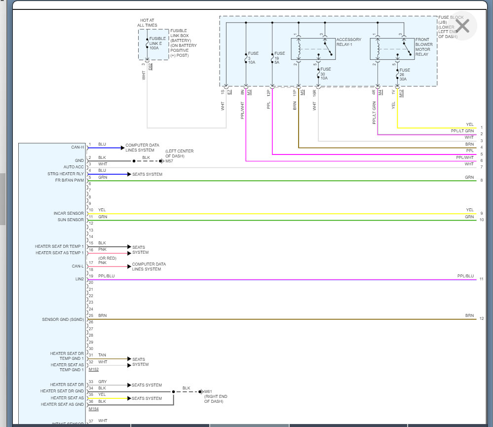
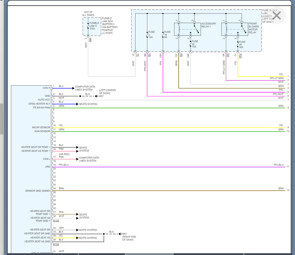
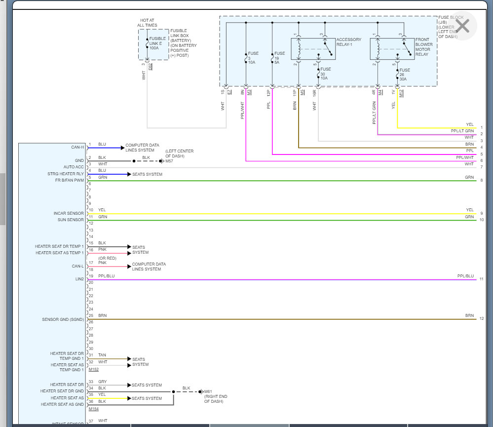
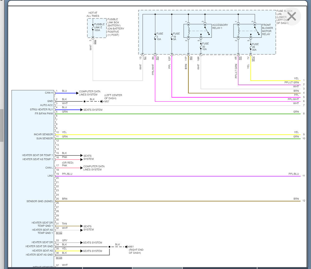
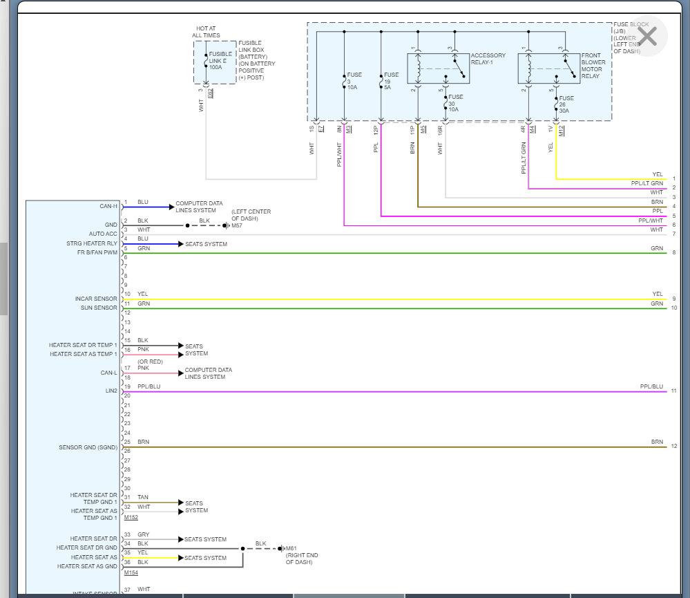
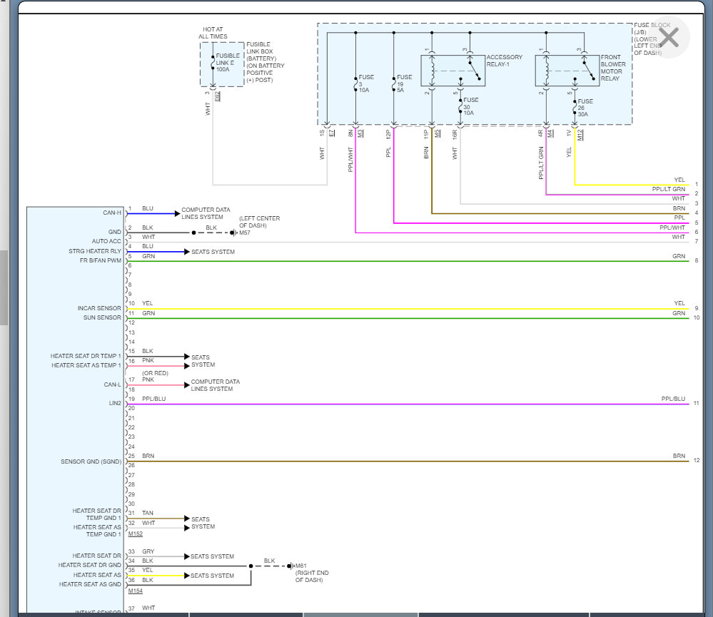
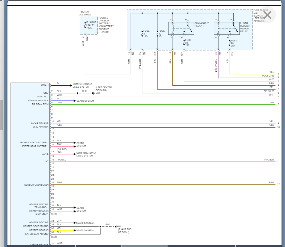
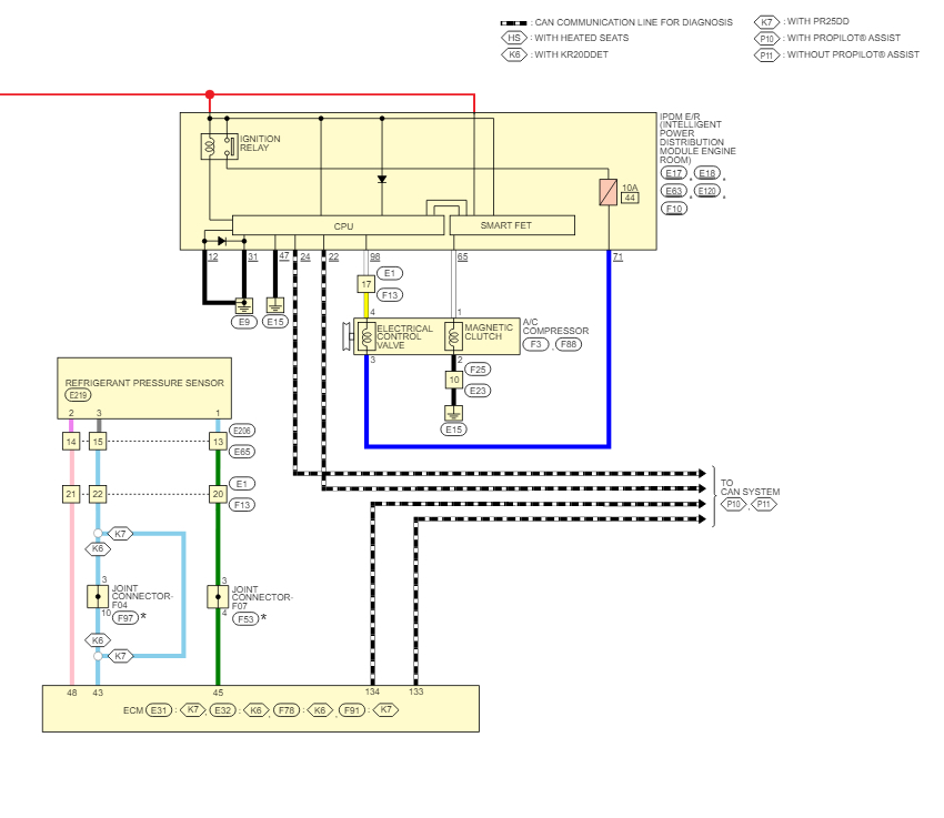
I have a 2020 Nissan Altima Sr. There is no power going to the A/C compressor. I have checked fuses and relays and I can't find the fuse and relay to the A/C compressor. Please help. Thanks

















