HOME
ASK A QUESTION
REPAIR GUIDES
BECOME A MEMBER
LOG IN
Login with Facebook
OR
Remember me
NOT A MEMBER?
FORGOT PASSWORD?
CONTACT US
PRIVACY POLICY
TERMS AND CONDITIONS
☰
Home
Nissan
Quest
Safety
Inertia Switch
A/C compressor cut-off switch location
ITOBOY1
MEMBER
2004 NISSAN QUEST
3.5L
V6
2WD
AUTOMATIC
94,000 MILES
Where is the compressor cut-off switch located?
A/C compressor clutch does not engage after engine warms up.
Thursday, April 5th, 2018 AT 9:31 AM
1 Reply
KEN L
MASTER CERTIFIED MECHANIC
55,030 POSTS
Please make sure the engine is not overheating or the system is not overcharged which will cut off the AC.
https://www.2carpros.com/articles/re-charge-an-air-conditioner-system
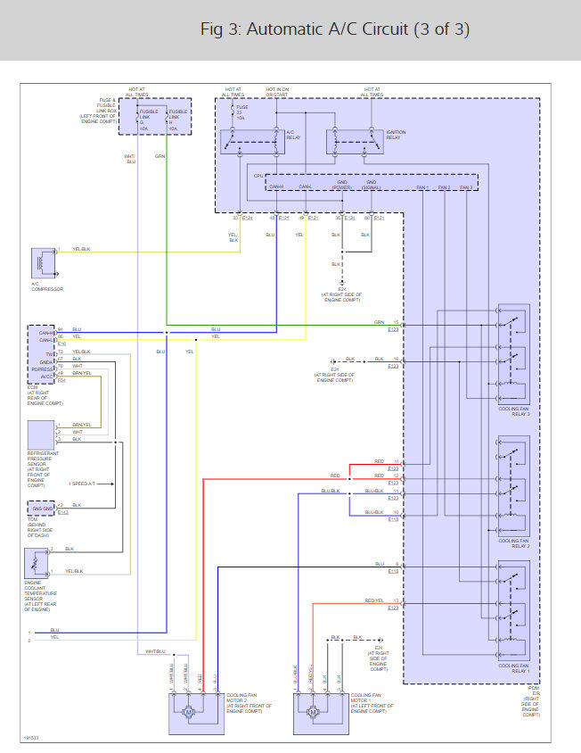
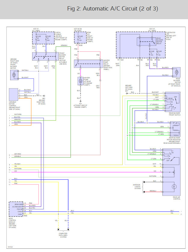
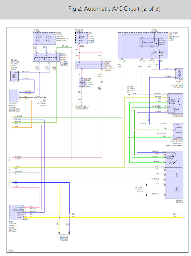
Below is the location of the pressure sensor and air conditioner wiring diagrams.
Check out the diagrams (below).
Please let us know what you find.
Cheers, Ken
Images (Click to make bigger)
Was this
answer
helpful?
Yes
No
Friday, April 6th, 2018 AT 12:11 PM
Please
login
or
register
to post a reply.
Related Inertia Switch Content
2004 Nissan Quest Electrical Problem, Fan Relay?
I Just Bought An 04 Nissan Quest. Here Lately When I Put The Vehicle In Park, The Electronic Sensors Start Flickering On And Off And The...
Asked by
nickandmelissamay152004
·
3 ANSWERS
2004
NISSAN QUEST
Ask a Car Question. It's Free!
How to Use a Test Light
Fuel Pump Pressure Test
Topdon OBD2 Scanner Review - This thing rocks