A/C Clutch spins only when jumped?

Tiny
WILDIN
  • MEMBER
  • 2003 JEEP GRAND CHEROKEE
  • 4.0L
  • 6 CYL
  • 4WD
  • AUTOMATIC
  • 189,000 MILES
After pressure testing, I recharged my A/C. I jumped the compressor during recharge, and got so I now have a reading of approximately 45 PSI on the low side and 205 PSI on the high side when the compressor is engaged.

However, the compressor will not automatically switch on, in other words, only turns on when jumped.

I checked and have 12 v at each of pins 30 and 86 when the key is in the on position.

Either when the A/C is on or off (when the button to turn the A/C on is on or off), I appear to have a ground at pin 85. I am measuring this by putting my black terminal on 85 and connecting my red terminal to the negative terminal on the battery.

Where do I go from here?
Saturday, July 29th, 2023 AT 5:59 PM

9 Replies

Tiny
JACOBANDNICKOLAS
  • MECHANIC
  • 110,192 POSTS
Hi,

You are connecting pin 85 (which you said is ground) to the negative terminal on the battery? That really won't show anything.

Okay, I attached the wiring schematic below for the circuit. Pin 30 should have battery voltage at all times. Pin 86 should only have power when the key is in the run or start position.

Pin 87 is power out to the compressor clutch, so it won't have power until the relay is actuated.

Pin 85 is a the ground path provided by the PCM to complete the primary side of the relay which then closes the switch on the secondary side powering the clutch.

So, confirm power is where it needs to be. Then, take your test light and place the alligator clip to the battery positive. Then, with the AC requested on and the key in the run position, probe pin 85. If the PCM is providing a ground path, the test light should turn on.

Let me know what you find. Also, here is a link that you may find helpful:

https://www.2carpros.com/articles/how-to-check-an-electrical-relay-and-wiring-control-circuit

Let me know.

Take care,

Joe

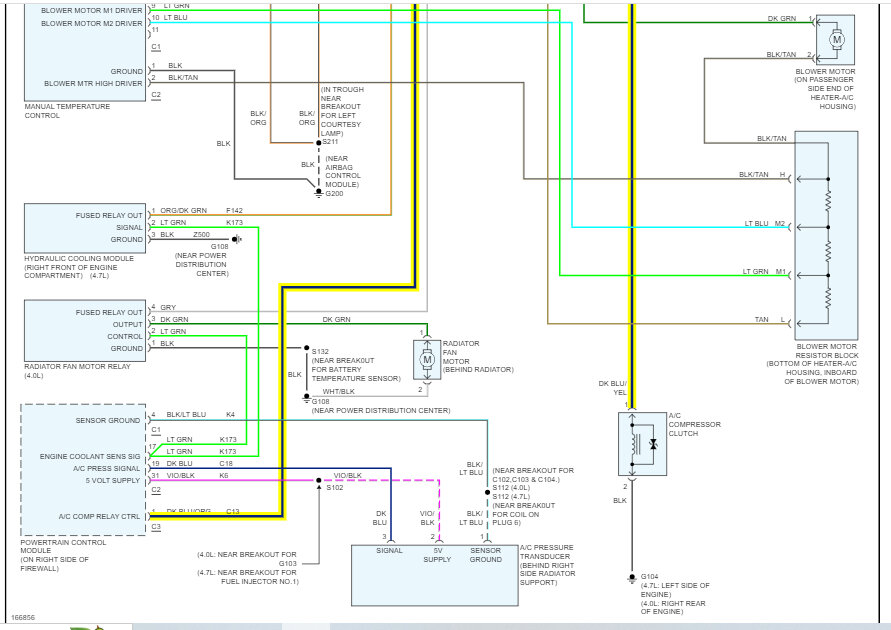
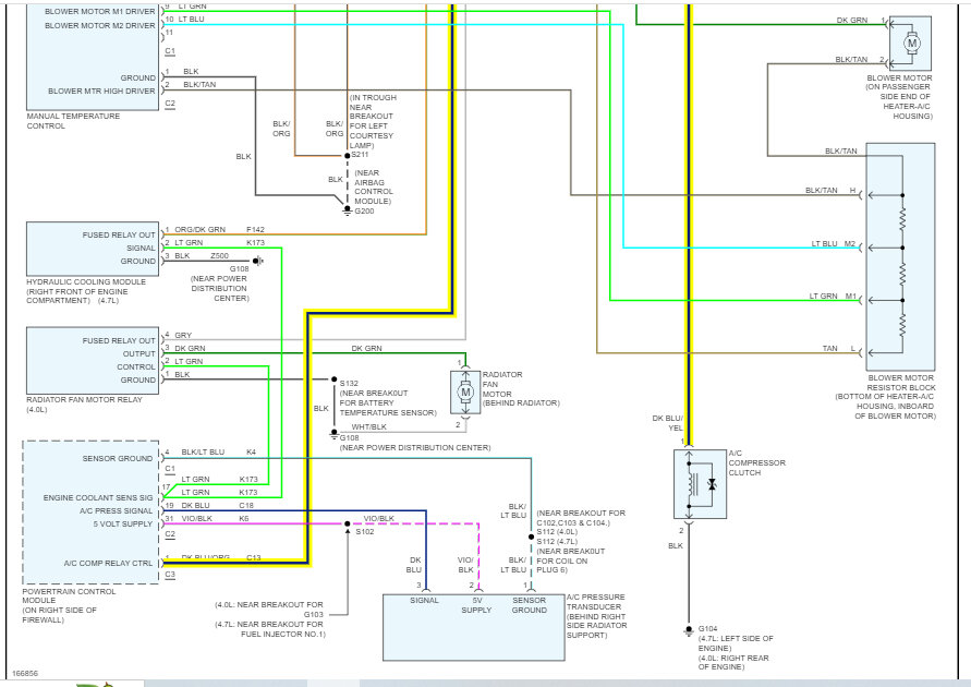
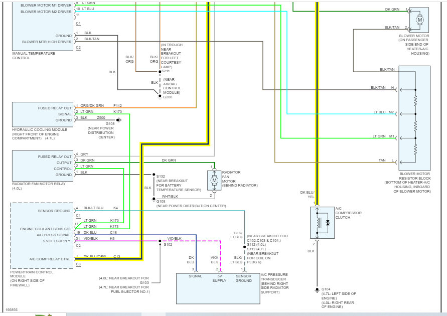
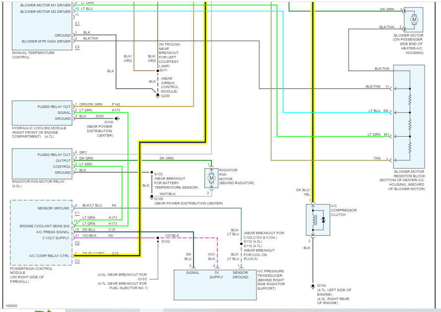
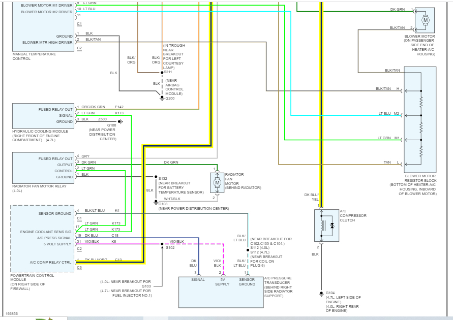
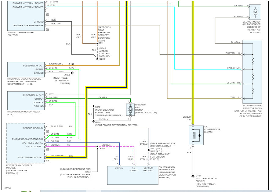
See pics below. Note: I had to cut the schematic in half to make it readable. I did overlap the two and highlighted the related wiring.
Was this
answer
helpful?
Yes
No
Sunday, July 30th, 2023 AT 10:33 PM
Tiny
WILDIN
  • MEMBER
  • 5 POSTS
I confirm, pin 30 always has power, and pin 86 only has power when the key is in the run or start position. With my test light clip on battery positive, the test light turns on when I probe pin 85.
Was this
answer
helpful?
Yes
No
Saturday, August 12th, 2023 AT 9:19 AM
Tiny
JACOBANDNICKOLAS
  • MECHANIC
  • 110,192 POSTS
Perfect. Now, we need to confirm with the relay in if when it is actuated, if we have power out from the relay via pin 87. If you don't, then you have a bad relay. If you do, the compressor should engage (based on the idea it does when you jump the relay).

Let me know what you find. If you have power out and the compressor doesn't engage, then it shouldn't work when you jump it because you are using the same power supply wire.

Let me know.

Joe
Was this
answer
helpful?
Yes
No
Saturday, August 12th, 2023 AT 8:16 PM
Tiny
WILDIN
  • MEMBER
  • 5 POSTS
Thanks!

What is the best way to measure with the relay in? Do I pull the connector on the compressor and measure there?
Was this
answer
helpful?
Yes
No
Saturday, August 12th, 2023 AT 8:59 PM
Tiny
JACOBANDNICKOLAS
  • MECHANIC
  • 110,192 POSTS
Hi,

Remove the relay and slip a small wire in with the relay pin 87 so that it is sticking out and not touching anything. Then you can use that wire to see if pin 87 is sending power.

Let me know.

Joe
Was this
answer
helpful?
Yes
No
Sunday, August 13th, 2023 AT 9:00 PM
Tiny
WILDIN
  • MEMBER
  • 5 POSTS
Revisiting my earlier answer, I retested pin 85. The light does come on, but barely. Just by way of comparison, if I use the test light on pin 30, the light is easily 10 times as bright as the light when it comes on testing pin 85.
Was this
answer
helpful?
Yes
No
Sunday, August 20th, 2023 AT 8:47 PM
Tiny
JACOBANDNICKOLAS
  • MECHANIC
  • 110,192 POSTS
Hi,

Pin 85 provides the ground path to the PCM (AC relay circuit). Does pin 86 have battery voltage? Have you switched the relay with a different one?

Pin 85 shouldn't supply power. It is the ground path to complete the primary relay circuit. Do you mean the light is very dim with the relay installed or are you checking it with the test lamp to the positive terminal and probing pin 85? If that is how you are doing it, the light should be bright with the key on, and the AC requested.

If it is still dim, either we have a faulty connector at the PCM, a damaged wire, or there is a problem with the PCM.

Confirm that is what you are doing and found for me.

Joe
Was this
answer
helpful?
Yes
No
Monday, August 21st, 2023 AT 6:13 PM
Tiny
WILDIN
  • MEMBER
  • 5 POSTS
I had the relay installed and checked pin 85. I couldn't tell if the light was on or not. So, I confirmed that my horn relay works, and switched the horn with the AC compressor relay. With the relays switched, the horn still worked, and the A/C compressor still wasn't.

So, I ran current through my test light to see how bright it could get (it was a new test light, and I had no prior reference point), and then I connected the test light clamp to the positive battery terminal and probed pin 85 while the car was on, and A/C was requested. The test light went on but was very dim.
Was this
answer
helpful?
Yes
No
Monday, August 21st, 2023 AT 8:26 PM
Tiny
JACOBANDNICKOLAS
  • MECHANIC
  • 110,192 POSTS
Hi,

If the light was very dim, check the connectors at the PCM to make sure there is no corrosion or damage to the pins. Something is preventing a good ground. If there is no evident damage at the connector, check the pin at the PCM to see if you have a good ground. If you don't, the PCM is the likely problem.

Let me know.

Joe
Was this
answer
helpful?
Yes
No
Tuesday, August 22nd, 2023 AT 6:47 PM

Please login or register to post a reply.