A/C clutch not engaging

Tiny
LDIORIO
  • MEMBER
  • 2004 GMC SIERRA
  • 6.6L
  • V8
  • TURBO
  • 4WD
  • AUTOMATIC
  • 185,000 MILES
Checked fuse and relay and refrigeration --all are okay.

if I jump the the 30 and 87 pins at the relay, the clutch engages and blows cold air
i jumped the pigtail on the low pressure and nothing happened, also I did not find any voltage.
Sunday, July 3rd, 2022 AT 2:27 PM

10 Replies

Tiny
JACOBANDNICKOLAS
  • MECHANIC
  • 110,192 POSTS
Hi,

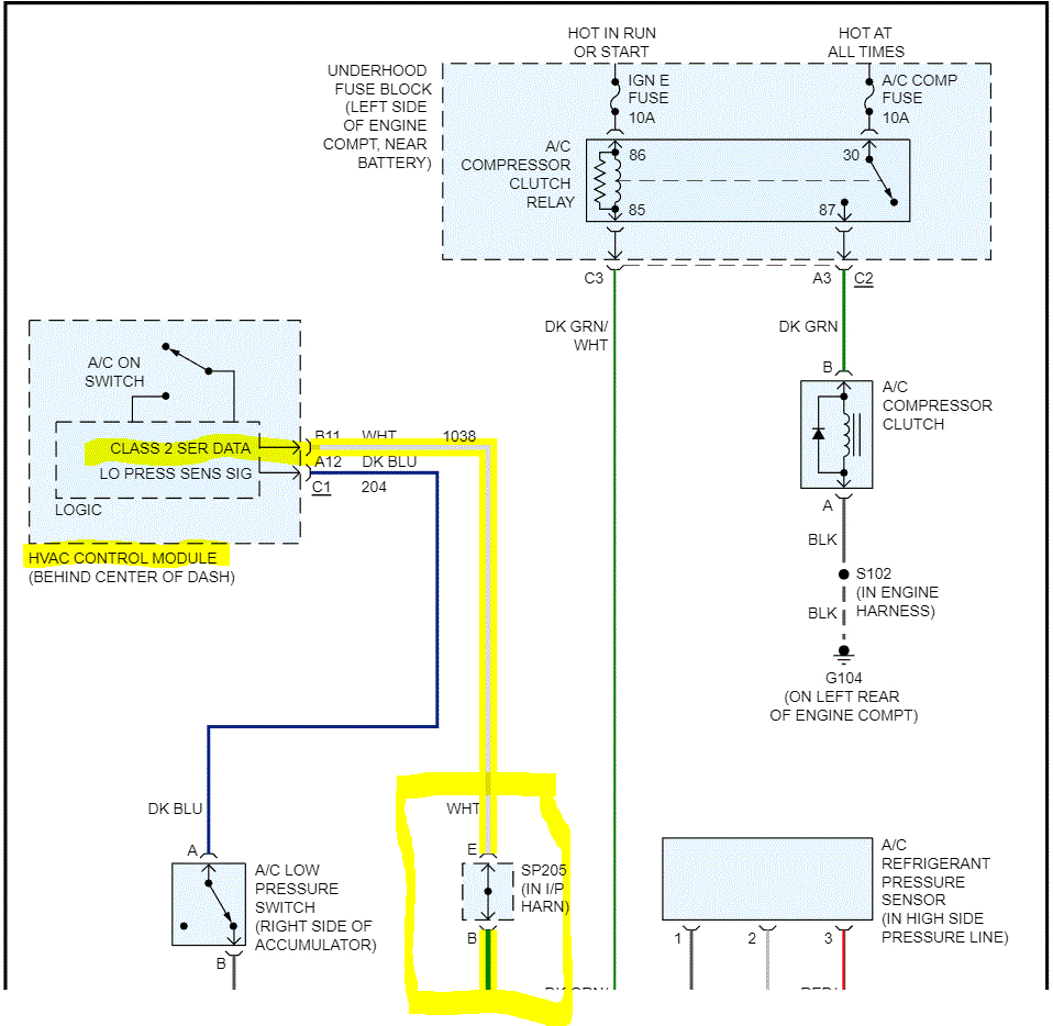
On the relay, there is a primary and secondary side. On the primary side, pins 85 and 86 will get power at all times but the circuit isn't complete until the PCM provides a ground path. When that happens, the coil in the relay is energized closing the secondary switch and sending power to the compressor.

We know if you jump pins 30 and 87 the compressor engages, so that's good. However, I need you to check if pin 86 has power when the key is on. If it does, you need to check if there is a ground path provided by the PCM when the AC is requested.

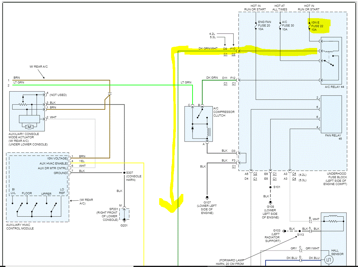
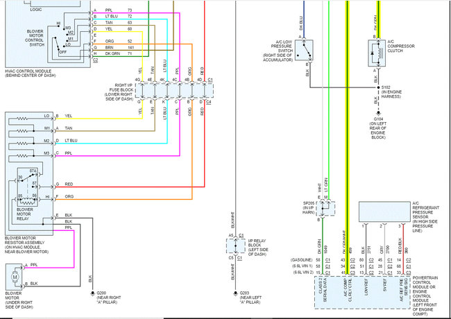
I attached the schematic below for your reference.

Let me know what you find or if you have other questions.

Take care and Happy 4th of July.

Joe

See pics below.
Was this
answer
helpful?
Yes
No
Sunday, July 3rd, 2022 AT 11:12 PM
Tiny
LDIORIO
  • MEMBER
  • 4 POSTS
Hi Joe, thanks for the response. I do have voltage at 86, I used a continuity tester. One end in battery ground and probed 85 with A/C button on or off am getting ground at 85. Doesn't sound right?
Was this
answer
helpful?
Yes
No
Tuesday, July 5th, 2022 AT 9:12 AM
Tiny
LDIORIO
  • MEMBER
  • 4 POSTS
Update:

Don't have PCM ground at 85.
Having trouble finding the dark green/white wire.

I have a Duramax 6.6L diesel lly engine Want to check if the wiring diagram Joe sent me is the right one Am having trouble finding the Dark green/ White wire Am not getting the PCM ground.
Lou
Was this
answer
helpful?
Yes
No
Tuesday, July 5th, 2022 AT 9:53 AM
Tiny
JACOBANDNICKOLAS
  • MECHANIC
  • 110,192 POSTS
Hi Lou,

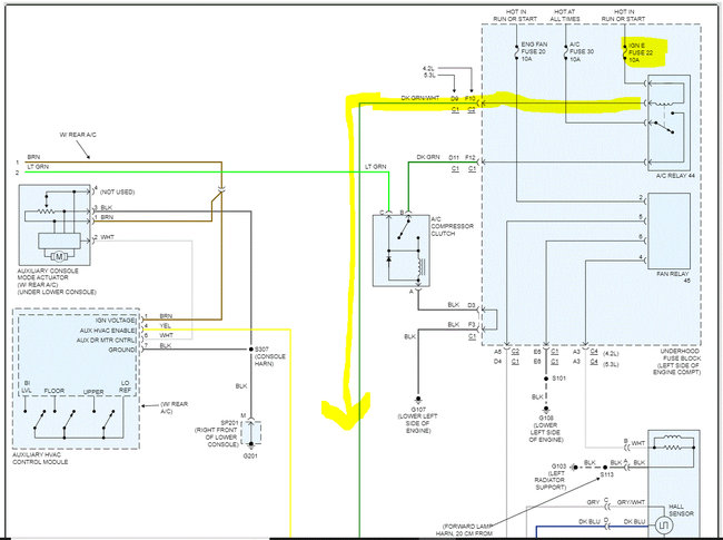
The schematics are for the diesel model. The only thing that I can think of that could be different would be if this is a 2500 or a 3500. Even then, they should be the same.

Also, let me know if you have automatic climate control or manual. Same with this; it should be the same.

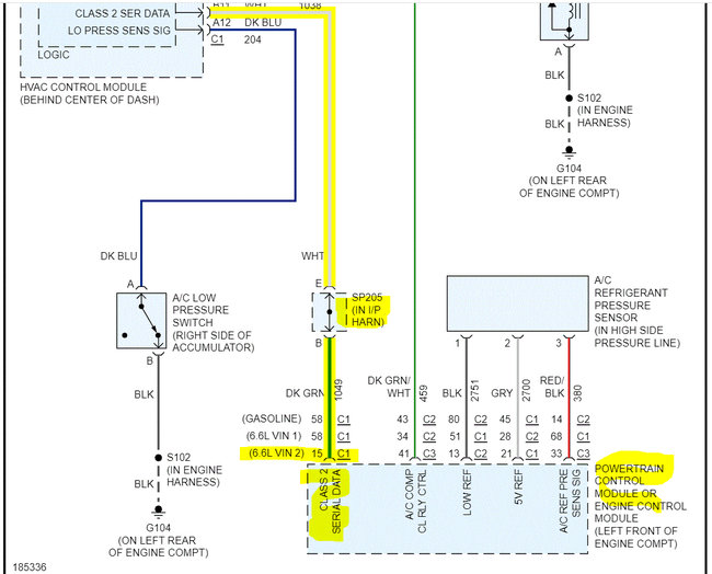
For me to confirm things, let me know the 8th digit in the VIN, there are two different listings for the diesel. If you look at the pic below, it shows the connector and pin number are different based on the engine code (VIN).

Let me know.

Joe
Was this
answer
helpful?
Yes
No
Tuesday, July 5th, 2022 AT 9:16 PM
Tiny
LDIORIO
  • MEMBER
  • 4 POSTS
Thanks Joe.
I have manual A/C and vin 2. Thinking of the A/C dash switch. Does that send the ground to 85? I don't see the switch in the diagram. I would like to test the switch. Thanks for your help.
Was this
answer
helpful?
Yes
No
Wednesday, July 6th, 2022 AT 3:55 AM
Tiny
JACOBANDNICKOLAS
  • MECHANIC
  • 110,192 POSTS
Hi,

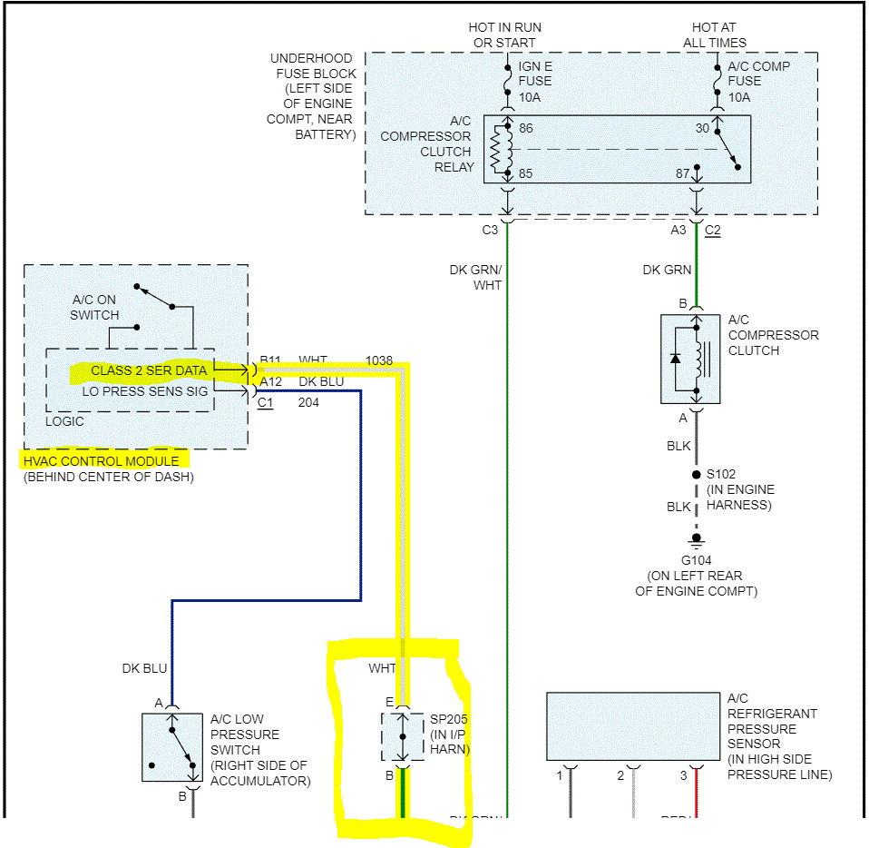
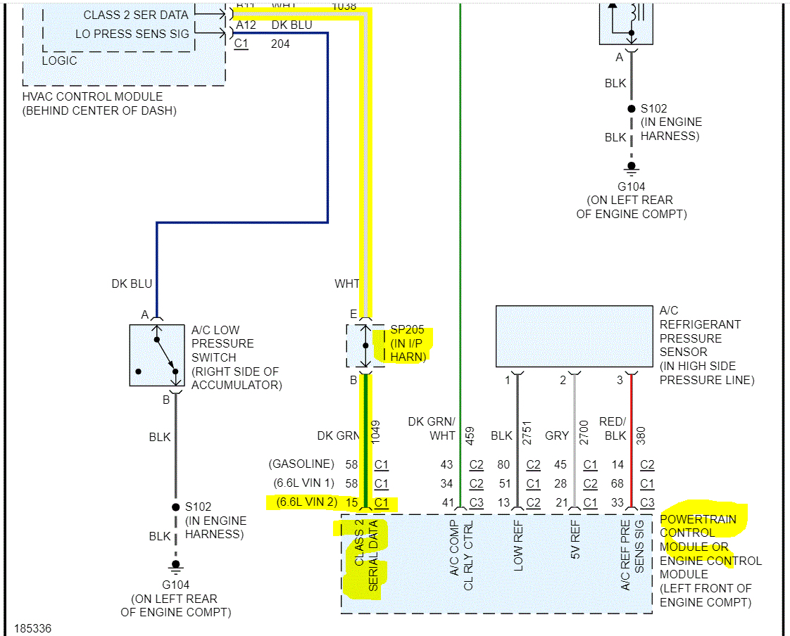
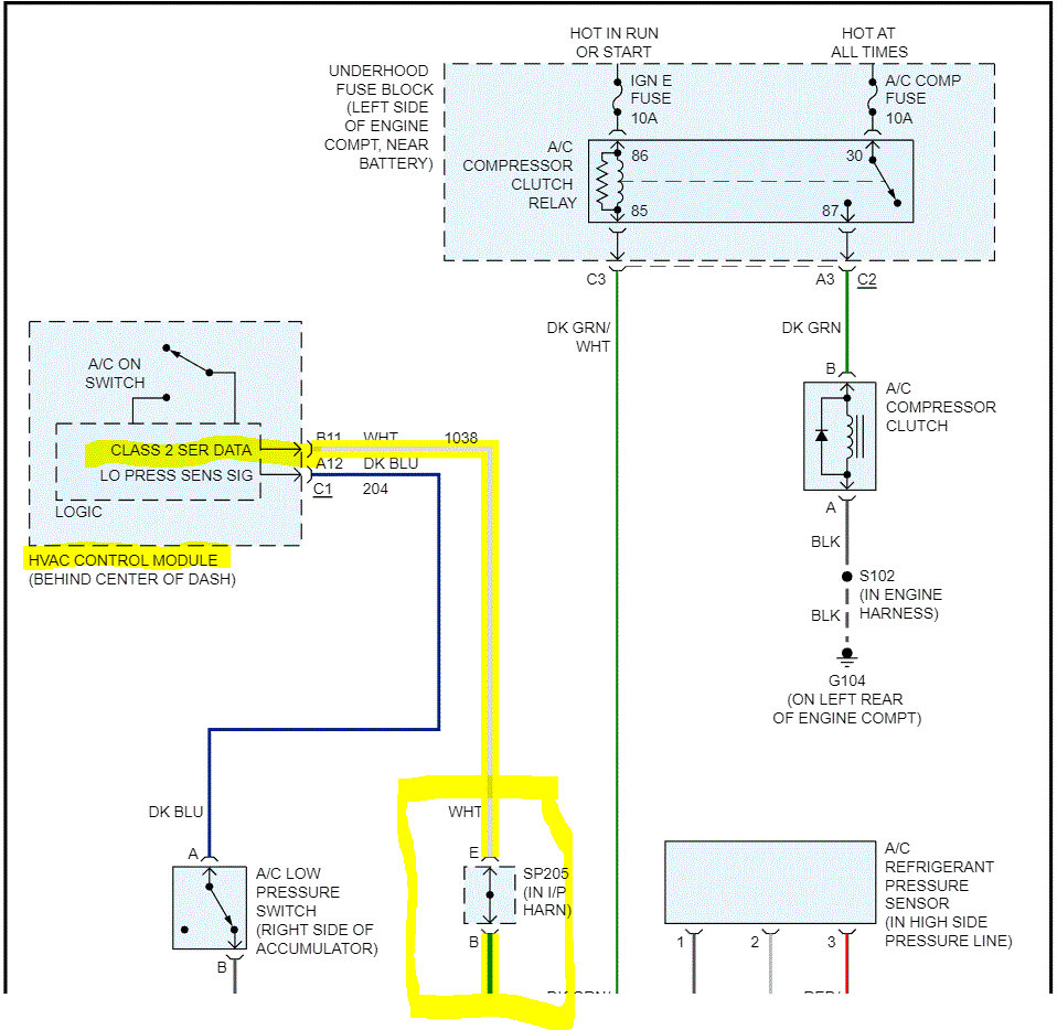
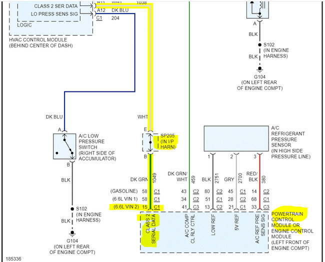
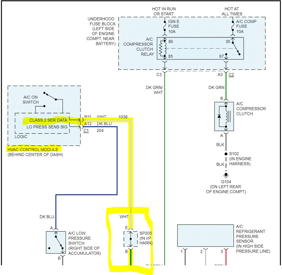
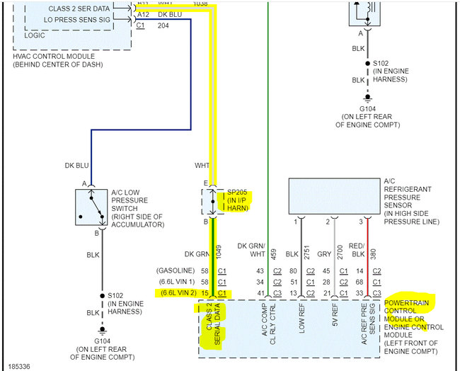
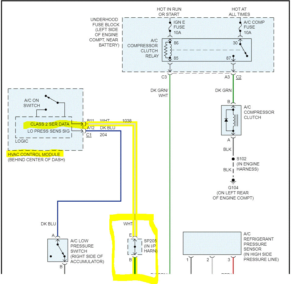
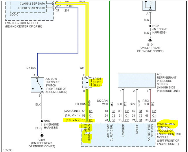
The VIN changes a couple of things. To answer your question about the switch, no, the PCM provides the ground. The HVAC control module sends a class 2 serial data message to the powertrain control module (PCM) for A/C compressor engagement. The PCM will provide a ground for the A/C compressor relay enabling it to close its internal contacts to send battery voltage to the A/C compressor clutch.

On your vehicle, the ground path at the PCM is provided by connector 3, pin 41. The serial data wire is white from the controller and changes to dark green at the PCM. This is in connector 1, pin 15.

Remember, the ground is provided by the PCM when it receives a signal via the serial data link that A/C is requested.

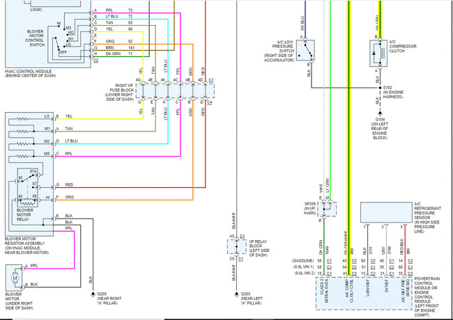
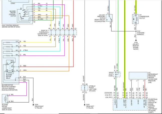
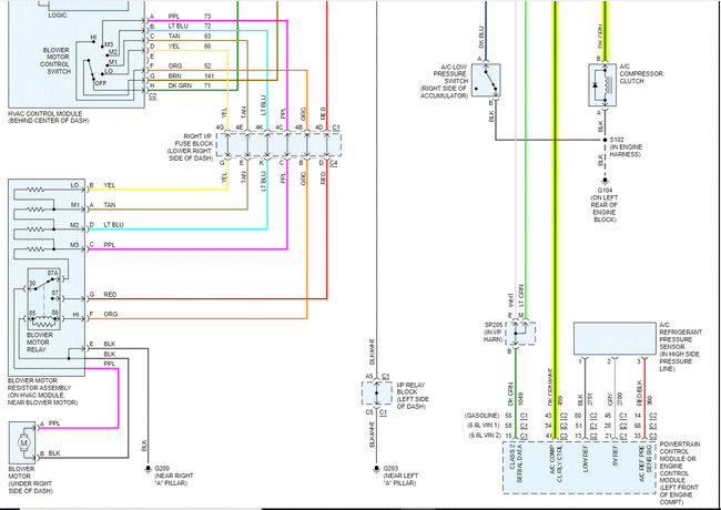
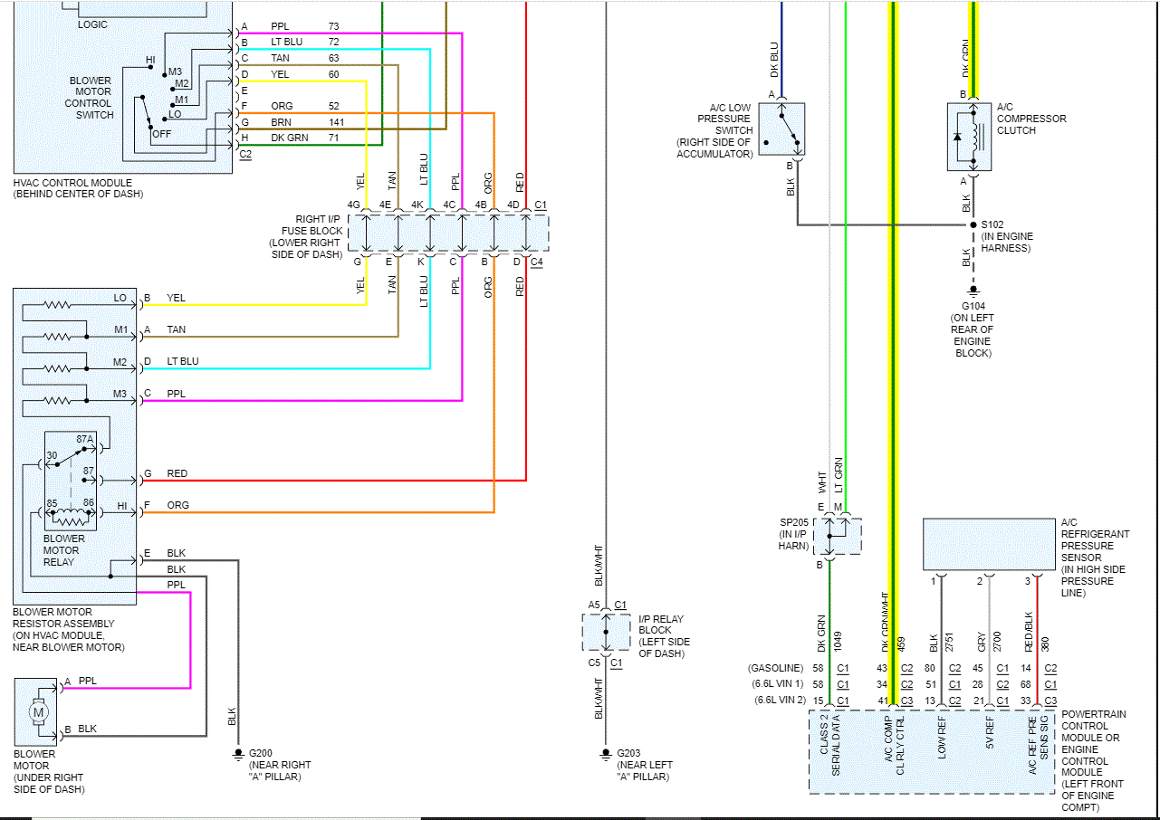
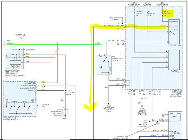
If you look below, I attached the entire HVAC wiring schematic. It was two pages, so the first 4 pics below pertain to it.

The last 2 pics are specific to the AC compressor circuit.

Let me know if this helps or if you have other questions.

Take care,

Joe

See pics below Note: There is a splice in the serial data line which changes the wire from white to dark green. If the splice has failed, that will prevent the PCM from providing a ground path to the compressor relay. I added the last pic late. It explains where the splice is located.
Was this
answer
helpful?
Yes
No
Wednesday, July 6th, 2022 AT 7:52 PM
Tiny
LDIORIO
  • MEMBER
  • 4 POSTS
Hi,

There is continuity for both wires coming from the switch to the PCM.
I bought a scan tool and the PCM and TCM have no U10xx codes, but the BCM shows UI016, U1024 and U1152.
Any advice of my next step?
Was this
answer
helpful?
Yes
No
Saturday, August 6th, 2022 AT 10:43 AM
Tiny
JACOBANDNICKOLAS
  • MECHANIC
  • 110,192 POSTS
The codes are all related to an issue within the serial data communication lines.

The U1016 is the powertrain control module. It is identified as 016 in the code. See pic 1 below. However, you indicated continuity to ground via the PCM.

Now, if you have a ground path provided by the PCM, you have power on both sides of the relay, and the power supply between the relay and compressor is good, the compressor should run. Are you certain the relay isn't an issue?

https://www.2carpros.com/articles/how-to-check-an-electrical-relay-and-wiring-control-circuit

Let me know.

Take care,

Joe

See pic.
Was this
answer
helpful?
Yes
No
Saturday, August 6th, 2022 AT 7:26 PM
Tiny
LDIORIO
  • MEMBER
  • 4 POSTS
Thanks for the response. The wire from the PCM to the relay has continuity but no ground signal from PCM When I scan the BCM scan says it can't comm with the HVAC. Could problems with BCM affect ground signal from PCM?
Was this
answer
helpful?
Yes
No
-1
Tuesday, August 9th, 2022 AT 8:27 AM
Tiny
JACOBANDNICKOLAS
  • MECHANIC
  • 110,192 POSTS
Hi,

Yes, but there could be an issue with the PCM. Have you checked connections to make sure there is nothing causing it such as corrosion or a damaged pin/wire?

Joe
Was this
answer
helpful?
Yes
No
Thursday, August 11th, 2022 AT 1:06 PM

Please login or register to post a reply.