A/C blows hot air and compressor does not turn on

Tiny
MARIEC2060
  • MEMBER
  • 2011 TOYOTA SIENNA
  • 6 CYL
  • 4WD
  • AUTOMATIC
  • 130,000 MILES
Van listed above is the Limited model. A/C blowing hot air and compressor not engaging. Not sure which relay is for the A/C compressor. It won't take Freon since the compressor won't engage. Not sure if it is the relay integration switch since I don't know how to check that. And I don't know how to jump the pressure switch since it has 3 slots. Pictures attached.
Appreciate your help.
Sunday, September 29th, 2019 AT 10:50 AM

3 Replies

Tiny
KEN L
  • MASTER CERTIFIED MECHANIC
  • 55,488 POSTS
Hello,

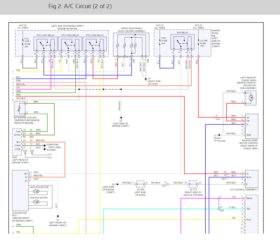
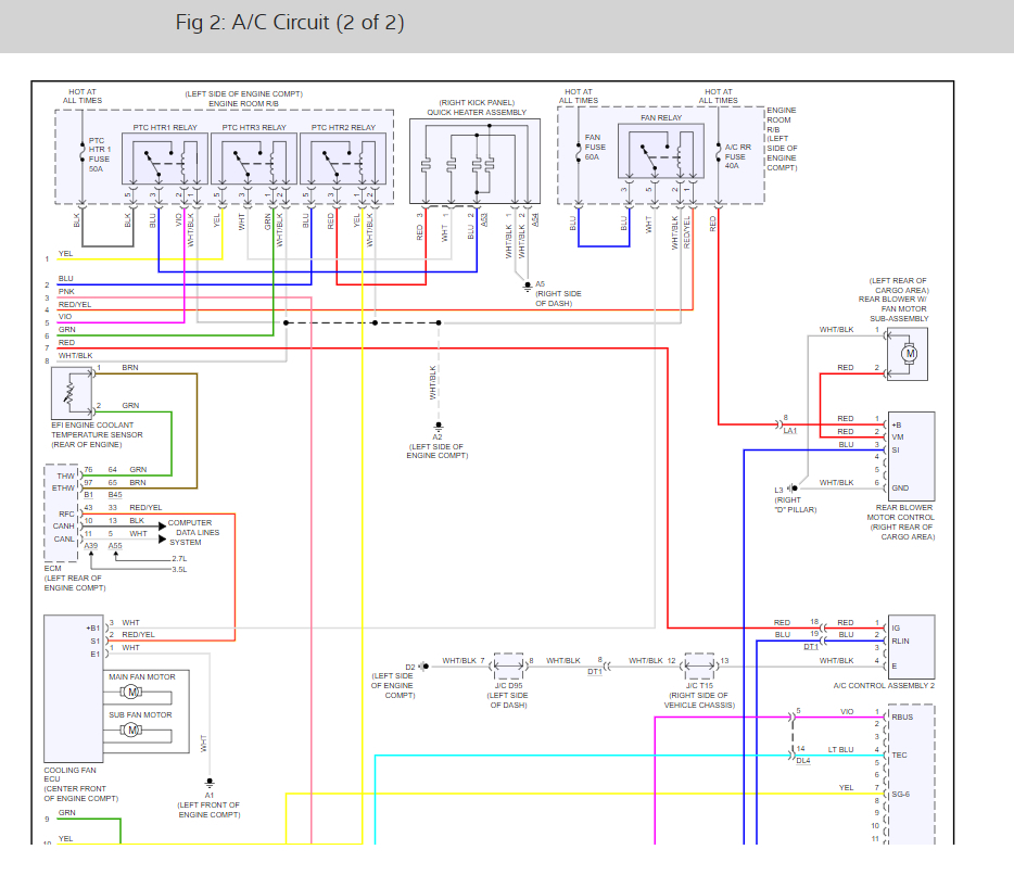
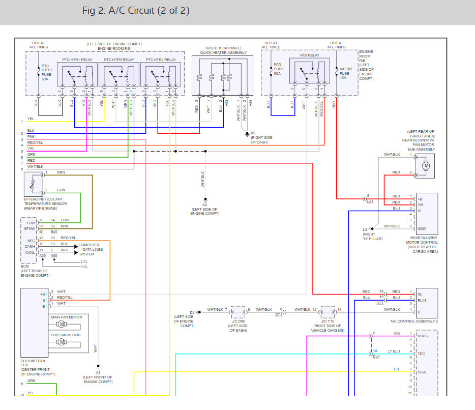
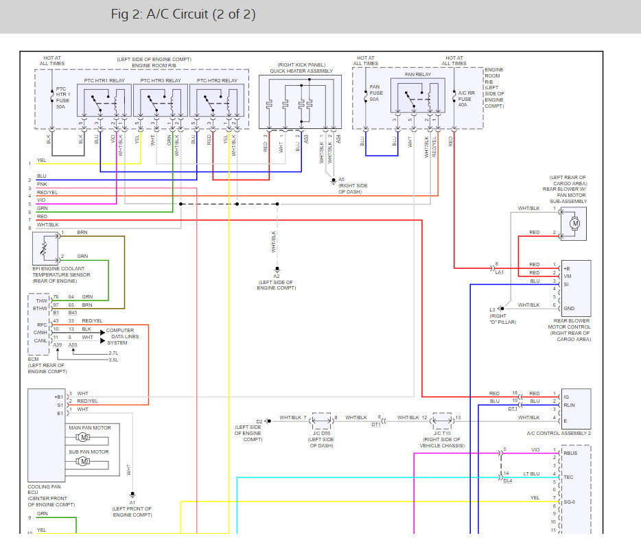
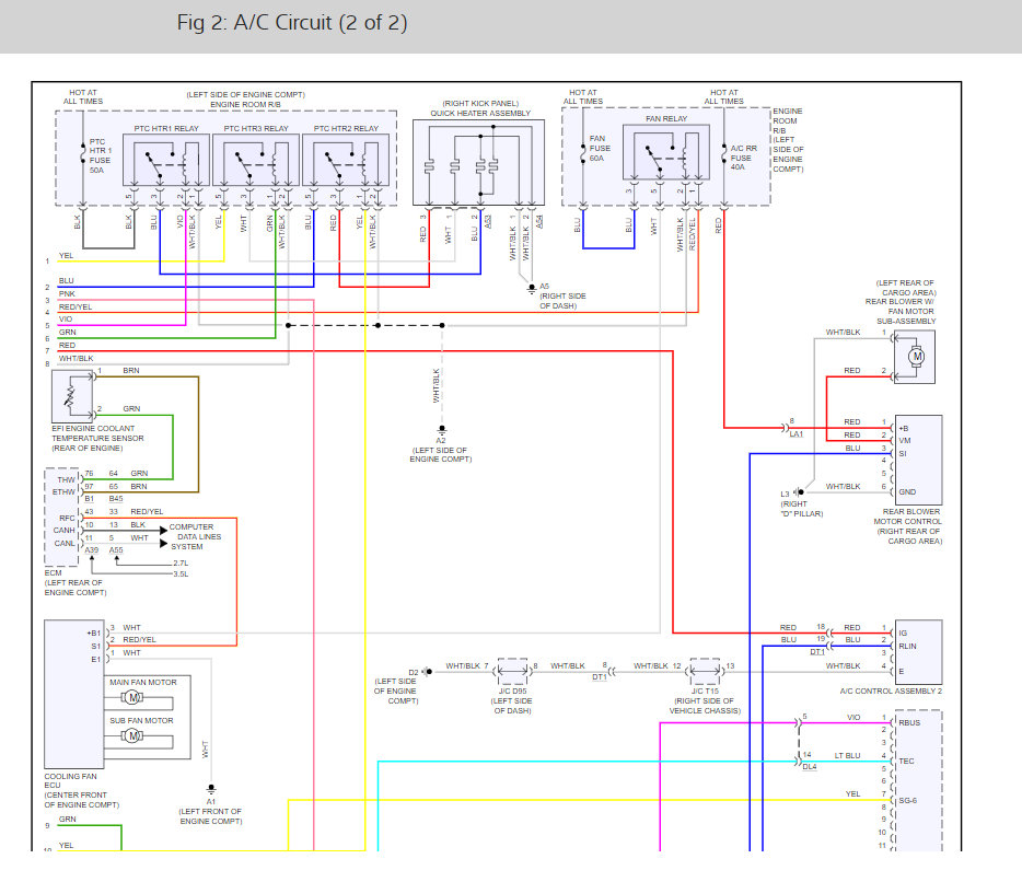
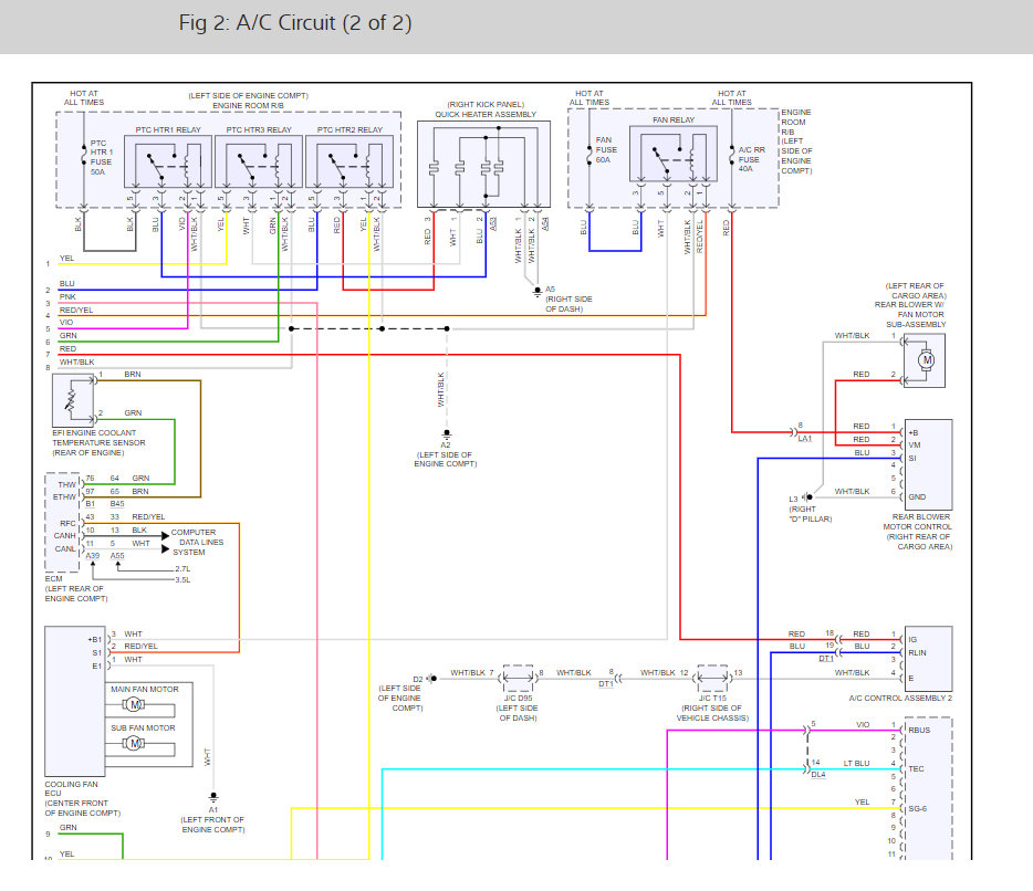
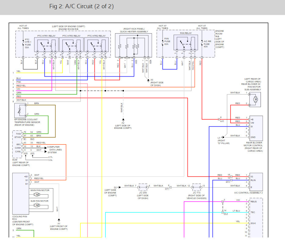
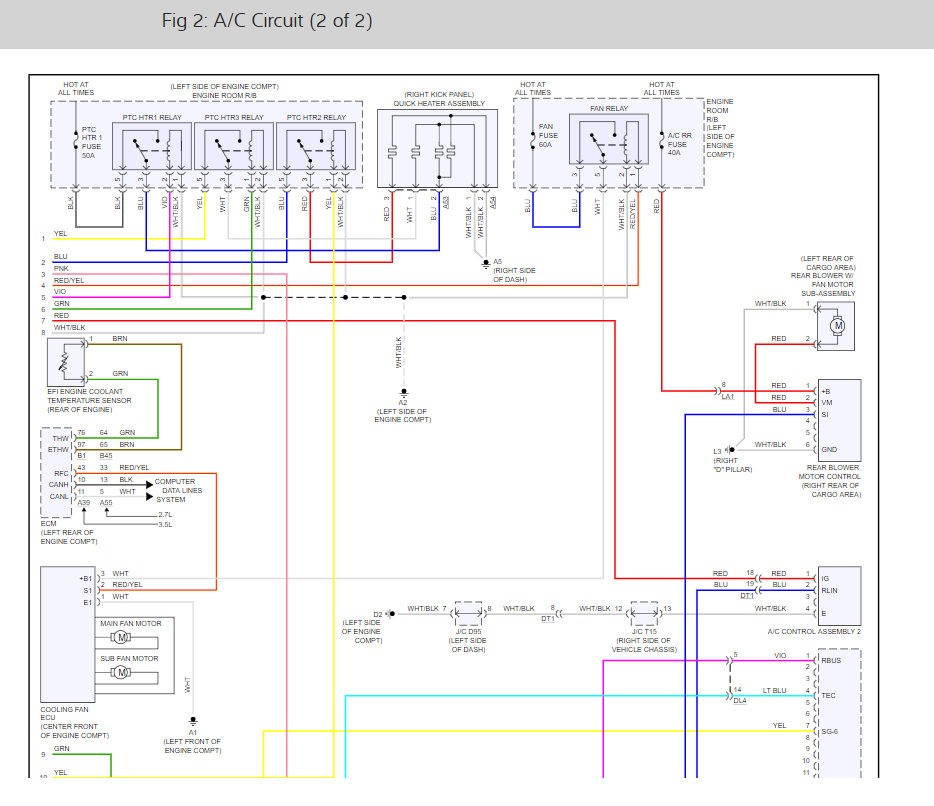
There is an air conditioner amplifier that runs the compressor along with 7 fuses. here are the wiring diagrams for the system so you can see how it works and a guide to help you test for power:

https://www.2carpros.com/articles/how-to-use-a-test-light-circuit-tester

Check out the diagrams (below). Please let us know what you find. We are interested to see what it is.
Was this
answer
helpful?
Yes
No
Tuesday, October 1st, 2019 AT 12:03 PM
Tiny
MARIEC2060
  • MEMBER
  • 2 POSTS
I took it to Toyota and they said that the fuses and relay are fine. They won't diagnose the problem for free. Any other suggestions?
Was this
answer
helpful?
Yes
No
Thursday, October 3rd, 2019 AT 8:19 AM
Tiny
KEN L
  • MASTER CERTIFIED MECHANIC
  • 55,488 POSTS
Does the system have pressure? Here is a guide and a video to help us:

https://www.2carpros.com/articles/car-air-conditioner-not-working-or-is-weak

and

https://youtu.be/uZrQCGwXfek

Please run down these guides and report back.
Was this
answer
helpful?
Yes
No
Thursday, October 3rd, 2019 AT 12:52 PM

Please login or register to post a reply.