A/C blower stuck on even when shut off, now no air from vents?

Tiny
FREDD.R
  • MEMBER
  • 1996 LINCOLN TOWN CAR
  • 4.6L
  • V8
  • 2WD
  • AUTOMATIC
  • 99,000 MILES
I can hear something engaging under the dash when I cycle through the vent options but no air coming through the vents. I may also be getting some type of fumes into the cabin from somewhere.
Sunday, December 15th, 2024 AT 10:15 PM

3 Replies

Tiny
KEN L
  • MASTER CERTIFIED MECHANIC
  • 55,535 POSTS
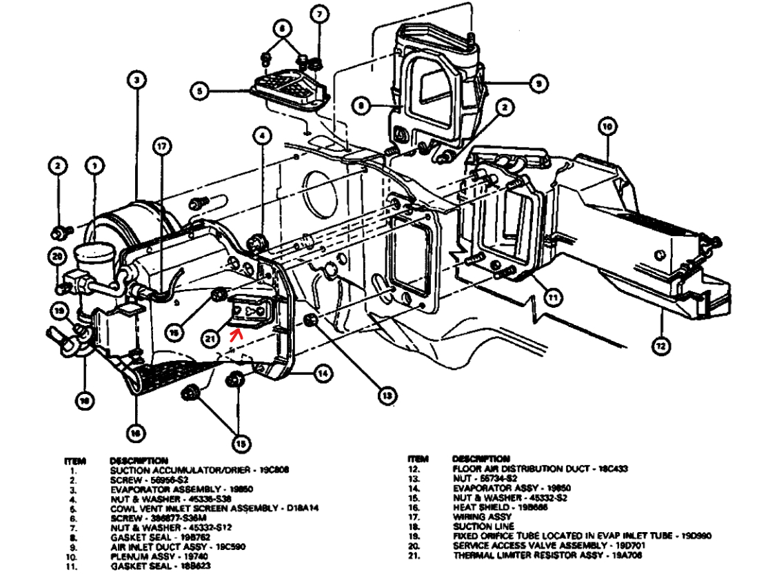
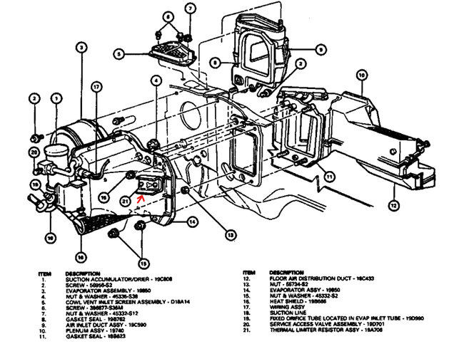
Please start a new thread for the "fumes" problem. So, is the blower running with the system off, or is the blower running but does not come out of the vents? If the blower is stuck on the blower motor speed control has gone bad here is the location so you can swap it out. If there is no air from the vents I would check under the hood for a broken vacuum line, here is a guide to help you:

https://www.2carpros.com/articles/low-or-no-air-flow-from-vents

Check out the images (below). Please upload pictures or videos in your response of any problems so we can see what to help you with.

Was this
answer
helpful?
Yes
No
Tuesday, December 17th, 2024 AT 11:22 AM
Tiny
FREDD.R
  • MEMBER
  • 2 POSTS
The blower was running even when off, now it's not turning on at all! No air from the vents at the moment. Also ran self diag and no codes came up.
Was this
answer
helpful?
Yes
No
Tuesday, December 17th, 2024 AT 11:25 AM
Tiny
KEN L
  • MASTER CERTIFIED MECHANIC
  • 55,535 POSTS
This should be the blower motor speed control that has gone out they still on and then burn up, I would try swapping it out which should fix it.
Was this
answer
helpful?
Yes
No
Wednesday, December 18th, 2024 AT 9:40 AM

Please login or register to post a reply.