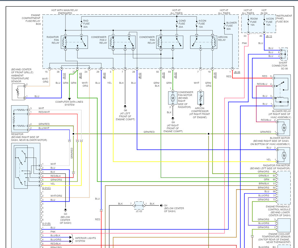
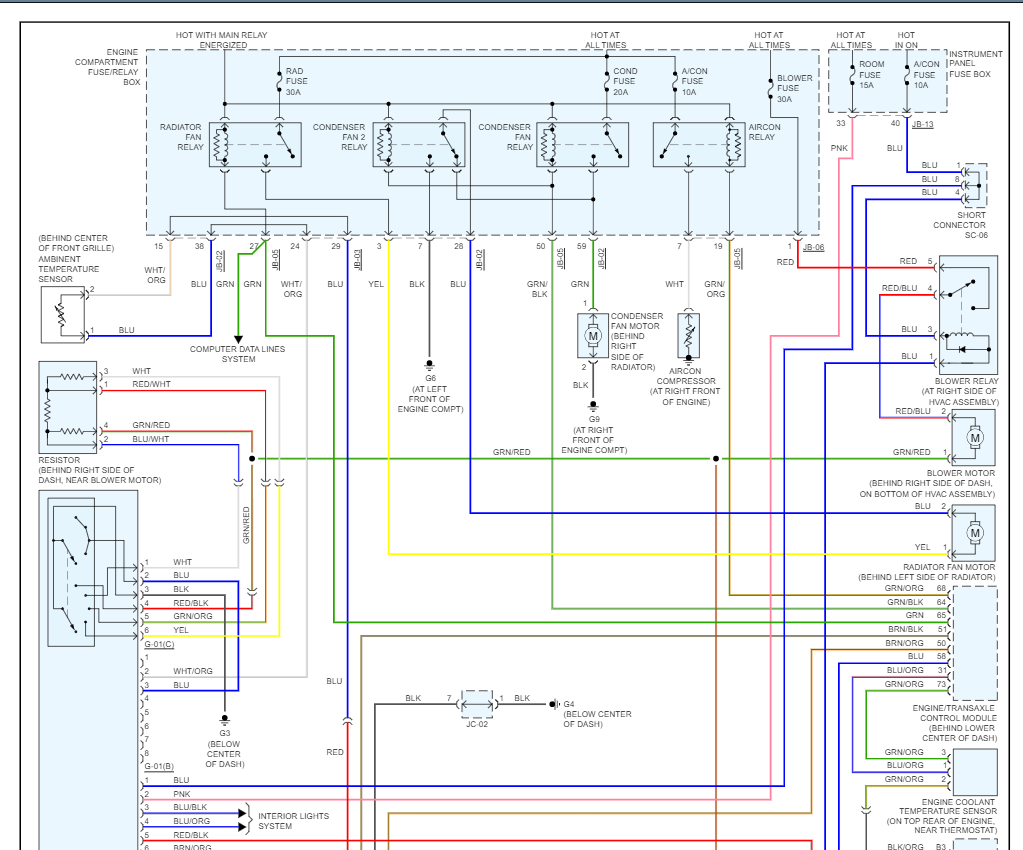
The A/C fan blower when switch is turned on 1 to 4, sometimes it turns on but most of the time it does not. It does not matter any speed. I know the blower fan is working fine as I've pulled it out and directly connected to 12v battery. The resistor is working fine as well, as I've put in a new one, the same thing happens. If blower fan is okay, when compressor is turned on, after a few seconds or minutes, the whole system will stop because blower fan stops. What could be wrong? Please advise. Thank you in advance.
Monday, April 24th, 2023 AT 8:07 AM





