HOME
ASK A QUESTION
REPAIR GUIDES
BECOME A MEMBER
LOG IN
Login with Facebook
OR
Remember me
NOT A MEMBER?
FORGOT PASSWORD?
CONTACT US
PRIVACY POLICY
TERMS AND CONDITIONS
☰
Home
Kia
Spectra
Climate Control
Blower Fan
Not Working
HVAC blower not working
CYNTHIA ANN MARTINEZ
MEMBER
2006 KIA SPECTRA
4 CYL
AUTOMATIC
195,000 MILES
The ac comes on when it wants to at first, now it doesn't nor the defrost nothing blows.
Wednesday, May 27th, 2020 AT 3:36 AM
1 Reply
ASEMASTER6371
MECHANIC
52,796 POSTS
Good morning,
This sounds like the blower motor itself or a connection since it has a mind of its own.
Do you have a test light or voltmeter to do some testing?
https://www.2carpros.com/articles/how-to-check-wiring
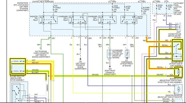
I attached a wiring diagram for you to view.
https://www.2carpros.com/articles/how-to-use-a-test-light-circuit-tester
Roy
Images (Click to make bigger)
Was this
answer
helpful?
Yes
No
Wednesday, May 27th, 2020 AT 4:38 AM
Please
login
or
register
to post a reply.
Related Blower Fan Not Working Content
Blower Motor Fan Not Working
Air Conditioning Fan Not Working. The Air Condition Comes On But No Fan
Asked by
bjspear10
·
3 ANSWERS
2 IMAGES
2007
KIA SPECTRA
How Do I Troubleshoot My Non-working A/c Blower Fan?
Was Briefly Intermittant And Then Stopped Working Completely. Resistor? Motor? Other?
Asked by
garykillen
·
10 ANSWERS
2002
KIA SPECTRA
2001 Kia Spectra
Air Conditioning Problem 2001 Kia Spectra Front Wheel Drive Automatic I Have Power To My Blower Motor Form My Fan Switch. I Jumped My...
Asked by
chasejo
·
3 ANSWERS
2001
KIA SPECTRA
2007 Kia Spectra Air Control Button Problem??
Hi. I Have A Kia Spectra Ex 2007 And I Got The Car Used And When I Got The Car The Only Option For The Air Conditioning Was High And When I...
Asked by
Breonnay
·
1 ANSWER
2007
KIA SPECTRA
2006 Kia Spectra Fan/blower
Whether Using Heat Or A/c The Blower Will Not Always Come On. Sometimes It Does As Soon As I Start The Car, Sometimes I Drive For Several...
Asked by
Nina0516
·
1 ANSWER
1 IMAGE
2006
KIA SPECTRA
VIEW MORE
Ask a Car Question. It's Free!
How to Use a Test Light
How to Replace the A/C Blower Motor
Air Conditioner Compressor Replacement