Sunday, May 14th, 2023 AT 6:02 PM
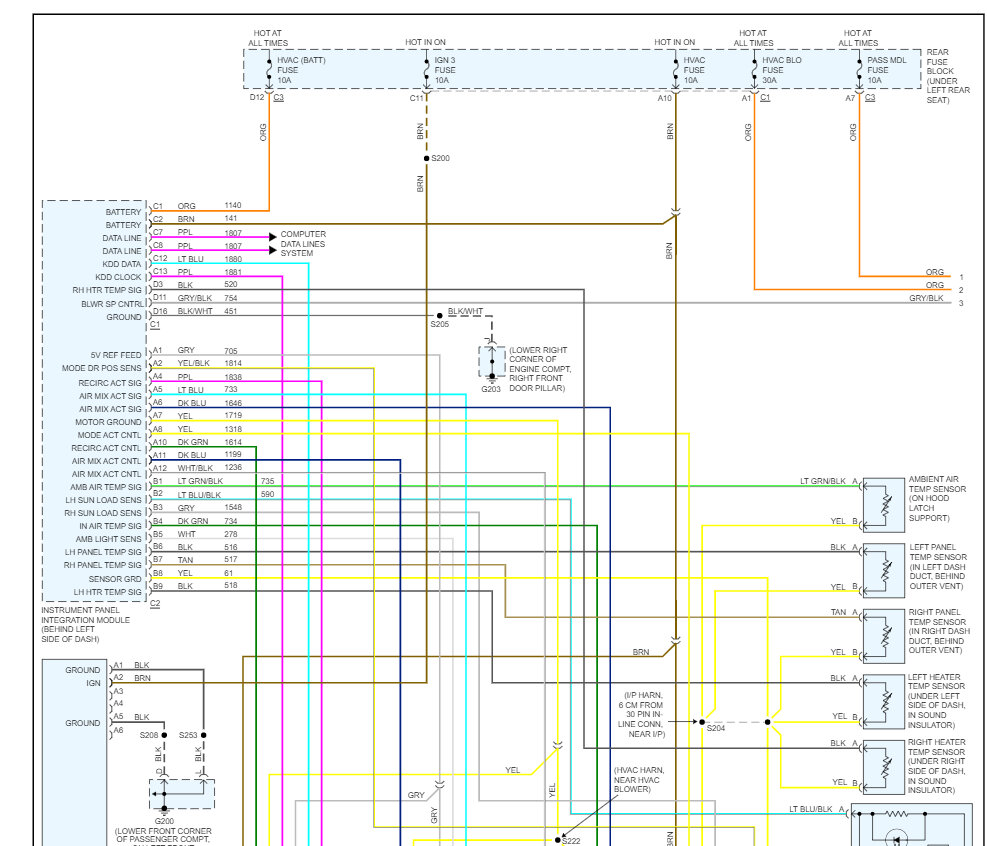
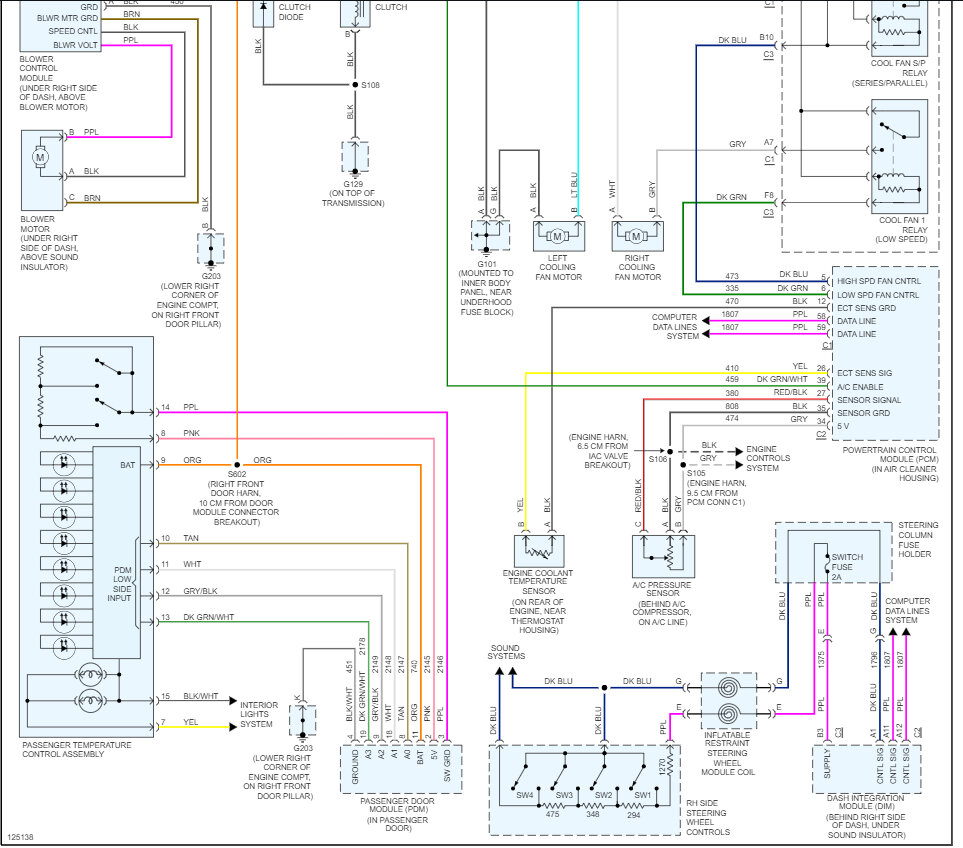
I have cold air passenger side heat drivers' side so as I saw on u-tube ordered blend door actuator. Hooked it up and the center that is supposed to turn in order to move the lever does not move. I then checked the plug in going to the actuator. #5 positive, #6 #7 #9 #10 negative when touching #5 and #6, #5 and #7 I get 14.66 volts. When touching #5 and #9 I get 9.32 volts. When touching #5 and #10 I get 9.62 volts. These readings are on hot or cold, nothing changes or moves. I figured that going from hot to cold the readings should change, correct? If it's supposed to the Where does the wiring to the actuator come from and how do I check it?





