A/C and heat only blows from the defroster and not the vents

Tiny
KEYREED
  • MEMBER
  • 2004 FORD CROWN VICTORIA
  • 4.6L
  • V8
  • 2WD
  • AUTOMATIC
  • 130,000 MILES
Also, my temperature button does not control the heat or A/C only blows heat mostly.
Saturday, April 4th, 2020 AT 5:05 AM

1 Reply

Tiny
ASEMASTER6371
  • MECHANIC
  • 52,796 POSTS
Good morning,

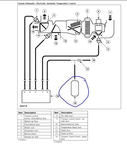
The system works on both vacuum motors and electronic actuators.

https://www.2carpros.com/articles/air-vents-stay-in-the-defrost-position

https://www.2carpros.com/articles/replace-blend-door-motor

The fact it is stuck in defrost mode tells me there may be either a vacuum supply issue or the vacuum motor on the heater case is bad. You will need to check for vacuum to the system from under the hood. I attached a vacuum diagram for you to view to be sure there is vacuum.

If it is the motor in the case, the instrument cluster has to be removed. That will be a large project.

Roy
Was this
answer
helpful?
Yes
No
Saturday, April 4th, 2020 AT 5:28 AM

Please login or register to post a reply.