Friday, September 20th, 2019 AT 2:45 AM
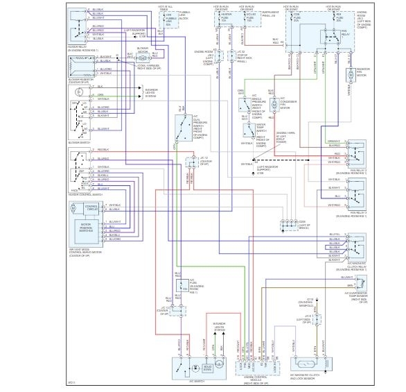
After starting my car and letting it warm up I can turn on my A/C and it'll blow cold and just fine. Sometimes I can make a whole trip and and it blows cold. Sometimes it'll blow cold then cool an the light on my A/C button would start blinking. I changed my A/C fan because the motor went out. But it is still doing the same thing.



