Air conditioner not cooling at all

Tiny
GREGORY STERLING SR.
  • MEMBER
  • 2005 BUICK LESABRE
  • 74,000 MILES
A/C clutch engages but gauges do not show a change of pressure when clutch engages. No cooling at all can you help me fix it?
Sunday, May 6th, 2018 AT 5:24 PM

1 Reply

Tiny
ASEMASTER6371
  • MECHANIC
  • 52,796 POSTS
Good morning.

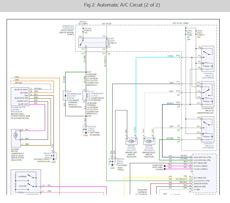
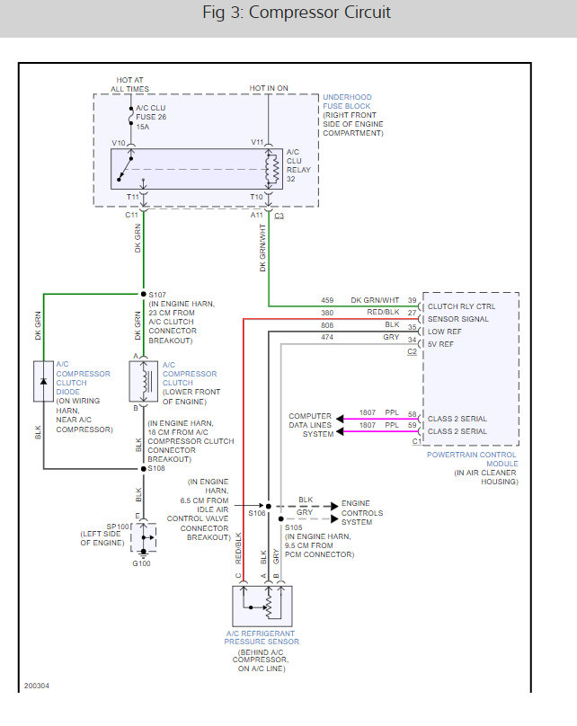
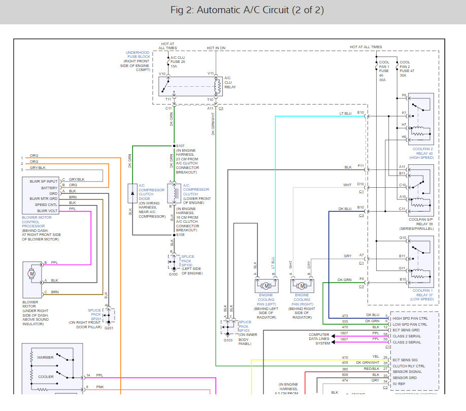
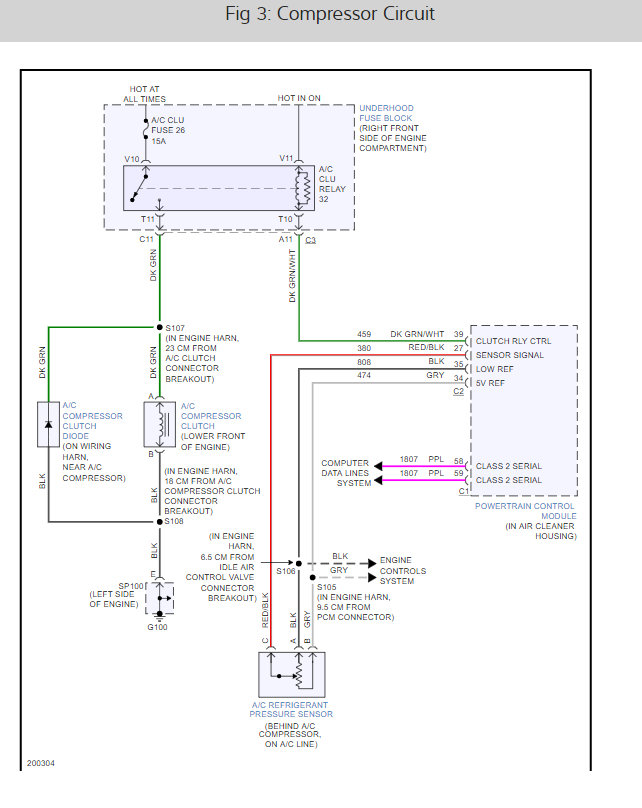
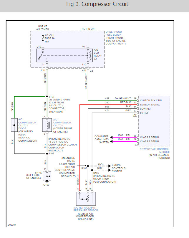
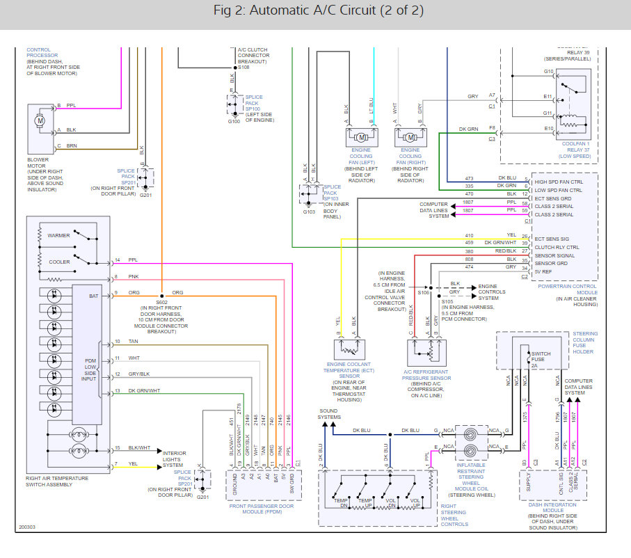
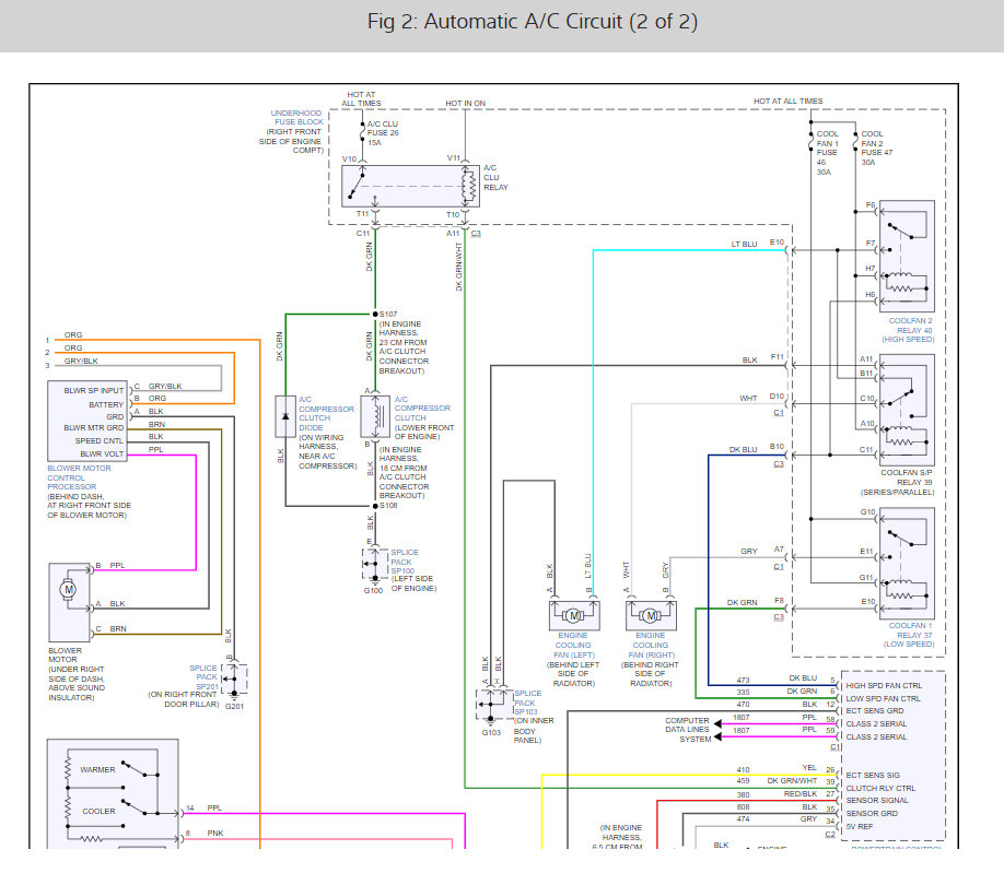
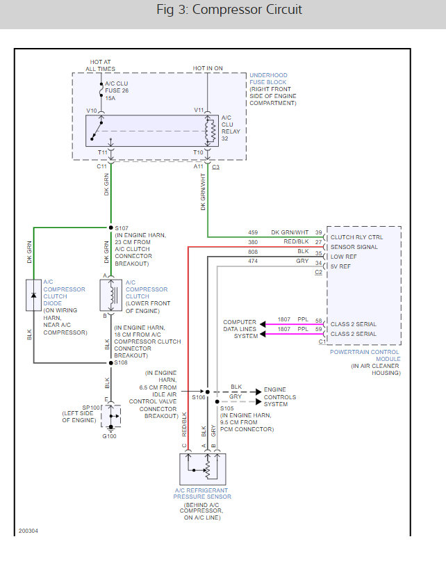
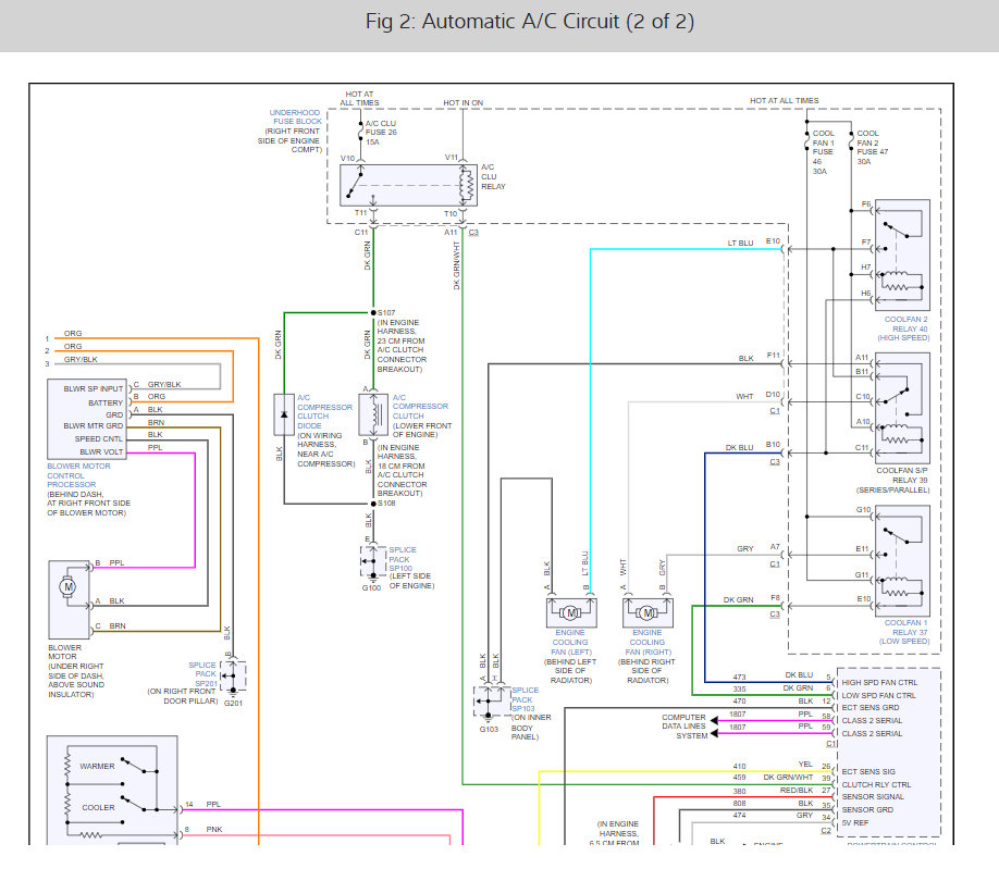
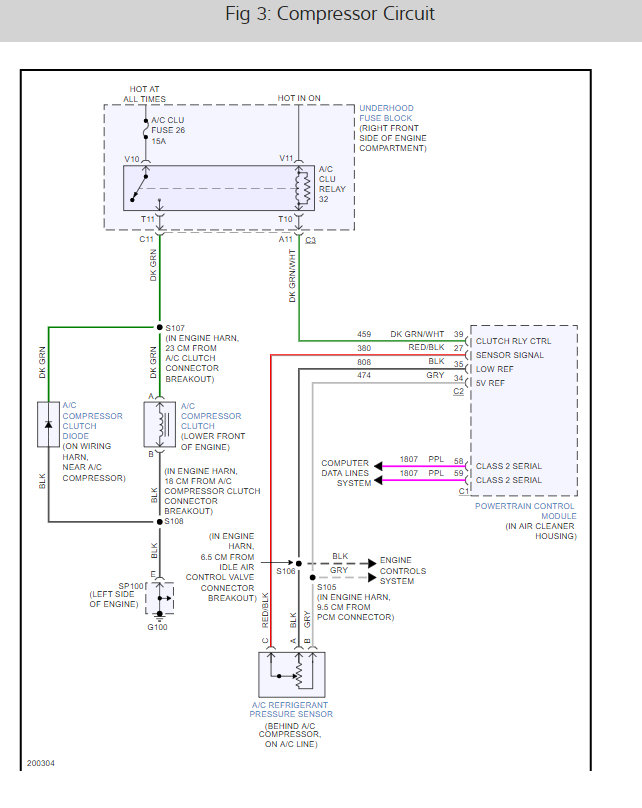
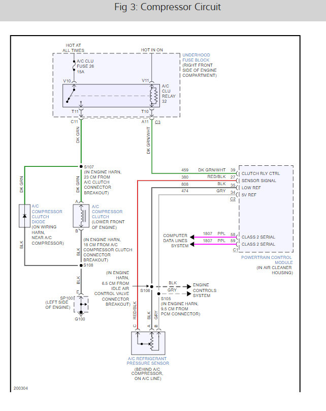
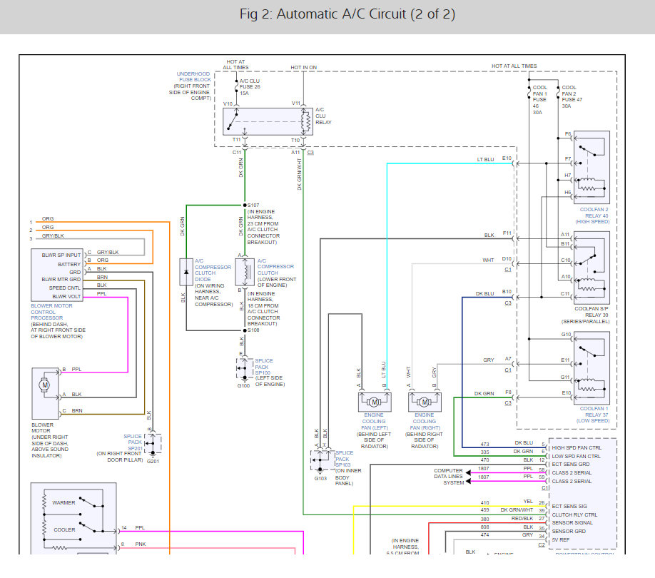
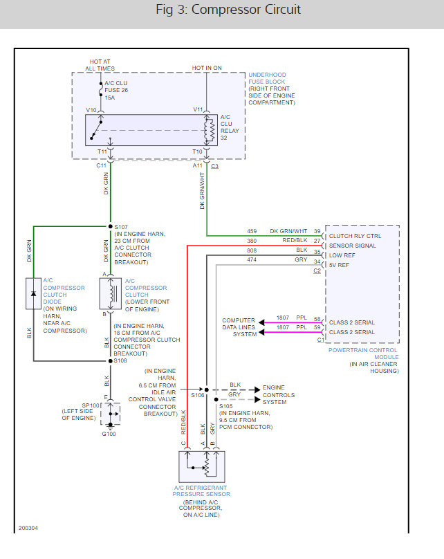
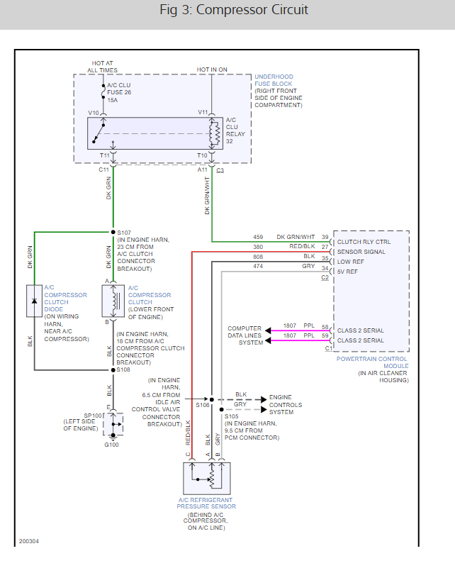
This sounds like the compressor has gone out or the system is low on charge or a fuse is bad, these videos and guides can help us fix the problem with diagrams below to show you how on your car. I have included the AC wiring diagrams as well so you can see how the system works.

https://youtu.be/4UjfQKvrB6Y not working

and

https://youtu.be/uZrQCGwXfek recharge

and

https://youtu.be/yrhWKlQEPWw leak detection

and

https://youtu.be/4EqdrBVb0sY vacuum and recharge

and

https://www.2carpros.com/articles/car-air-conditioner-not-working-or-is-weak

Check out the diagrams (Below). Please let us know if you need anything else to get the problem fixed.
Was this
answer
helpful?
Yes
No
Monday, May 7th, 2018 AT 3:28 AM

Please login or register to post a reply.

Related Air Conditioner Not Working Content